GM Service Manual Online
For 1990-2009 cars only
Makes
🢒
Cadillac
🢒
2004
🢒
Escalade EXT
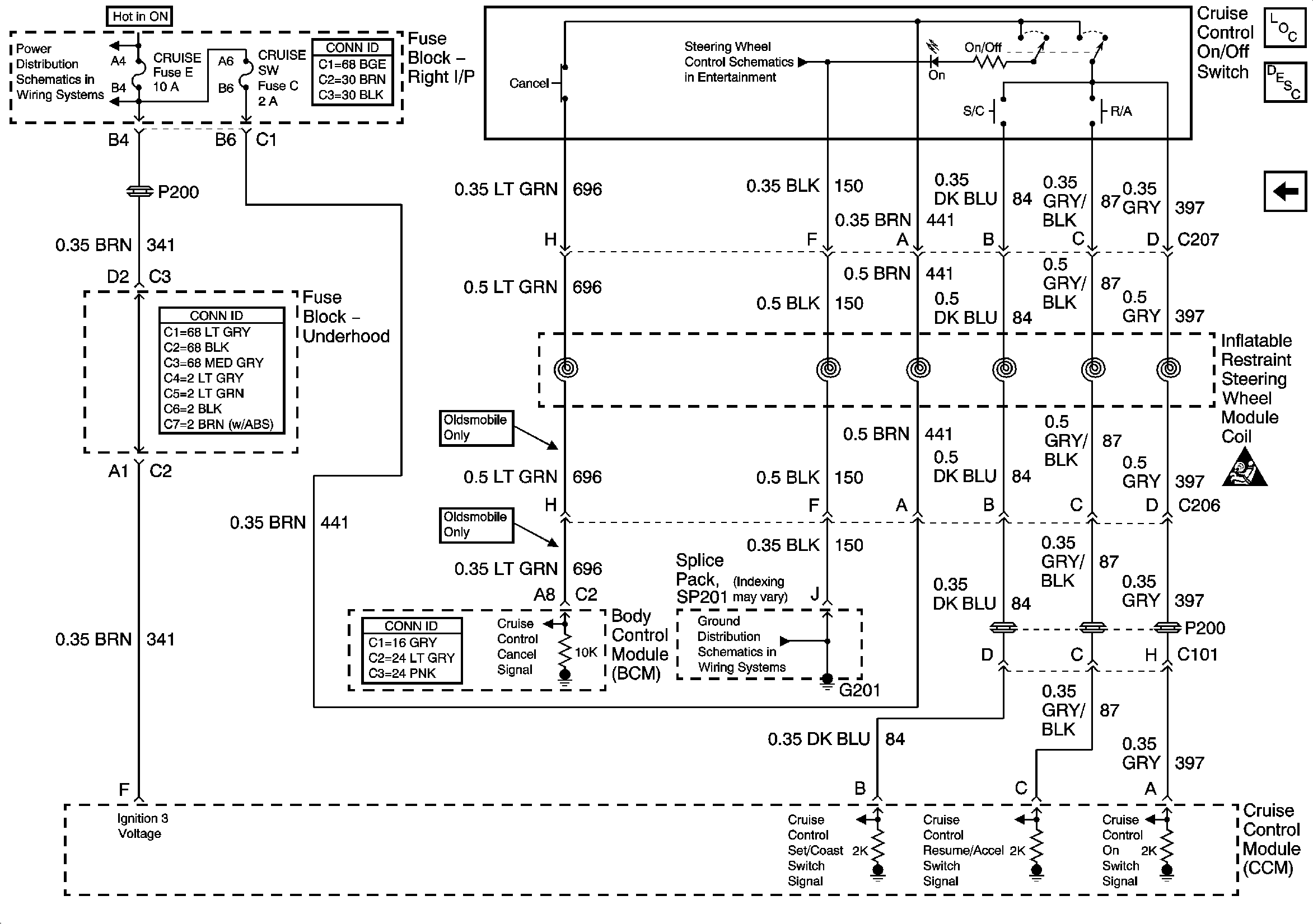
🢒 Cruise Control ON/OFF Switch
Cruise Control ON/OFF Switch
Cruise Control ON/OFF Switch
Master Electrical Component List
Cruise Control Description and Operation
Stop Lamp Switch
PWR WNDW, Circuit Breaker, CRUISE SW, CRUISE, SUNROOF, HVAC BLOWER Fuses
Steering Wheel Controls Schematics
G101
SIR Caution for Zoning