GM Service Manual Online
For 1990-2009 cars only
Makes
🢒
Cadillac
🢒
2004
🢒
Escalade EXT
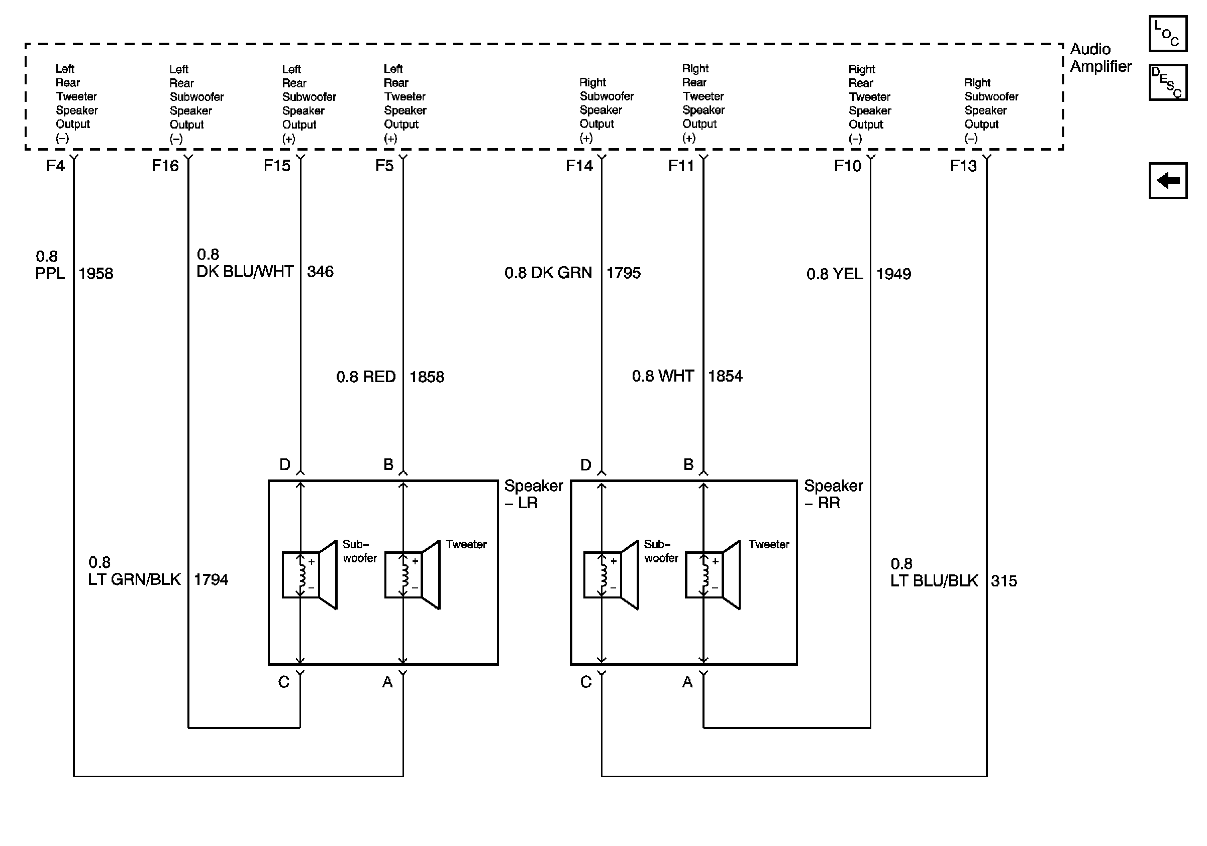
🢒 Rear Speakers - U85
Rear Speakers - U85
Rear Speakers - U85
Master Electrical Component List
Radio/Audio System Description and Operation
Front Speakers - U85