GM Service Manual Online
For 1990-2009 cars only
Makes
🢒
Cadillac
🢒
2004
🢒
Escalade EXT
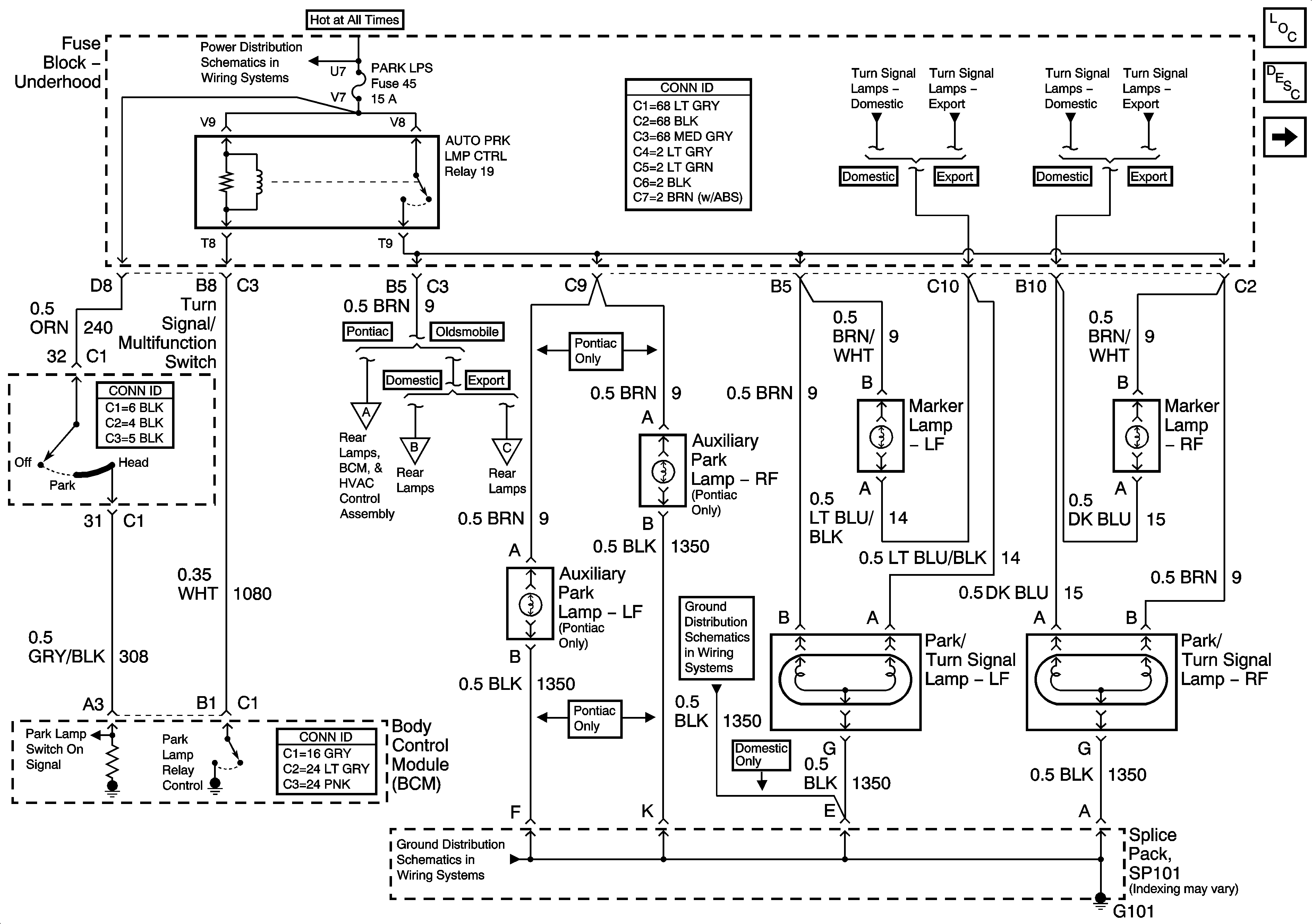
🢒 Park Lamps - Front
Park Lamps - Front
Park Lamps - Front
Master Electrical Component List
Exterior Lighting Systems Description and Operation
Park Lamps - Rear - Pontiac
L/H BEC BATT1, AUX PWR/CIGAR, PARK LPS, PCM BATT, PWR MIRROR, DR LOCK, TRUNK REL/RFA/RADIO AMP Fuses, and PWR SEAT Circuit Breaker
Turn Signal Lamps - Front - Domestic
Turn Signal Lamps - Front - Export
Turn Signal Lamps - Front - Domestic
Turn Signal Lamps - Front - Export
Park Lamps - Rear - Pontiac
Park Lamps - Rear - Oldsmobile - Domestic
Park Lamps - Rear - Oldsmobile - Export
G101
G101