GM Service Manual Online
For 1990-2009 cars only
Makes
🢒
Cadillac
🢒
2004
🢒
Escalade EXT
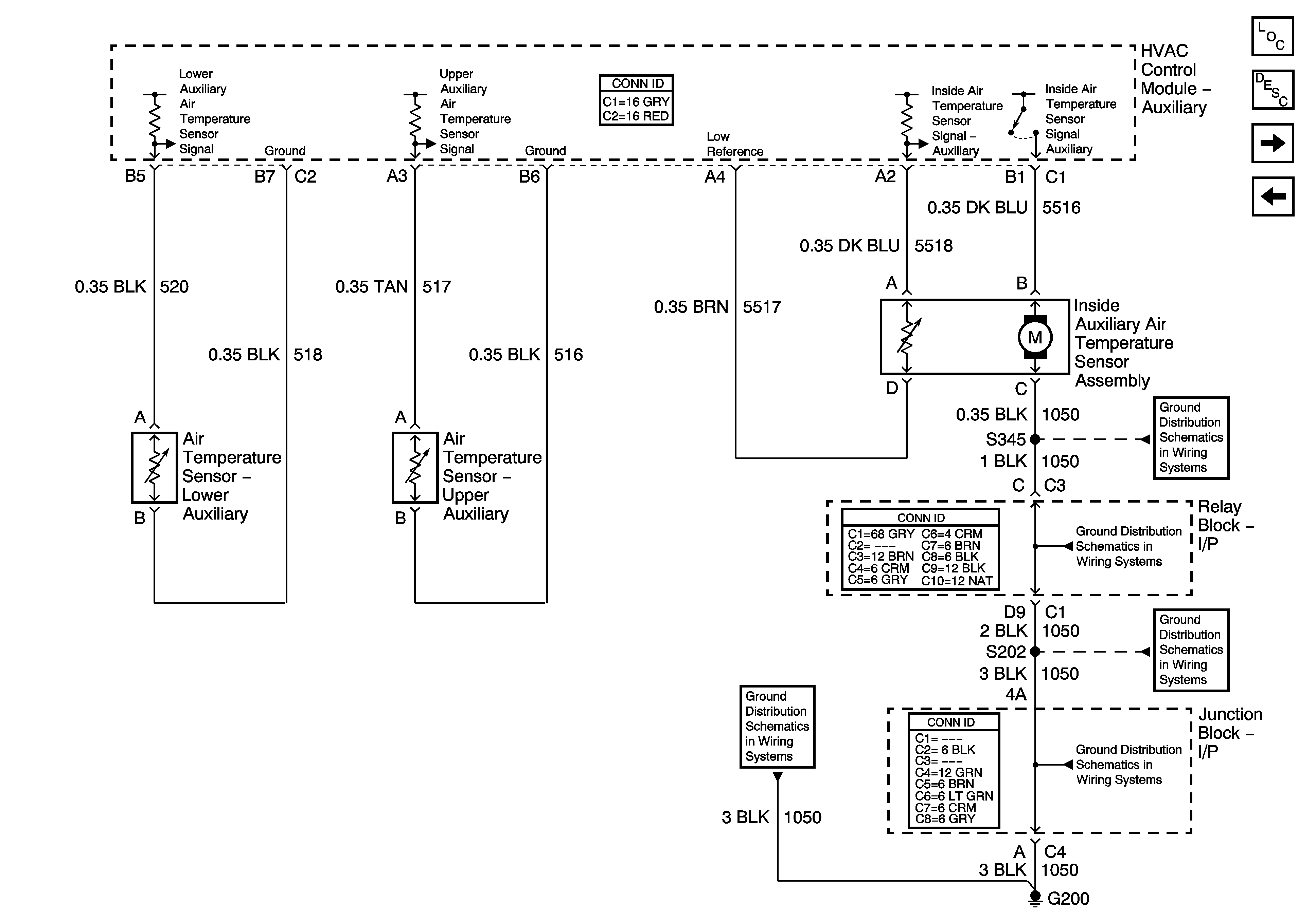
🢒 Auxiliary Temperature Sensors
Auxiliary Temperature Sensors
Auxiliary Temperature Sensors
Master Electrical Component List
Air Temperature Description and Operation
A/C Compressor Controls
Auxiliary HVAC Controls - 3 of 3
G200 - 3 of 3
G200 - 3 of 3
G200 - 1 of 3
G200 - 1 of 3
G200 - 1 of 3