GM Service Manual Online
For 1990-2009 cars only
Makes
🢒
Cadillac
🢒
2004
🢒
Escalade EXT
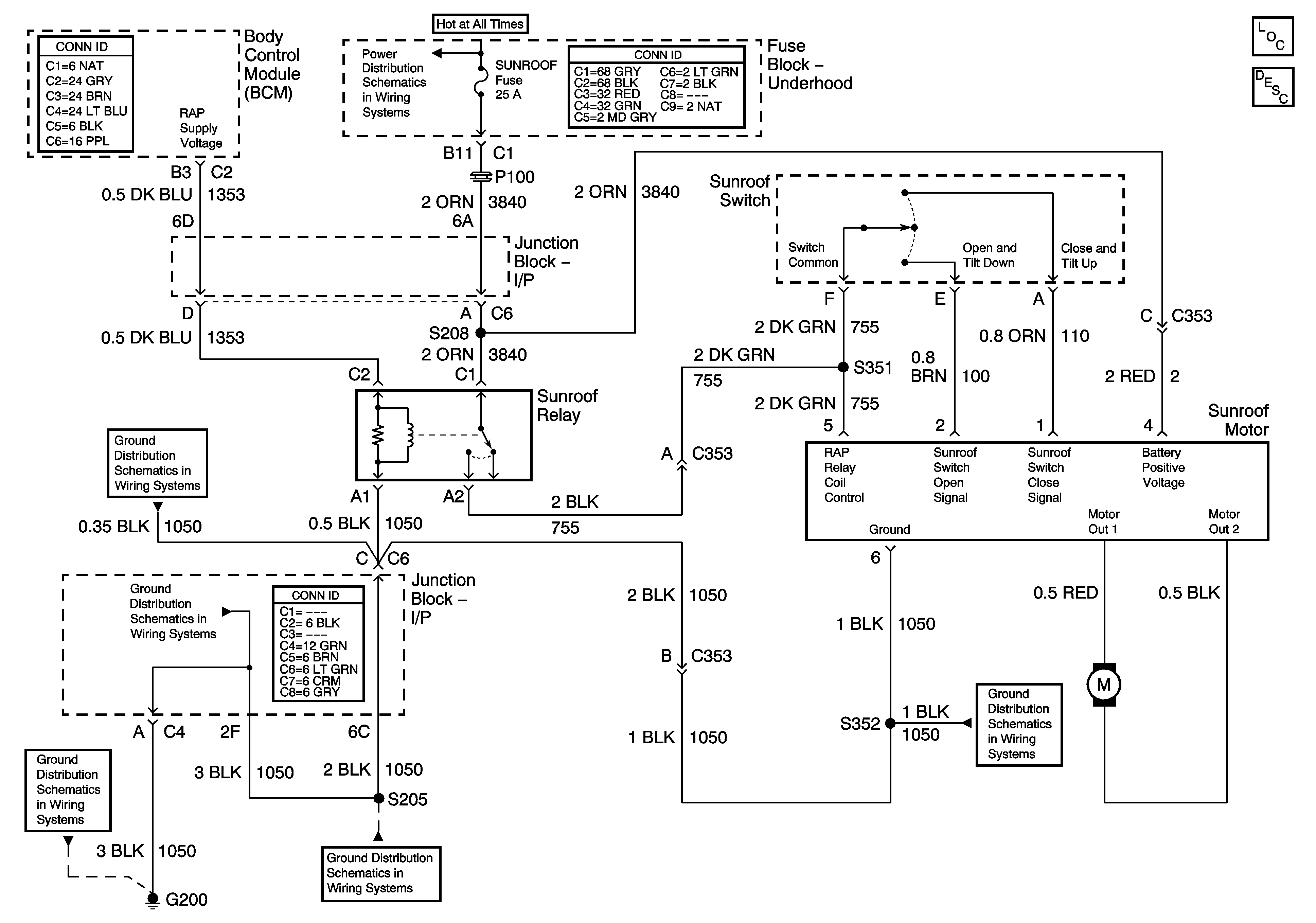
🢒 Power Sunroof Schematics
Power Sunroof Schematics
Master Electrical Component List
Sunroof Description and Operation
G200 - 1 of 3
G200 - 1 of 3
G200 - 1 of 3
G200 - 2 of 3
G200 - 1 of 3