GM Service Manual Online
For 1990-2009 cars only
Makes
🢒
Cadillac
🢒
2004
🢒
Escalade EXT
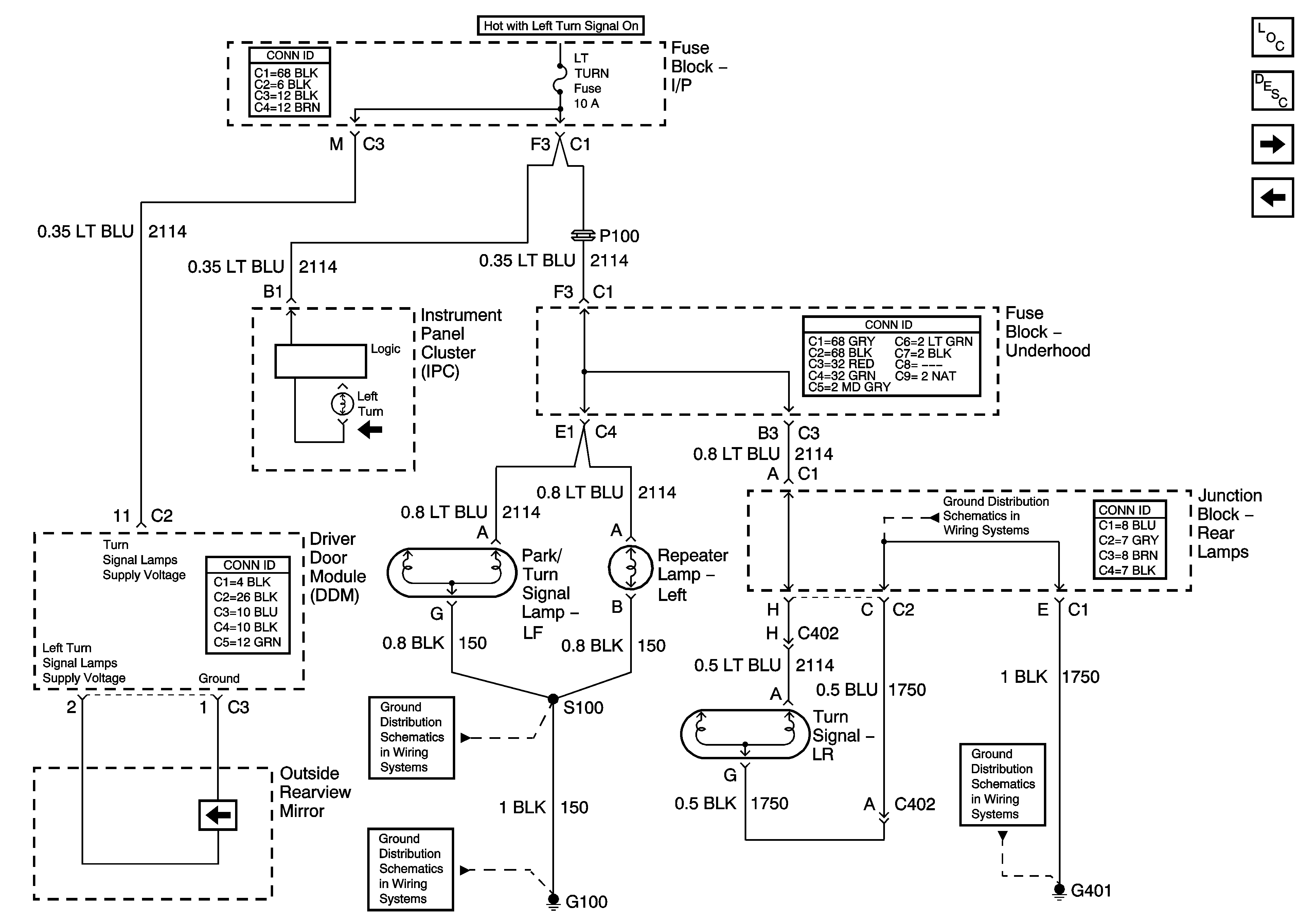
🢒 Left Turn Signals - Export
Left Turn Signals - Export
Left Turn Signals - Export
Master Electrical Component List
Exterior Lighting Systems Description and Operation
Right Turn Signals - Domestic
Left Turn Signals - Domestic
G401, G402
S100 - Export
G100, G101, G105, G106
G401, G402