GM Service Manual Online
For 1990-2009 cars only
Makes
🢒
Cadillac
🢒
2004
🢒
Escalade EXT
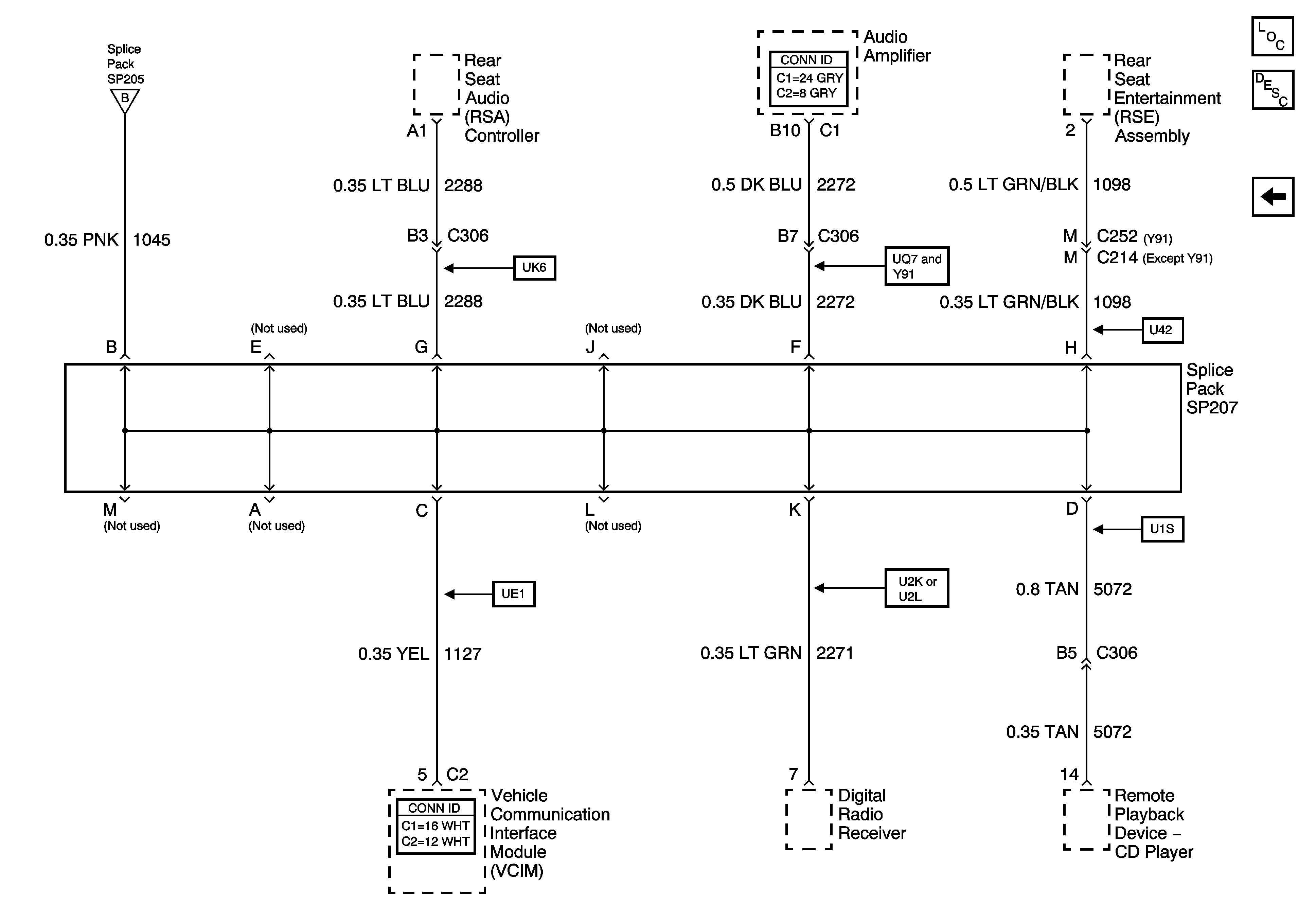
🢒 SP207
SP207
SP207
Master Electrical Component List
Data Link Communications Description and Operation
SP206
SP205 - 2 of 2