GM Service Manual Online
For 1990-2009 cars only
Makes
🢒
Cadillac
🢒
2004
🢒
Escalade EXT
🢒 Left Doors
Left Doors
Left Doors
Master Electrical Component List
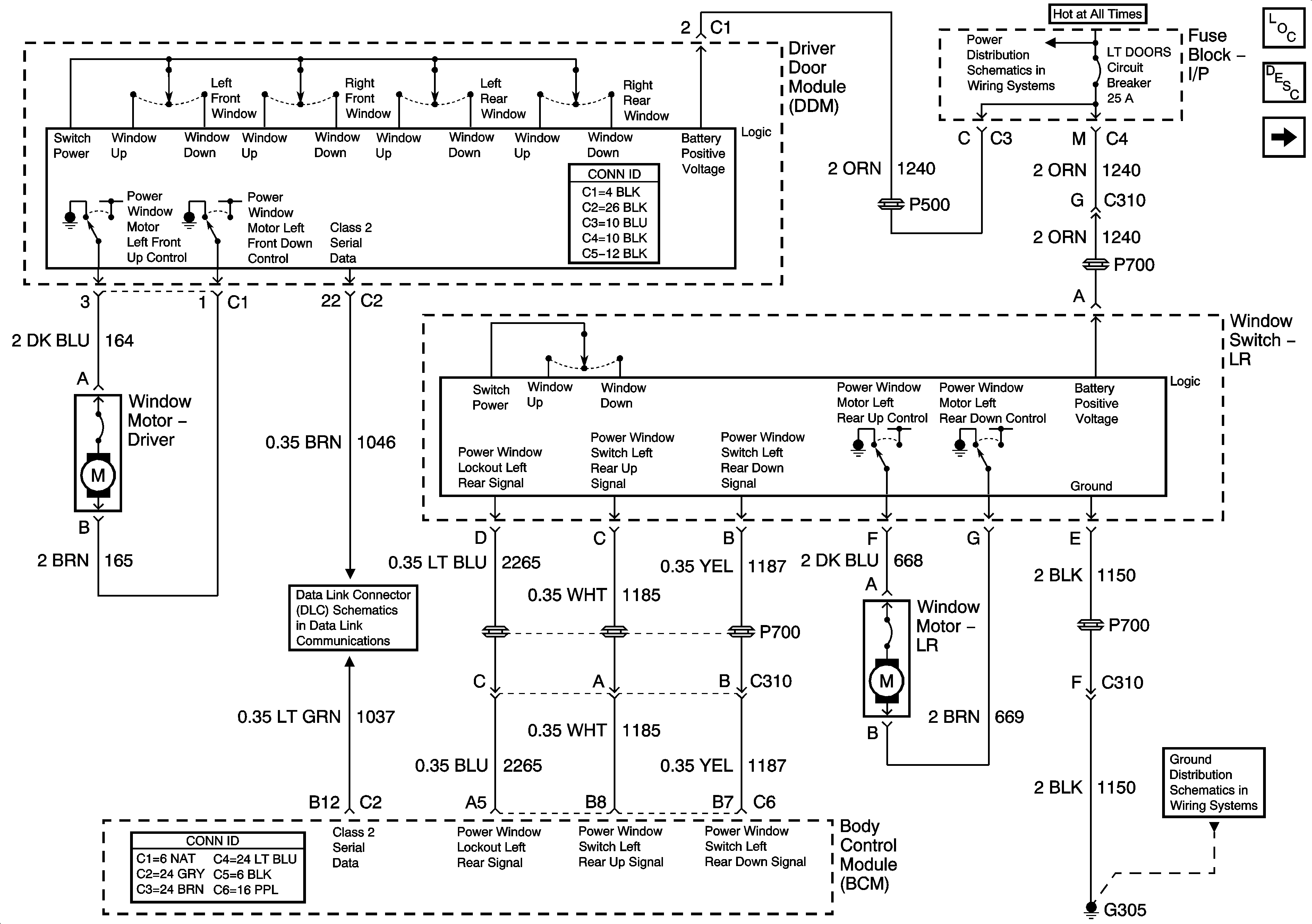
Power Windows Description and Operation
Right Doors
TBC 2A, TBC 2B, TBC 2C, LT DOORS, RT DOOR, SEAT Fuses
SP205 - 1 of 2
G304, G305