GM Service Manual Online
For 1990-2009 cars only
Makes
🢒
Cadillac
🢒
2004
🢒
Escalade EXT
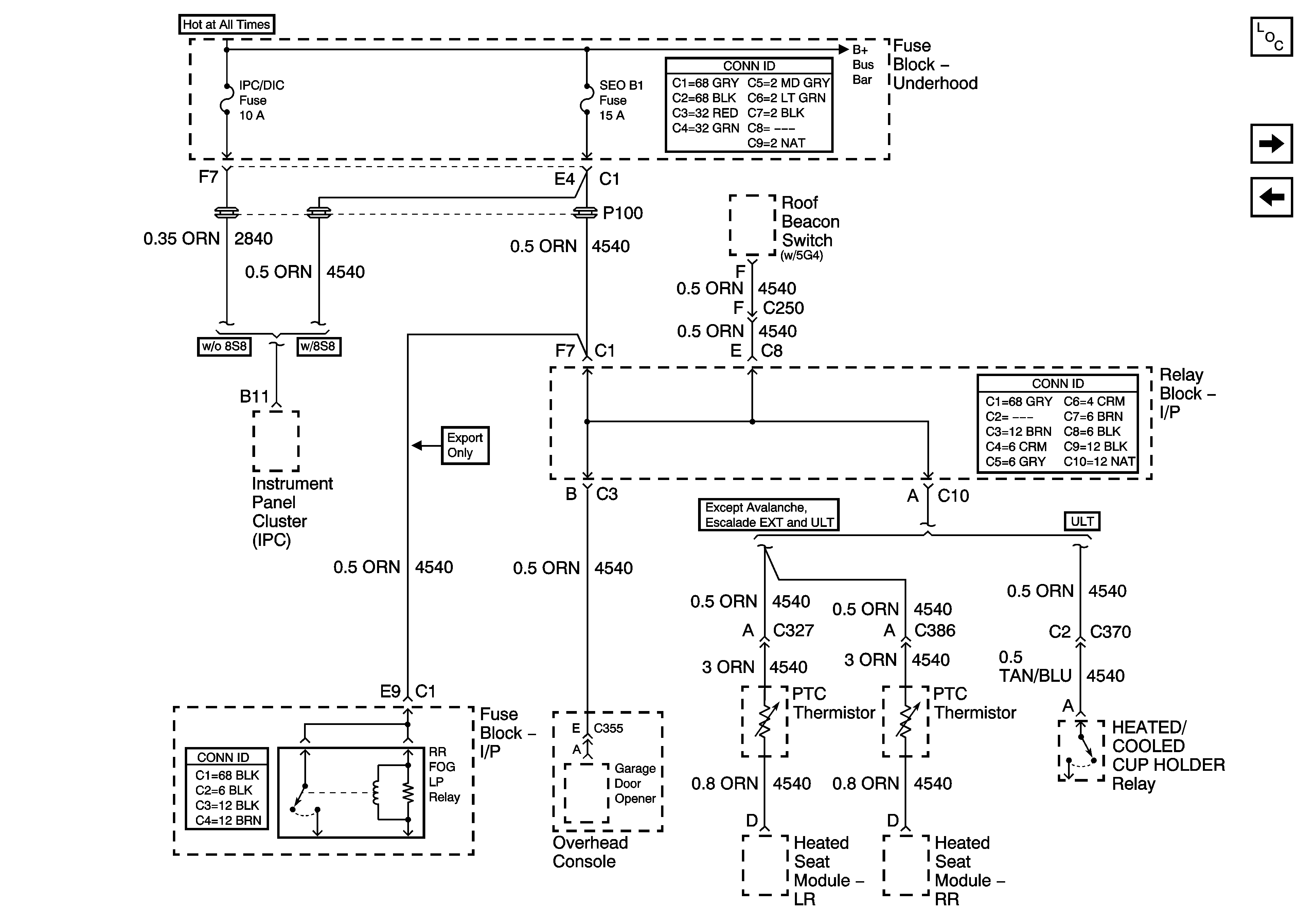
🢒 IPC/DIC, SEO B1 Fuses
IPC/DIC, SEO B1 Fuses
IPC/DIC, SEO B1 Fuses
Master Electrical Component List
HVAC/ECAS, RR HVAC, BLOWER, RR DEFOG, STOP LP, TREC Fuses
RTD, RR WPR, EAP, SUNROOF Fuses
B+ Bus - 1 of 2