GM Service Manual Online
For 1990-2009 cars only
Makes
🢒
Cadillac
🢒
2004
🢒
Escalade EXT
🢒 Transmission Switches
Transmission Switches
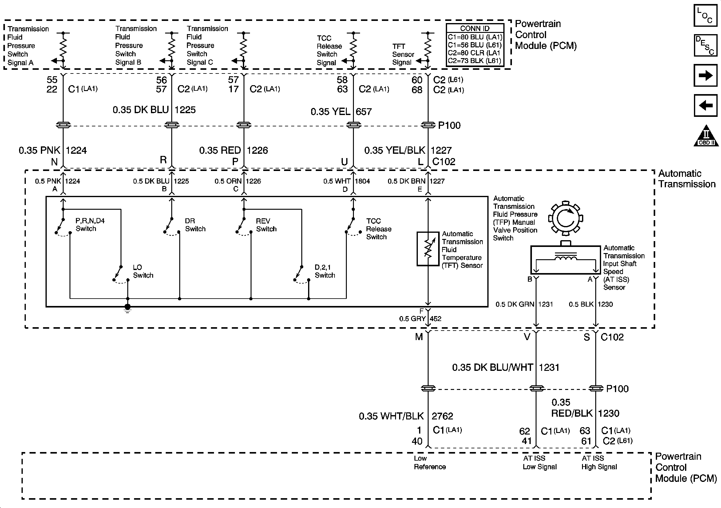
Transmission Switches, TFT, and A/T ISS Sensor
Master Electrical Component List
Transmission General Description
PNP Switch
Transmission Solenoids
OBD II Symbol Description Notice