GM Service Manual Online
For 1990-2009 cars only
Makes
🢒
Cadillac
🢒
2004
🢒
Escalade EXT
🢒 Coupe
Coupe
Coupe
Master Electrical Component List
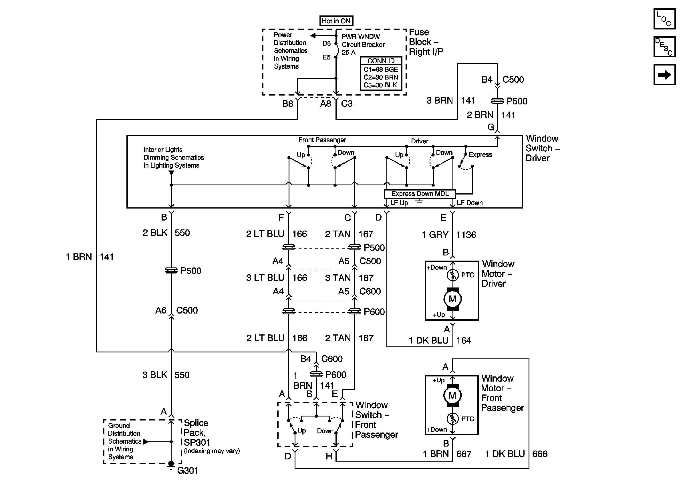
Power Windows Description and Operation
Front Windows - Sedan
PWR WNDW, Circuit Breaker, CRUISE SW, CRUISE, SUNROOF, HVAC BLOWER Fuses
Door Switches - Pontiac
G301