GM Service Manual Online
For 1990-2009 cars only
Makes
🢒
Cadillac
🢒
2004
🢒
Escalade EXT
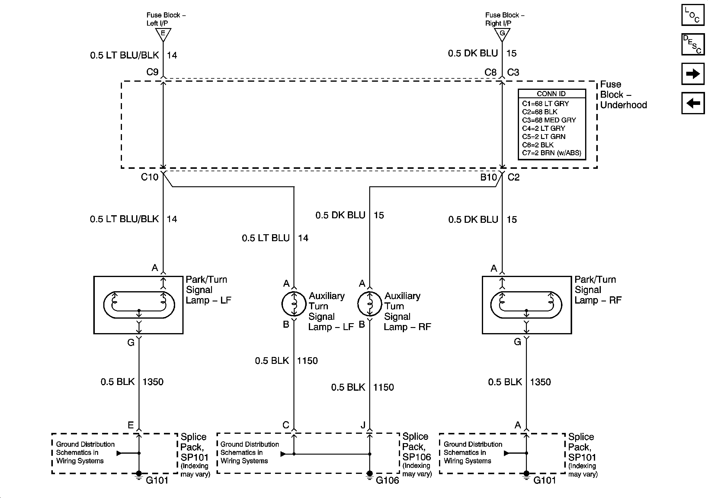
🢒 Turn Signal Lamps - Front - Export
Turn Signal Lamps - Front - Export
Turn Signal Lamps - Front - Export
Master Electrical Component List
Exterior Lighting Systems Description and Operation
Turn Signal Lamps - Front - Domestic
Switches and Indicators
Switches and Indicators
Switches and Indicators
G101
G106- Export Only
G101