GM Service Manual Online
For 1990-2009 cars only
Figure 1:

Powertrain Control Module (PCM)


Object Number: 1542733  Size: MF
(1)Fuse Block - Underhood
(2)Battery - Left
(3)Powertrain Control Module (PCM)
(4)Battery - Right (8Y9/TP2)
Figure 2:

Left Side of Engine


Object Number: 1454817  Size: LF
(1)Ignition Coil 1
(2)Fuel Injector 1
(3)Fuel Injector 3
(4)Fuel Injector 5
(5)Fuel Injector 7
(6)Ignition Coil 7
(7)Ignition Coil 5
(8)Ignition Coil 3
(9)Engine Coolant Temperature (ECT) Sensor
Figure 3:

Right Side of Engine


Object Number: 1454819  Size: LF
(1)Ignition Coil 8
(2)Fuel Injector 2 Connector
(3)Fuel Injector 4
(4)Ignition Coil 2
(5)Ignition Coil 4
(6)Fuel Injector 6
(7)Ignition Coil 6
(8)Fuel Injector 8
Figure 4:

Top of Engine


Object Number: 1454818  Size: LF
(1)Manifold Absolute Pressure (MAP) Sensor
(2)Throttle Body
(3)Evaporative Emission (EVAP) Canister Purge Solenoid
Figure 5:

Knock Sensors


Object Number: 198593  Size: MF
(1)Knock Sensor (KS) 1
(2)Knock Sensor (KS) 2
Figure 6:

Heated Oxygen Sensors (HO2S) 4.8L and 5.3L


Object Number: 334918  Size: MF
(1)Bank 1 Sensor 2 HO2S
(2)Bank 1 Sensor 1 HO2S
(3)Bank 1 Sensor 1 HO2S Threaded Boss
(4)Left Bank Catalytic Convertor
(5)Bank 1 Sensor 2 HO2S Threaded Boss
(6)Bank 2 Sensor 1 HO2S Threaded Boss
(7)Right Side Frame Rail
(8)Right Bank Catalytic Convertor
(9)Bank 2 Sensor 2 HO2S Threaded Boss
(10)Bank 2 Sensor 2 HO2S
(11)Bank 2 Sensor 1 HO2S
Figure 7:

Heated Oxygen Sensors (HO2S) 6.0L


Object Number: 349194  Size: MF
(1)Bank 2 Sensor 1 HO2S
(2)Bank 1 Sensor 2 HO2S Threaded Boss
(3)Right Side Frame Rail
(4)Right Bank Catalytic Convertor
(5)Bank 2 Sensor 2 HO2S
(6)Bank 2 Sensor 2 HO2S Threaded Boss
(7)Left Bank Catalytic Convertor
(8)Bank 1 Sensor 2 HO2S
(9)Bank 1 Sensor 1 HO2S Threaded Boss
(10)Bank 1 Sensor 1 HO2S
(11)Bank 2 Sensor 1 HO2S Threaded Boss
Figure 8:

Fuel Pump Relay - Secondary - w/Dual Tanks


Object Number: 750178  Size: LF
(1)Fuel Pump Relay - Secondary
Figure 9:

Chassis Mounted Fuel/EVAP Controls - 10 Series


Object Number: 1606459  Size: LF
(1)Fuel Pump and Sender Assembly
(2)Evaporative Emissions (EVAP) Canister Vent Solenoid
Figure 10:

Chassis Mounted Fuel/EVAP Controls - 20 Series


Object Number: 1606460  Size: LF
(1)Fuel Pump and Sender Assembly
(2)Evaporative Emissions (EVAP) Canister Vent Solenoid
Figure 11:

Fuel Pump and Sender Assembly Components


Object Number: 830794  Size: MF
(1)Fuel Pump and Sender Assembly
(2)Fuel Tank Pressure (FTP) Sensor
(3)Fuel Level Sensor
Figure 12:

Fuel Composition Sensor - w/L59 Only


Object Number: 830773  Size: MF
(1)Fuel Composition Sensor
Figure 13:

Evaporative Emission (EVAP) Canister Vent Solenoid


Object Number: 334914  Size: MF
(1)Left Frame Rail
(2)Evaporative Emissions (EVAP) Canister Vent Solenoid
(3)Fuel Tank
(4)Evaporative Emissions (EVAP) Canister
Figure 14:

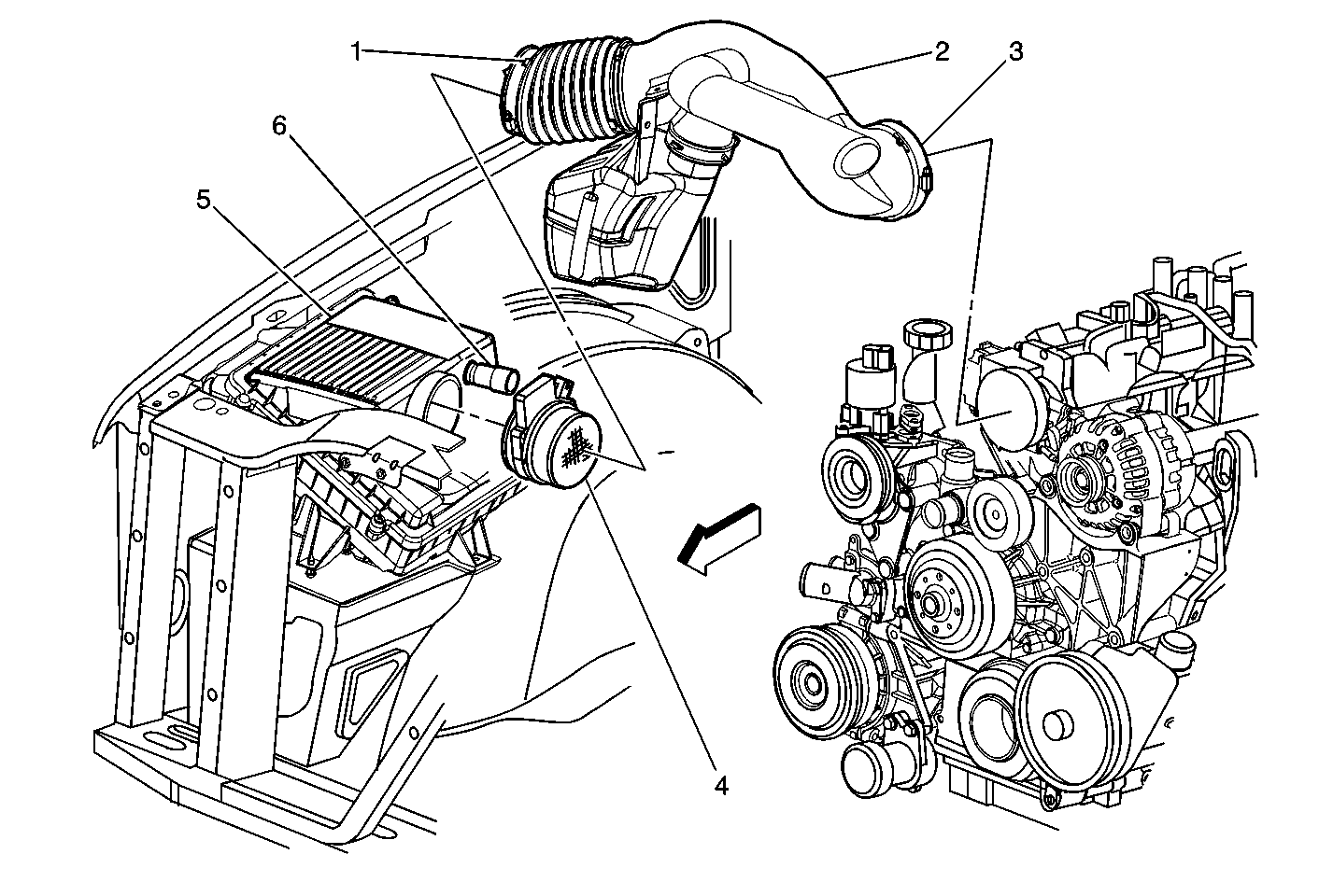
Air Induction Components


Object Number: 350034  Size: MF
(1)Clamp
(2)Air Duct
(3)Clamp
(4)Intake Air Temperature (IAT)/Mass Air Flow (MAF) Sensor
(5)Air Cleaner Assembly
(6)Air Restriction Indicator
Figure 15:

Throttle Actuator Control (TAC) Module


Object Number: 750162  Size: LF
(1)Throttle Actuator Control (TAC) Module
(2)Throttle Actuator Control (TAC) Connector
(3)Fuse Block - Underhood
Figure 16:

Accelerator Pedal Position (APP) Sensor Connector


Object Number: 751380  Size: MF
(1)Accelerator Pedal Position (APP) Sensor Connector
(2)Accelerator Pedal Position (APP) Sensor