GM Service Manual Online
For 1990-2009 cars only

Upper Intake Manifold Sight Shield Replacement 4.8L, 5.3L, and 6.0L (RPO LQ4)

Removal Procedure


    Object Number: 832094  Size: SH
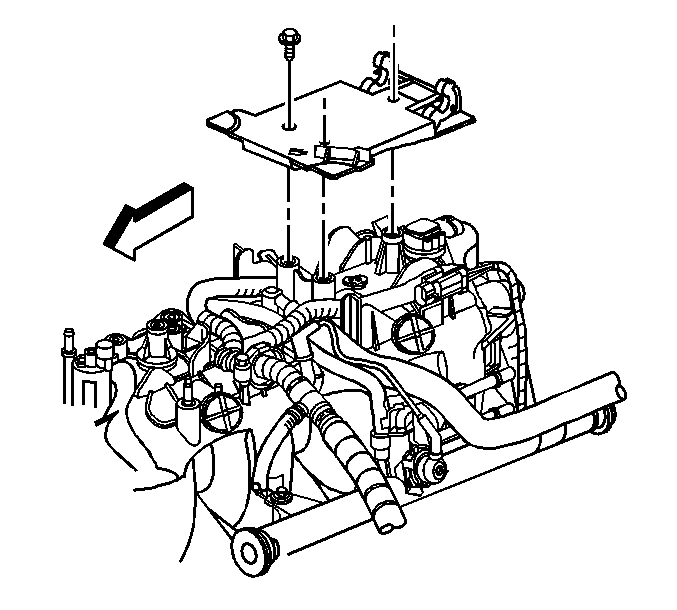
  1. Loosen the intake manifold sight shield bolt.
  2. Remove the sight shield from the sight shield retainer.

  3. Object Number: 832095  Size: SH
  4. Remove the sight shield retainer bolts and the retainer, if required.

Installation Procedure


    Object Number: 832095  Size: SH

    Notice: Use the correct fastener in the correct location. Replacement fasteners must be the correct part number for that application. Fasteners requiring replacement or fasteners requiring the use of thread locking compound or sealant are identified in the service procedure. Do not use paints, lubricants, or corrosion inhibitors on fasteners or fastener joint surfaces unless specified. These coatings affect fastener torque and joint clamping force and may damage the fastener. Use the correct tightening sequence and specifications when installing fasteners in order to avoid damage to parts and systems.

  1. Install the sight shield retainer and the bolts, if required.
  2. Tighten
    Tighten the bolts to 5 N·m (44 lb in).


    Object Number: 832094  Size: SH

    Notice: Use care when installing the engine sight shield to avoid contacting the manifold absolute pressure (MAP) sensor wire harness connector. Loss of engine performance or engine damage may result.

  3. Install the intake manifold sight shield to the retainer.
  4. Tighten
    Tighten the bolt to 10 N·m (89 lb in).

Upper Intake Manifold Sight Shield Replacement 6.0L (RPO LQ9)

Removal Procedure


    Object Number: 832097  Size: SH
  1. Loosen the intake manifold sight shield bolt.
  2. Remove the sight shield from the sight shield retainer.
  3. Loosen the left fuel rail cover bolts.
  4. Remove the left fuel rail cover.
  5. Remove the surge tank/heater hoses from the clip on the right fuel rail cover.
  6. Loosen the right fuel rail cover bolts.
  7. Remove the right fuel rail cover.

  8. Object Number: 832095  Size: SH
  9. Remove the sight shield retainer bolts and retainer, if required.

Installation Procedure


    Object Number: 832095  Size: SH

    Notice: Use the correct fastener in the correct location. Replacement fasteners must be the correct part number for that application. Fasteners requiring replacement or fasteners requiring the use of thread locking compound or sealant are identified in the service procedure. Do not use paints, lubricants, or corrosion inhibitors on fasteners or fastener joint surfaces unless specified. These coatings affect fastener torque and joint clamping force and may damage the fastener. Use the correct tightening sequence and specifications when installing fasteners in order to avoid damage to parts and systems.

  1. Install the sight shield retainer and bolts, if required.
  2. Tighten
    Tighten the bolts to 5 N·m (44 lb in).


    Object Number: 832097  Size: SH
  3. Install the right fuel rail cover.
  4. Tighten the right fuel rail cover bolts.
  5. Tighten
    Tighten the bolts to 9 N·m (80 lb in).

  6. Install the surge tank/heater hoses to the clip on the right fuel rail cover.
  7. Install the left fuel rail cover.
  8. Tighten the left fuel rail cover bolts.
  9. Tighten
    Tighten the bolts to 9 N·m (80 lb in).

    Notice: Use care when installing the engine sight shield to avoid contacting the manifold absolute pressure (MAP) sensor wire harness connector. Loss of engine performance or engine damage may result.

  10. Install the sight shield to the sight shield retainer.
  11. Tighten the intake manifold sight shield bolt.
  12. Tighten
    Tighten the bolt to 10 N·m (89 lb in).