GM Service Manual Online
For 1990-2009 cars only
Figure 1:

Forward Lamp Harness Routing


Object Number: 1465633  Size: LF
(1)C180 Forward Lamp Harness to Engine Harness (2)
(2)Fuse Block - Underhood C4
(3)Battery Positive Voltage (Eyelet)
(4)C103 Forward Lamp Harness to I/P Harness (Export) (6)
(5)C104 Forward Lamp Harness to I/P Harness (6 w/o YE9) (12 w/YE9)
(6)C125 Forward Lamp Harness to Park/Turn Signal Harness (VYU) (8)
(7)G100 (150)
(8)C127 Forward Lamp Harness to Park/Turn Signal Lamp Harness (VYU) (8)
(9)G115 (250)
Figure 2:

Engine Compartment


Object Number: 1576564  Size: LF
(1)Fuse Block - Underhood
(2)Battery Positive Voltage Terminal
(3)C180 Forward Lamp Harness to I/P Harness
(4)C104 Forward Lamp Harness to I/P Harness
(5)S166
(6)Cooling Fan - Left
(7)Cooling Fan - Right
(8)Forward Lamp Harness
(9)Fuse Block - Underhood Cooling Fan
Figure 3:

Left Side of the Engine - 4.8L, 5.3L, and 6.0L


Object Number: 1402455  Size: LF
(1)Generator Connector
(2)Evaporative Emission (EVAP) Canister Purge Solenoid
(3)S104
(4)C148
(5)Manifold Absolute Pressure (MAP) Sensor Connector
(6)C115 Female Connector
(7)C115 Male Connector
(8)G104
(9)Camshaft Position (CMP) Sensor Connector
(10)Throttle Actuator Control (TAC) Connector
(11)C153
(12)G102
(13)C100
(14)Fuse Block - Underhood C2
(15)C152
(16)Powertrain Control Module (PCM) C2
(17)Powertrain Control Module (PCM) C1
(18)S110
(19)S103
Figure 4:

Right Side of the Engine - 4.8L, 5.3L, and 6.0L


Object Number: 1402457  Size: LF
(1)Manifold Absolute Pressure (MAP) Sensor Connector
(2)S102
(3)Auxiliary Battery Relay Connector (TP2)
(4)Evaporative Emission (EVAP) Canister Purge Solenoid
(5)Throttle Actuator Control (TAC) Connector
(6)Coolant Level Switch Connector
(7)Intake Air Temperature (IAT)/Mass Air Flow (MAF) Sensor Connector
(8)A/C Refrigerant Pressure Sensor Connector
(9)A/C Compressor Clutch Connector
(10)A/C Low Pressure Switch Connector
(11)Engine Oil Level Switch Connector
(12)Camshaft Position (CMP) Sensor Connector
(13)Engine Oil Pressure (EOP) Sensor Connector
Figure 5:

Rear of the Engine - 4.8L, 5.3L, and 6.0L


Object Number: 1402460  Size: LF
(1)Heated Oxygen Sensor (HO2S) Bank 2 Sensor 1 Connector (Automatic)
(2)Heated Oxygen Sensor (HO2S) Bank 2 Sensor 2 Connector (Automatic)
(3)Heated Oxygen Sensor (HO2S) Bank 2 Sensor 1 Connector (Manual)
(4)Heated Oxygen Sensor (HO2S) Bank 2 Sensor 2 Connector (Manual)
(5)Heated Oxygen Sensor (HO2S) Bank 1 Sensor 2 Connector (Manual)
(6)Vehicle Speed Sensor (VSS) Connector
(7)Backup Lamp Switch Connector
(8)Heated Oxygen Sensor (HO2S) Bank 1 Sensor 1 Connector (Manual)
(9)Heated Oxygen Sensor (HO2S) Bank 1 Sensor 2 Connector (Automatic)
(10)Park/Neutral Position Switch Connector
(11)Heated Oxygen Sensor (HO2S) Bank 1 Sensor 1 Connector (Automatic)
Figure 6:

C148 and C149


Object Number: 1404000  Size: LF
(1)C149 Engine Harness to Even Ignition Coil Harness
(2)C148 Engine Harness to Odd Ignition Coil Harness
(3)Throttle Body
Figure 7:

Left Side of the Engine - 8.1L


Object Number: 1398839  Size: LF
(1)S163 (PTO)
(2)S132
(3)S164 (PTO)
(4)S102
(5)S151
(6)S103
(7)C155
(8)Fuse Block - Underhood C2
(9)PTO Relay Connector
(10)S104
(11)Throttle Actuator Control (TAC) Module C1
(12)Heated Oxygen Sensor (HO2S) Bank 1 Sensor 1
(13)Knock Sensor (KS) - Bank 1
(14)C100
(15)C152
(16)C106 (PTO)
(17)S165 (M74)
(18)S110
(19)G102
(20)Powertrain Control Module (PCM) C2
(21)Powertrain Control Module (PCM) C1
(22)Transmission Control Module (TCM) C1
(23)Transmission Control Module (TCM) C2
Figure 8:

Right Side of the Engine - 8.1L


Object Number: 1398841  Size: LF
(1)Auxiliary Battery Relay Connector (TP2)
(2)A/C Low Pressure Switch Connector
(3)Manifold Absolute Pressure (MAP) Sensor
(4)Engine Coolant Temperature (ECT) Sensor
(5)C149
(6)S157
(7)Coolant Level Switch Connector
(8)S160
(9)Throttle Actuator Control (TAC) Motor Connector C1
(10)C153
(11)A/C Compressor Clutch Connector
(12)A/C Refrigerant Pressure Sensor Connector
(13)Knock Sensor (KS) - Bank 2
(14)Engine Oil Level Switch Connector
(15)Starter Solenoid Power
(16)Heated Oxygen Sensor (HO2S) Bank 2 Sensor 1
Figure 9:

Rear of the Engine - 8.1L


Object Number: 1399200  Size: LF
(1)Heated Oxygen Sensor (HO2S) Bank 2 Sensor 1
(2)Automatic Transmission Input Shaft Speed (At ISS) Sensor
(3)Heated Oxygen Sensor (HO2S) Bank 1 Sensor 2
(4)Heated Oxygen Sensor (HO2S) Bank 2 Sensor 2
(5)Vehicle Speed Sensor (VSS)
(6)Park Neutral Position (PNP) Switch Connector
(7)C145
(8)Heated Oxygen Sensor (HO2S) Bank 2 Sensor 1
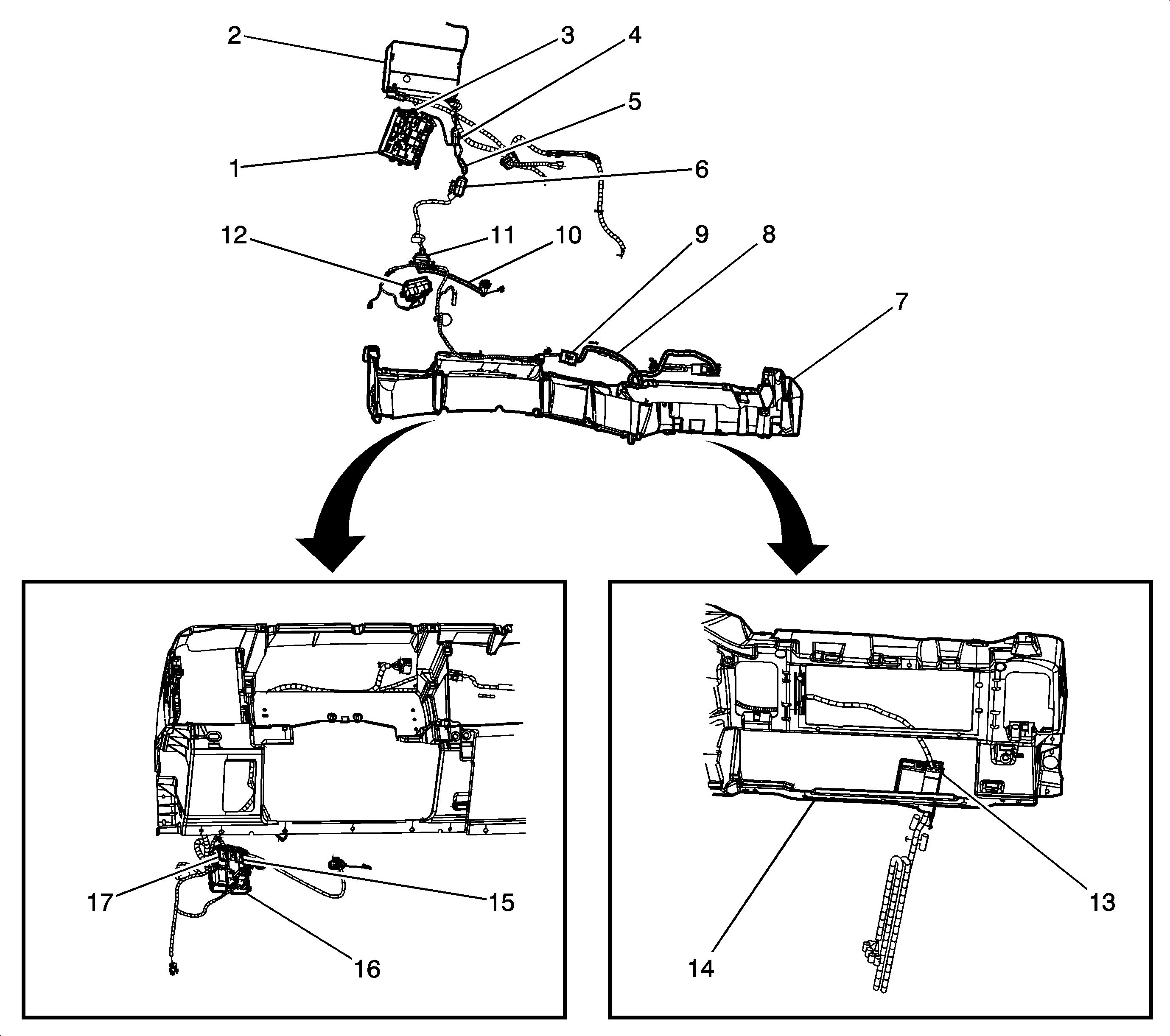
Figure 10:

I/P Harness Routing - Engine Compartment


Object Number: 1463254  Size: LF
(1)Passthrough
(2)C102 I/P Harness to Chassis Harness (w/JL4 or NYS)
(3)C102 I/P Harness to Chassis Harness
(4)C154 I/P to Automatic Transmission Harness (w/NP8 or NR4)
(5)C151 I/P to Automatic Transmission Harness (w/NP8 or NR4)
(6)Battery Positive Voltage
(7)Fuse Block - Underhood C1
(8)Fuse Block - Underhood C8
(9)Fuse Block - Underhood C5
(10)C100 I/P Harness to Engine Harness
(11)Fuse Block - Underhood C6
(12)C104 I/P Harness to Forward Lamp Harness
(13)C103 I/P Harness to Forward Lamp Harness (Export)
(14)C198 I/P Harness to Chassis Harness
(15)Supplemental Brake Assist Pump Motor Assembly
(16)Windshield Wiper Motor Assembly
(17)Throttle Actuator Control (ATC) Module - C2
Figure 11:

I/P Harness Routing - Left Side of I/P Console


Object Number: 1463258  Size: LF
(1)C202 I/P Harness to Brake/Clutch Harness
(2)C214 I/P Harness to Headliner Harness (w/UE1/U42)
(3)C214 I/P Harness to Headliner Harness (w/UE1/U42)
(4)G203 (1851)
(5)C203 I/P to Left Front Door Harness (w/JF4)
(6)C221 I/P Harness to Body Harness
(7)C204 I/P Harness to Body Harness
(8)Splice Pack SP250 (w/UQ7)
(9)C201 I/P Harness to Steering Column Harness
(10)C275 I/P Harness to Inflatable Restraint Steering Wheel Module
(11)Splice Pack SP205
Figure 12:

I/P Harness Routing - Right Side of I/P Console


Object Number: 1463262  Size: LF
(1)C306 I/P Harness or Infotainment Jumper Harness to Console Harness
(2)C249 I/P Harness to Info Jumper Harness (Except Y91)
(3)C230 I/P Harness to Roofmarker Harness
(4) I/P Harness to Roof Marker Coax
(5)C231 I/P Harness to Diversity Antenna Harness (Z75 except EXT)
(6)Fuse Block - Right I/P C1
(7)C222 I/P Harness to Body Harness
(8)C209 I/P Harness to Body Harness
Figure 13:

Chassis Harness Routing - Front Frame - 2500 Series,Long Wheelbase


Object Number: 1463269  Size: LF
(1)Battery Positive Voltage
(2)Brake Fluid Level Switch
(3)G101-Engine Block-(w/NYS)
(4)Front Frame Rail - RF
(5)Suspension Damper Solenoid - RF (Z55)
(6)Wheel Speed Sensor (WSS) - RF
(7)Suspension Position Sensor - RF (Z55)
(8)G110
(9)Suspension Position Sensor - LF (Z55)
(10)Wheel Speed Sensor (WSS) - LF
(11)Suspension Damper Solenoid - LF (Z55)
(12)Fuel Pump (FP) Relay - Secondary (NQZ)
(13)Auxiliary Power
(14)C102 Chassis Harness to I/P Harness
(15)C198 Chassis Harness to I/P Harness
(16)C152 Chassis Harness to Engine Harness
(17)Fuse Block - Underhood C9
(18)Fuse Block - Underhood C3
Figure 14:

Chassis Harness Routing - Rear Frame - 2500 Series - Long Wheelbase w/Dual Tanks


Object Number: 1463268  Size: LF
(1)Junction Block - Rear Lamps C1
(2)Junction Block - Rear Lamps C2
(3)C450 Chassis Harness to Body Harness (Z55)
(4) Chassis Harness to Junction Block - Rear C1 (NYS)
(5)Evaporative Emission (EVAP) Canister Vent Solenoid Valve
(6)Rear Wheel Steering Module Case Ground
(7)Rear Wheel Steering Module C2 (NYS)
(8)Rear Wheel Steering Module C1 (NYS)
(9)Trailer Connector (Taped Back)
(10)G401
(11)C402 Chassis Harness to RR Lamp Harness
(11)Clearance Lamp - LR (NYS)
(13)Wheel Speed Sensor (WSS) - LR
(14)Suspension Position Sensor - LR (Z55)
(15)Fuel Pump and Sender Assembly - Secondary (NQZ)
(16)Fuel Tank Pressure (FTP) Sensor - Secondary (NQZ)
(17)Fuel Pump and Sender Assembly - Primary
(18)Electronic Brake Control Module (EBCM) Connectors
(19)Vehicle Stability Enhancement System (VSES) Module
(20)Suspension Position Sensor - RR (Z55)
(21)Suspension Damer Solenoid - RR (Z55)
Figure 15:

Chassis Harness Routing - Front Frame - 1500 Series


Object Number: 1463271  Size: LF
(1)G104 (Export)
(2)Hydroboost Flow Switch (Export)
(3)Precharge Pump
(4)Suspension Damper Solenoid - RF (Z55)
(5)Wheel Speed Sensor (WSS) - RF
(6)Suspension Position Sensor - RF (Z55)
(7)G110
(8)Suspension Position Sensor - LF (Z55)
(9)Wheel Speed Sensor (WSS) - LF
(10)Suspension Damper Solenoid - LF (Z55)
(11)Brake Pressure Differential Switch (Export)
(12)Hydroboost Pressure Switch (Export) (1500 Series)
(13)C102 Chassis Harness to I/P Harness (w/JL4 or NYS)
(14)C102 Chassis Harness to I/P Harness
(15)Automatic Level Control (ALC) Compressor Relay (Z55)
(16)C198 Chassis Harness to I/P Harness
(17)C152 Chassis Harness to Engine Harness
(18)Fuse Block - Underhood C3
(19)Fuse Block - Underhood C9
(20)Stud Battery Positive Voltage
(21)C198 Chassis Harness to I/P Harness
(22)Brake Fluid Level Switch
Figure 16:

Chassis Harness Routing - Rear Frame - 1500 Series - Short Wheelbase


Object Number: 1463273  Size: LF
(1)Suspension Position Sensor - RR (Z55)
(2)Evaporative Emission (EVAP) Canister Vent Solenoid Valve
(3)Wheel Speed Sensor (WSS) - RR
(4)Suspension Damer Solenoid - RR (Z55)
(5)Chassis Harness to Junction Block - Rear C1 (NYS)
(6)Junction Block - Rear Lamps C2
(7)C450 Chassis Harness to Body Harness (Z55)
(8)Trailer Connector (Taped Back)
(9)Fog Lamp - RR (Export)
(10)G401
(11)C402 Chassis Harness to RR Lamp Harness
(12)Automatic Level Control (ALC) Air Compressor (Z55)
(13)Suspension Damer Solenoid - LR (Z55)
(14)Wheel Speed Sensor (WSS) - LR
(15)Suspension Position Sensor - LR (Z55)
(16)Fuel Tank Pressure (FTP) Sensor
(17)Fuel Pump and Sender Assembly
(18)G402 (Export)
(19)Electronic Brake Control Module (EBCM) Connectors
(20)Vehicle Stability Enhancement System (VSES) Module (w/VSES)
Figure 17:

Chassis Harness Routing - Rear Frame - 1500 Series - Long Wheelbase


Object Number: 1463275  Size: LF
(1)Suspension Position Sensor - RR (Z55)
(2)Evaporative Emission (EVAP) Canister Vent Solenoid Valve
(3)Wheel speed Sensor (WSS) - RR
(4)Suspension Damper Solenoid - RR (Z55)
(5)C450 Chassis Harness to Body Harness (Z55)
(6)Junction Block - Rear Lamps C1
(7)Junction Block - Rear Lamps C2
(8)Trailer Connector (Taped Back)
(9)G401
(10)C402 Chassis Harness to RR Lamp Harness
(11)Automatic Level Control (ALC) Air Compressor (Z55)
(12)Suspension Damer Solenoid - LR (Z55)
(13)Suspension Position Sensor - LR (Z55)
(14)Wheel Speed Sensor (WSS) - LR
(15)Fuel Tank Pressure (FTP) Sensor
(16)Electronic Brake Control Module (EBCM) Connectors
(17)Vehicle Stability Enhancement System (VSES) Module (w/VSES)
Figure 18:

Body Harness Routing - Front - Long Wheelbase


Object Number: 1463406  Size: LF
(1)Inflatable Restraint Side Impact Module - Left
(2)C305 Body Harness to Driver Seat Harness
(3)Inflatable Restraint Sensing and Diagnostic Module (SDM)
(4)C313 Body Harness to Driver Door Harness (w/AJ7)
(5)Fuse Block - Left I/P C4
(6)C206 Body Harness to I/P Harness
(7)Relay Block C10
(8)Body Control Module (BCM) C6
(9)C221 Body Harness to I/P Harness
(10)C370 Body Harness to Console Harness (w/Y91)
(11)C222 Body Harness to I/P Harness
(12)C315 Body Harness to Right Front Door Harness (w/AJ7)
(13)C209 Body Harness to I/P Harness
(14)Yaw Rate and Lateral Acceleration Sensor
(15)G304
(16)Inflatable Restraint Side Impact Module - Right
(17)C399 Body Harness to Passenger Seat Harness
(18)C396 Body Harness to Right Rear Door Harness
(19)Liftgate Relay
(20)G306
(21)Splice Pack SP206
(22)G305
(23)C310 Body Harness to Left Rear Door Harness
Figure 19:

Body Harness Routing - Rear - Long Wheelbase


Object Number: 1463408  Size: LF
(1)Dome Lamp-Liftgate
(2)C499 Body Harness to Engate Extension Harness (E52)
(3)Center High Mounted Stop Lamp (CHMSL)
(4)Marker Lamp-Body Rear (NYS)
(5)Speaker-Left D Pillar
(6)Rear Parking Assist (RPA) Diagnostic Connector (Z75)
(7)Rear Object Sensor Control Module (Z75)
(8)C327 Body Harness to Left Rear Seat Harness (KA6)
(9)C386 Body Harness to Right Rear Seat Harness (KA6)
(10)C406 Body Harness to License Lamp Harness (Z75)
(11)C450 Body Harness to Chassis Harness (Z55)
(12)Electronic Suspension Control Module (ESC) Module Connectors
(13)C397 Body Harness to Auxiliary HVAC Harness (C69)
(14)Auxiliary Power Outlet-RR
(15)Splice Pack SP410
(16)Speaker-Right D Pillar
(17)Rear Parking Assist (RPA) Display (Z75)
Figure 20:

Body Harness Routing - Front - Short Wheelbase


Object Number: 1463409  Size: LF
(1)Splice Pack SP206
(2)G305
(3)C310 Body Harness to Left Rear Door Harness
(4)Inflatable Restraint Side Impact Module-Left
(5)C305 Body Harness to Driver Seat Harness
(6)Inflatable Restraint Sensing and Diagnostic Module (SDM)
(7)C313 Body Harness to Driver Door Harness (AJ7)
(8)Fuse Block - Left I/P C4
(9)C206 Body Harness to I/P Harness
(10)Relay Block C10
(11)Body Control Module (BCM) C6
(12)C221 Body Harness to I/P Harness
(13)C370 Body Harness to Console Harness (Y91)
(14)C222 Body Harness to I/P Harness
(15)C315 Body Harness to Right Front Door Harness (AJ7)
(16)C209 Body Harness to I/P Harness
(17)Yaw Rate and Lateral Acceleration Sensor
(18)Inflatable Restraint Side Impact Module-Right
(19)G304
(20)C399 Body Harness to Passenger Seat Harness
(21)Liftgate Relay
(22)C396 Body Harness to Right Rear Door Harness
(23)G306
(24)Rear Parking Assist (RPA) Diagnostic Connector (Y91)
(25)Rear Object Sensor Control Module (Y91)
(26)C386 Body Harness to Right Rear Seat Harness (KA7)
(27)C327 Body Harness to Left Rear Seat Harness (KA7)
Figure 21:

Body Harness Routing - Rear - Short Wheelbase


Object Number: 1690354  Size: LF
(1)Splice Pack (SP410)
(2)C499 Body Harness to Engate Extension Harness (E52)
(3)Center High Mounted Stop Lamp (CHMSL)
(4)Body Harness
(5)C406 Body Harness to License Lamp Harness (Z75)
(6)C450 Body Harness to Chassis Harness (Z55)
(7)Electronic Suspension Control Module (ESC) Module Connectors
(8)C397 Body Harness to Auxiliary HVAC Harness (C69)
Figure 22:

Rear Body Harness - Avalanche/Esclade EXT


Object Number: 1688645  Size: MF
(1)C392
(2)Rear Window Defogger - Ground
(3)C390
(4)Rear Window Defogger - Power
(5)C415 (Z75)
(6)Passthrough to Chassis Harness (Z75)
(7)Body Harness
(8)C450 (Z75)
(9)Cargo Lamp - Driver (RH Similar)
Figure 23:

Liftgate Wiring Harness to Liftgate


Object Number: 573926  Size: LF
(1)Liftgate with Liftglass
(2)Liftglass Defog Connector
(3)Liftgate Latch Connector
(4)Liftgate Lower Latch Connector
(5)Liftgate Latch Connector
(6)Liftgate Lower Latch Connector
(7)Liftgate Latch Connector
(8)Wiper Motor Connector
(9)Inline Connector C499
Figure 24:

Auxiliary Power Center - 9L4


Object Number: 1410792  Size: LF
(1)Underhood Fuse Block
(2)Battery
(3)40A Mega Fuse
(4)C117
(5)Accessory Jumper Harness
(6)C119
(7)I/P Carrier
(8)Auxiliary Power Harness
(9)C216
(10)Brake/Clutch Harness
(11)Passthrough P101
(12)I/P Relay Block
(13)Auxiliary Power Fuse/Relay Block
(14)Glove Box Opening
(15)C5
(16)I/P Relay Block
(17)C8
Figure 25:

Roof Lamp Wiring Provisions - 5G4


Object Number: 1411842  Size: LF
(1)Blunt Cut Wires for Roof Light
(2)Roof Light Switch
(3)C250
(4)I/P Jumper Harness
(5)Roof Light Relay
(6)G305
(7)C210
(8)Relay Block C8
(9)Relay Block C9
(10)Relay Block - I/P
(11)Brake/Clutch Harness