GM Service Manual Online
For 1990-2009 cars only

Removal Procedure

  1. Disconnect the negative battery cable. Refer to Battery Negative Cable Disconnection and Connection .

  2. Object Number: 400853  Size: SH
  3. Remove the left fender upper brace.

  4. Object Number: 749941  Size: SH
  5. Remove the electrical center brace cover assemble by lifting the cover (3) outwards to clear the tabs.
  6. Remove all fuses and relays.

  7. Object Number: 749942  Size: SH
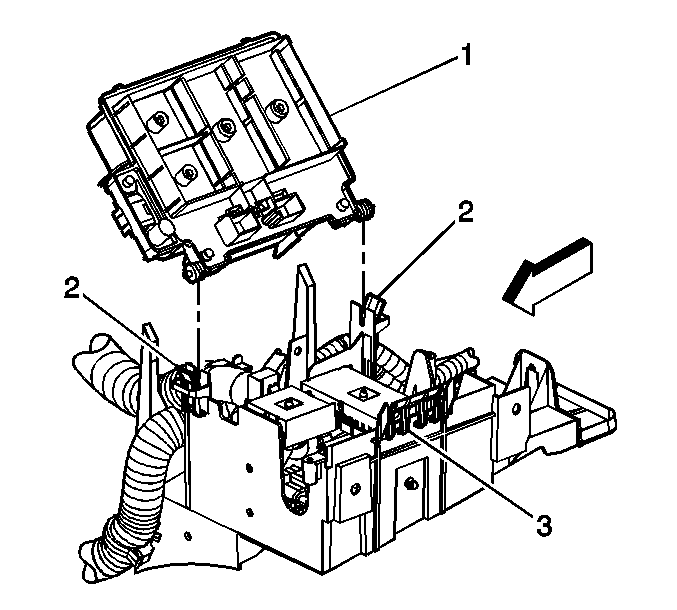
  8. Push on the tab (3) so that the electrical center can be rotated on the studs located at (2).
  9. Remove all connectors by removing the bolt (1) for each connector.
  10. Disconnect all connectors from the electrical center block.

  11. Object Number: 749945  Size: SH
  12. Push on the tabs (2) in order to lift the electrical center (1) out of the housing.

  13. Object Number: 747706  Size: SH
  14. To replace the engine electrical center bracket remove the 4 retaining bolts (1).
  15. Remove the engine electrical center bracket assembly from the fender.

Installation Procedure


    Object Number: 747706  Size: SH
  1. Install the engine electrical center bracket assembly to the front fender.
  2. Notice: Use the correct fastener in the correct location. Replacement fasteners must be the correct part number for that application. Fasteners requiring replacement or fasteners requiring the use of thread locking compound or sealant are identified in the service procedure. Do not use paints, lubricants, or corrosion inhibitors on fasteners or fastener joint surfaces unless specified. These coatings affect fastener torque and joint clamping force and may damage the fastener. Use the correct tightening sequence and specifications when installing fasteners in order to avoid damage to parts and systems.

  3. Install the 4 retaining bolts (1).
  4. Tighten
    Tighten the 4 retaining bolts (1) to 9 N·m (80 lb in).


    Object Number: 749945  Size: SH
  5. Align the electrical center block (1) stubs in the slots so that the tabs (2) retains it in place.

  6. Object Number: 749942  Size: SH
  7. Connect the wire connectors to the lower portion of the electrical center block.
  8. Connect the wire connectors with the bolts to the electrical center block.
  9. Tighten
    Tighten all connector bolts (1) to 9 N·m (80 lb in).

  10. Ensure all wire connectors are securely connected.
  11. Set the electrical center block in its resting position till the tabs (3) locks in place.

  12. Object Number: 749941  Size: SH
  13. Install the lower part of the cover (1).
  14. With the cover (2) off, use the fuse location information to install all fuses and relays.
  15. Install the cover.

  16. Object Number: 400853  Size: SH
  17. Install the fender upper brace.
  18. Install the 4 fender upper brace bolts.
  19. Tighten
    Tighten the 4 retaining bolts to 25 N·m (18 lb ft).

  20. Connect the negative battery cable. Refer to Battery Negative Cable Disconnection and Connection .
  21. Start vehicle and ensure all components function properly.