GM Service Manual Online
For 1990-2009 cars only

Fuel Composition Sensor Replacement 5.3L (L59) Engine

Removal Procedure


    Object Number: 1504453  Size: SH
  1. Relieve the fuel system pressure. Refer to Fuel Pressure Relief .
  2. Raise and suitably support the vehicle. Refer to Lifting and Jacking the Vehicle in General Information.
  3. If equipped, remove the transfer case shield. Refer to one of the following:
  4. •  Transfer Case Shield Replacement in Transfer Case BW 4481 - NR3
    •  Transfer Case Shield Replacement in Transfer Case BW 4482 - NR4
    •  Transfer Case Shield Replacement in Transfer Case NVG 246 - NP8
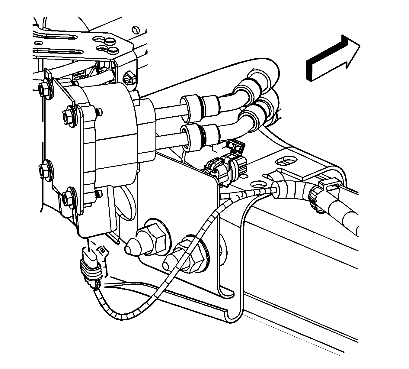
  5. Disconnect the fuel composition sensor electrical connector.

  6. Object Number: 1504451  Size: SH
  7. Remove the fuel line retainers (1).
  8. Disconnect the fuel composition sensor fuel lines. Refer to Metal Collar Quick Connect Fitting Service .

  9. Object Number: 1224295  Size: SH
  10. Remove the fuel composition sensor bracket nuts.
  11. Remove the fuel composition sensor.
  12. If required, remove the fuel composition sensor bolts and remove the sensor from the bracket.

Installation Procedure


    Object Number: 1224295  Size: SH

    Notice: Use the correct fastener in the correct location. Replacement fasteners must be the correct part number for that application. Fasteners requiring replacement or fasteners requiring the use of thread locking compound or sealant are identified in the service procedure. Do not use paints, lubricants, or corrosion inhibitors on fasteners or fastener joint surfaces unless specified. These coatings affect fastener torque and joint clamping force and may damage the fastener. Use the correct tightening sequence and specifications when installing fasteners in order to avoid damage to parts and systems.

  1. If required, install the fuel composition sensor to the bracket and install the bolts.
  2. Tighten
    Tighten bolts to 10 N·m (89 lb in).

  3. Install the fuel composition sensor.
  4. Install the fuel composition sensor bracket nuts.
  5. Tighten
    Tighten nuts to 17 N·m (13 lb ft).


    Object Number: 1504451  Size: SH
  6. Connect the fuel composition sensor fuel lines. Refer to Metal Collar Quick Connect Fitting Service .
  7. Install the fuel line retainers (1).

  8. Object Number: 1504453  Size: SH
  9. Connect the fuel composition sensor electrical connector.
  10. If equipped, install the transfer case shield. Refer to one of the following:
  11. •  Transfer Case Shield Replacement in Transfer Case BW 4481 - NR3
    •  Transfer Case Shield Replacement in Transfer Case BW 4482 - NR4
    •  Transfer Case Shield Replacement in Transfer Case NVG 246 - NP8
  12. Lower the vehicle.
  13. Use the following procedure in order to inspect for leaks:
  14. 9.1. Turn the ignition ON, with the engine OFF, for 2 seconds.
    9.2. Turn the ignition OFF for 10 seconds.
    9.3. Turn the ignition ON, with the engine OFF.
    9.4. Inspect for fuel leaks.