GM Service Manual Online
For 1990-2009 cars only
Makes
🢒
Cadillac
🢒
2005
🢒
Escalade EXT
🢒
Accessories
🢒
Theft Deterrent - Immobilizer - Some Export Vehicles
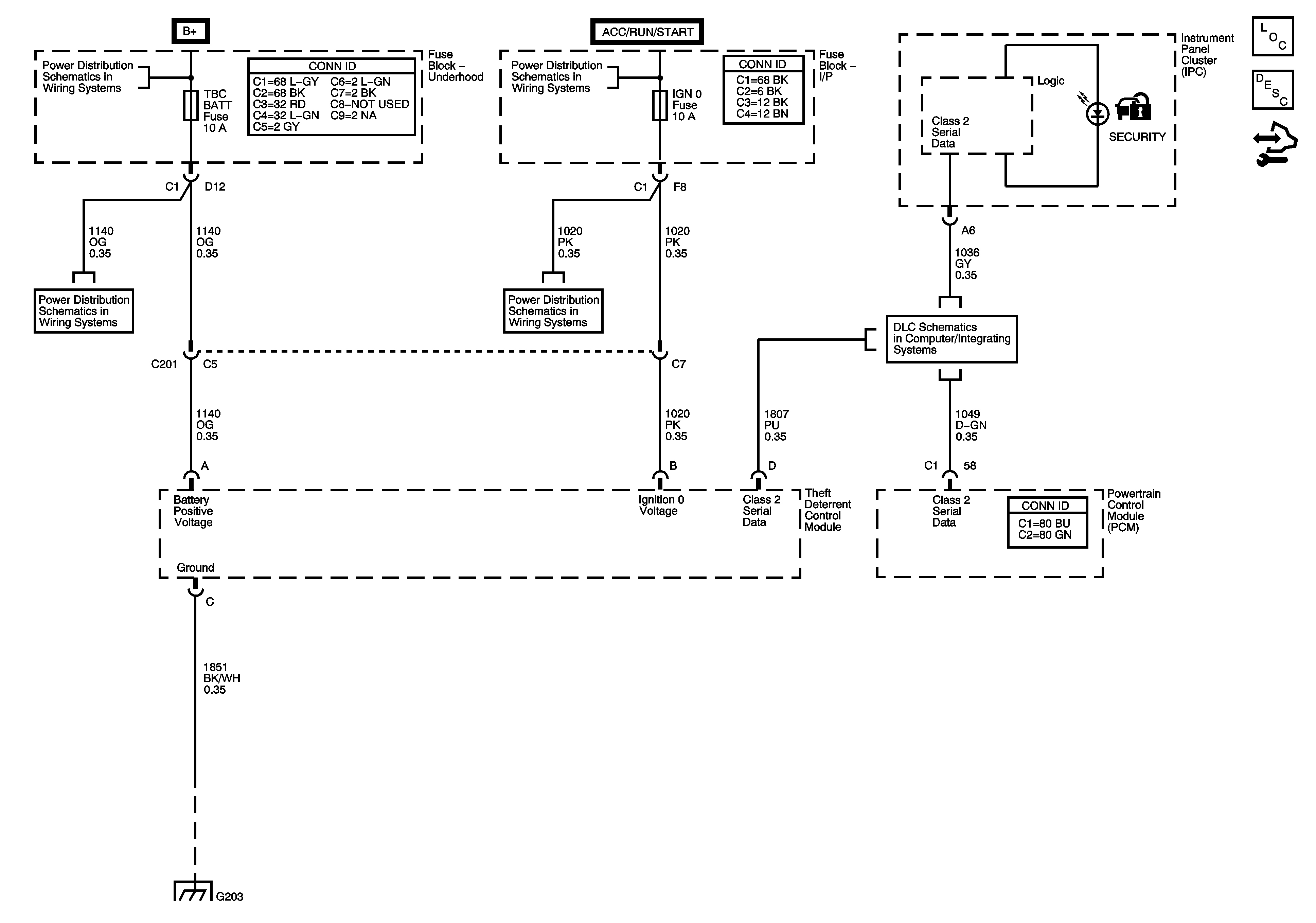
🢒 Theft Deterrent System Schematics
Master Electrical Component List
Vehicle Theft Deterrent (VTD) Description and Operation
Control Module References
B+ Bus - 1 of 2
IPC/DIC, LH HID, RH HID, SEO B1, SEO B2, and TBC BATT Fuses
IGN 0, RR WPR, SEO ACCY, TBC ACCY, TBC IGN 0, and WS WPR Fuses
Ignition Switch - ACCY/RUN/START, RUN, and START Busses, IGN A and CRANK Fuses
Power, Ground, DLC, and Splice Pack SP205
G203 - 3 of 3