GM Service Manual Online
For 1990-2009 cars only
Makes
🢒
Cadillac
🢒
2005
🢒
Escalade EXT
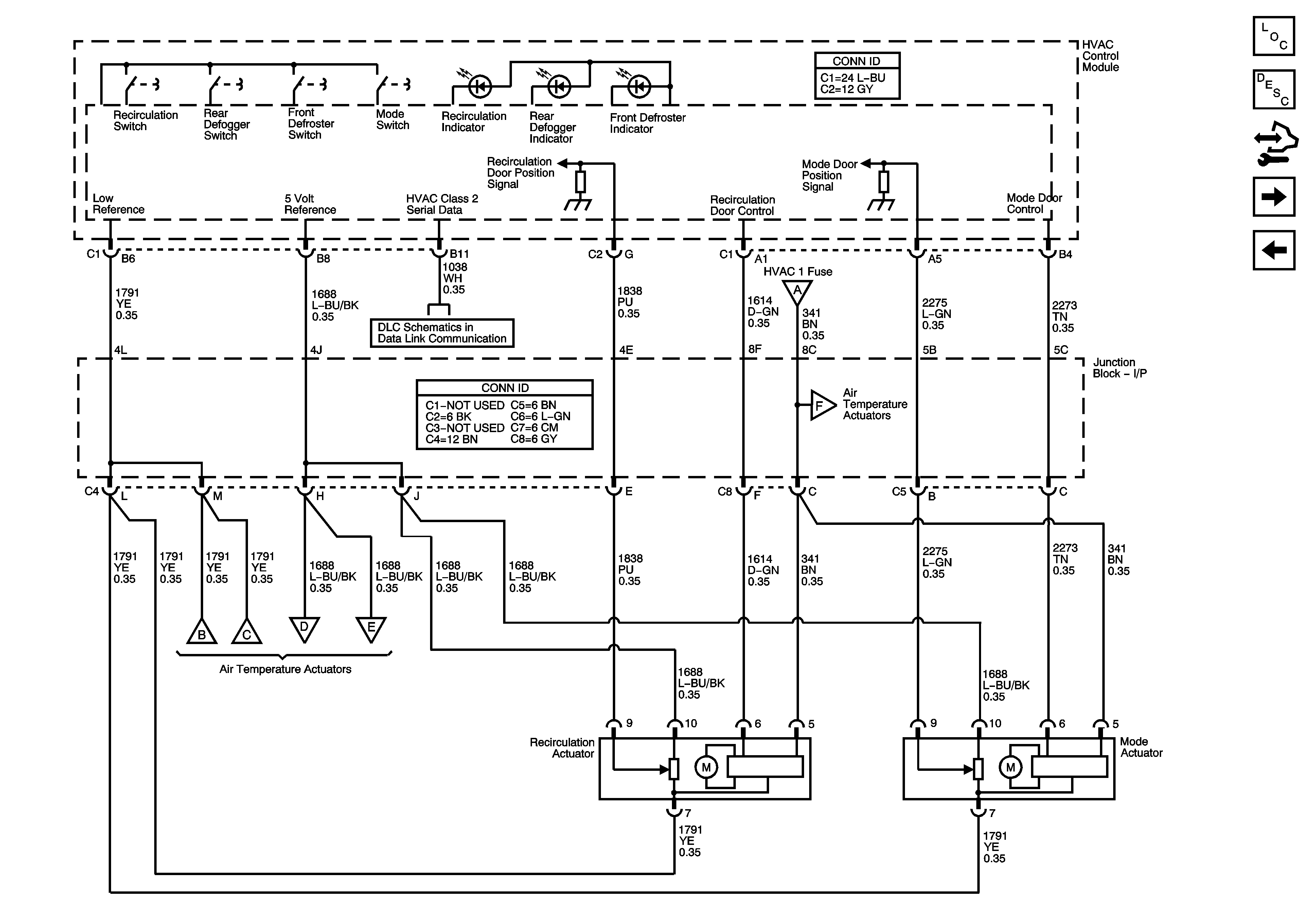
🢒 Mode and Recirculation Controls, Front Defrost and Rear Defog Controls
Mode and Recirculation Controls, Front Defrost and Rear Defog Controls
Mode and Recirculation Controls, Front Defrost and Rear Fefog Controls
Master Electrical Component List
Air Delivery Description and Operation
Control Module References
Temperature Controls and Sunload Sensors
Power, Ground, Serial Data, and Front Blower Controls
Power, Ground, DLC, and Splice Pack SP205
Power, Ground, Serial Data, and Front Blower Controls
Temperature Controls and Sunload Sensors
Temperature Controls and Sunload Sensors