GM Service Manual Online
For 1990-2009 cars only
Makes
🢒
Cadillac
🢒
2005
🢒
Escalade EXT
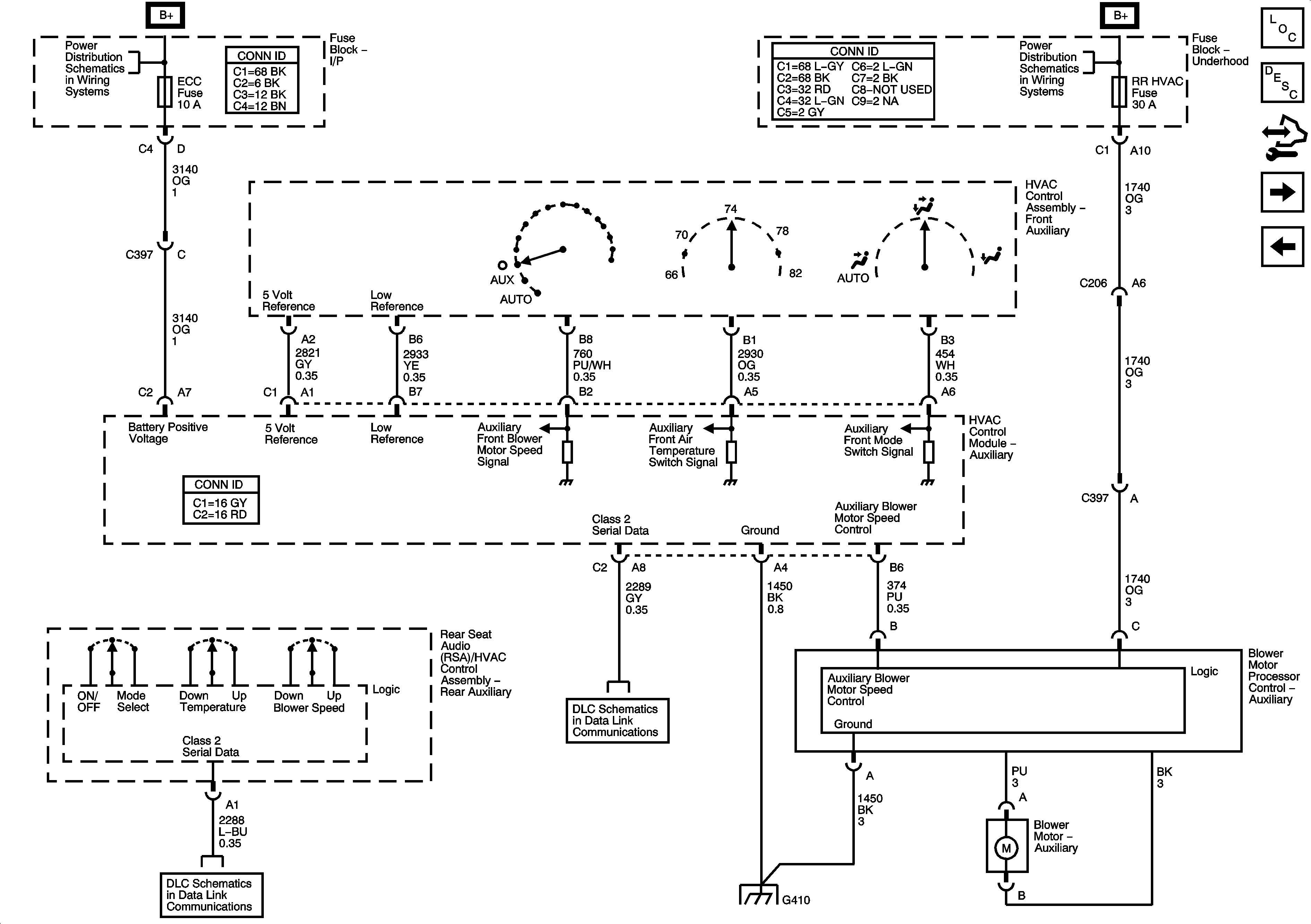
🢒 Auxiliary HVAC Controls, Long Wheelbase - 1 of 2
Auxiliary HVAC Controls, Long Wheelbase - 1 of 2
Auxiliary HVAC Controls, Long Wheelbase -- 1 of 2
Master Electrical Component List
Air Delivery Description and Operation
Control Module References
Auxiliary HVAC Controls, Long Wheelbase - 2 of 2
Air Temperature Sensors
AUX PWR, AUX PWR 2, DDM, ECC, LBEC 2, LOCKS, PCM B, and PDM Fuses
BLOWER, FLASH, HVAC/ECAS, LBEC 1, RR DEFOG, RR HVAC, TBC 2A, TBC 2B, and TBC 2C Fuses, and LT DOOR Breaker
G410 - 2 of 3 Auxiliary HVAC, Long Wheelbase
Splice Pack SP206
Splice Pack SP207