GM Service Manual Online
For 1990-2009 cars only
Makes
🢒
Cadillac
🢒
2005
🢒
Escalade EXT
🢒 Interior Park
Interior Park
Interior Park
Master Electrical Component List
Exterior Lighting Systems Description and Operation
Control Module References
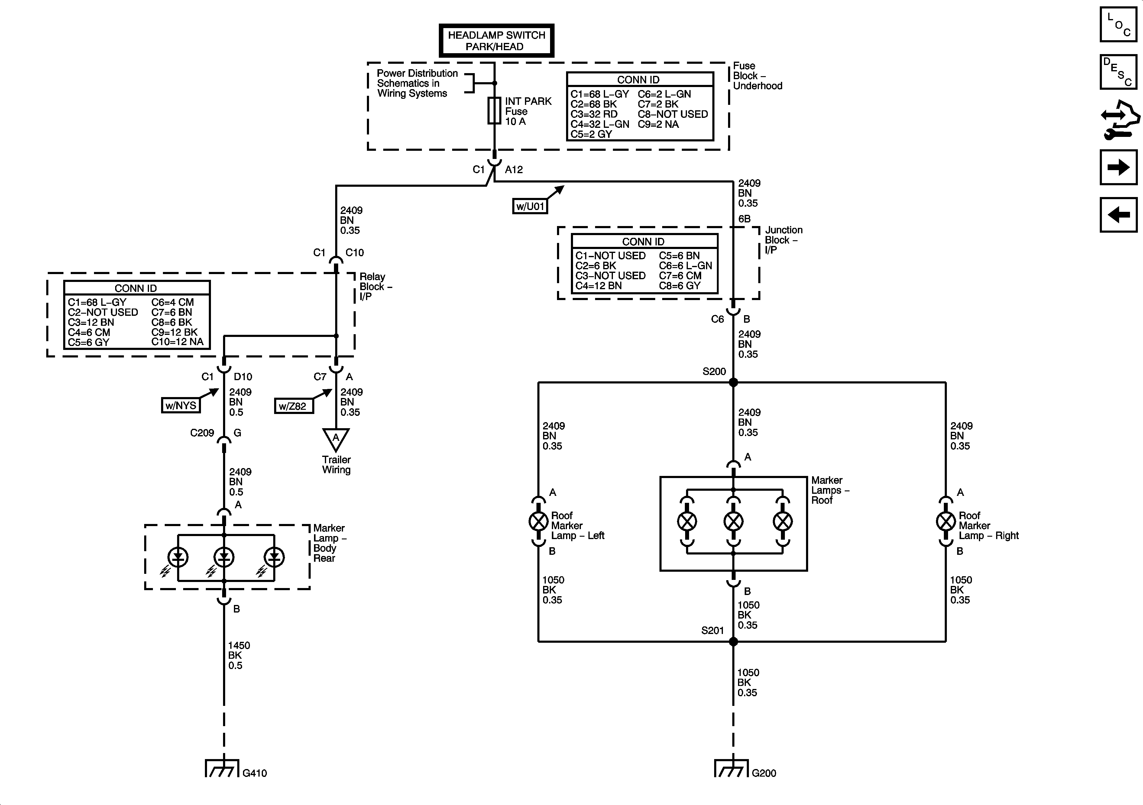
Rear Park Lamps - w/o Z75
Front Park Lamps - VD1
FRT PARK, INT PARK, and TRL PARK Fuses - Except VD1
Trailer Wiring
G200 - 1 of 3
G410 1 of 3