GM Service Manual Online
For 1990-2009 cars only
Makes
🢒
Cadillac
🢒
2005
🢒
Escalade EXT
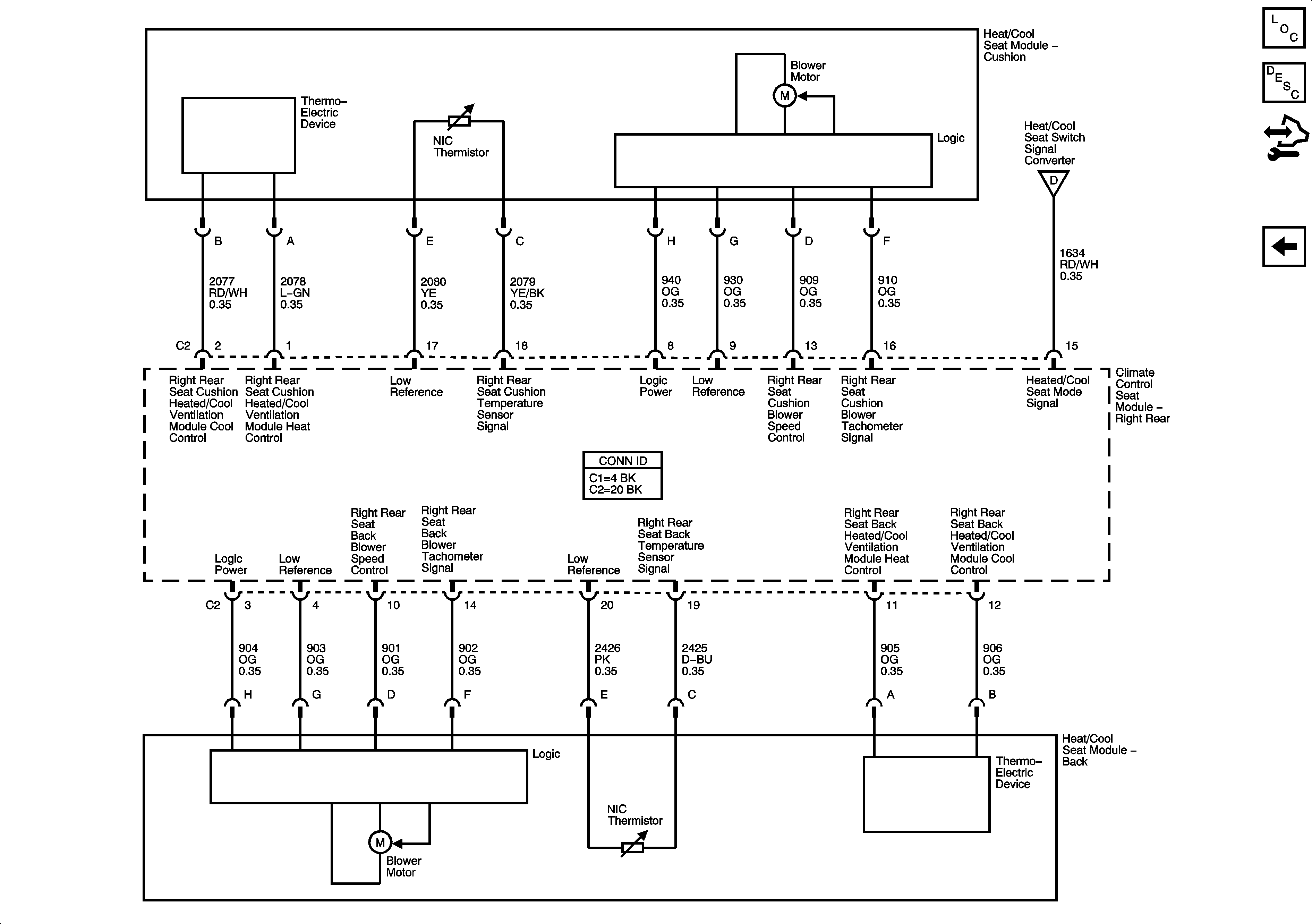
🢒 Right Rear (w/ULT) - 4 of 4
Right Rear (w/ULT) - 4 of 4
Right Rear w/ULT 4 of 4
Master Electrical Component List
Heated/Cooled Seats Description and Operation
Control Module References
Right Rear (w/ULT) - 3 of 4
Right Rear (w/ULT) - 3 of 4