GM Service Manual Online
For 1990-2009 cars only
Makes
🢒
Cadillac
🢒
2005
🢒
Escalade EXT
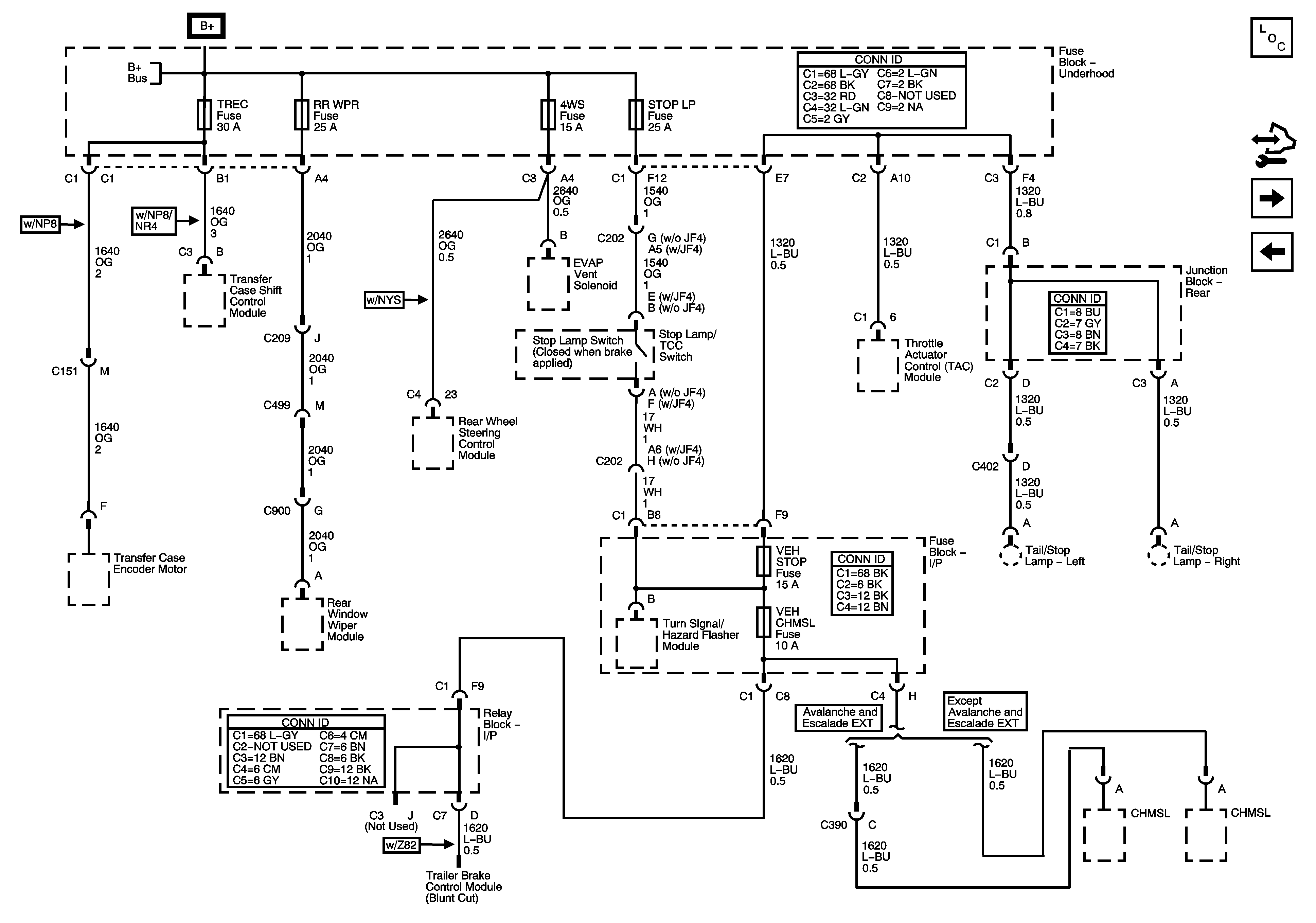
🢒 RR WPR, STOP LP, TREC, VEH CHMSL, VEH STOP, and 4WS Fuses
RR WPR, STOP LP, TREC, VEH CHMSL, VEH STOP, and 4WS Fuses
RR WPR, STIP LO, TREC, VEH CHMSL, VEH STOP, and 4WS Fuses
Master Electrical Component List
Control Module References
IPC/DIC, LH HID, RH HID, SEO B1, SEO B2, and TBC BATT Fuses
RADIO, RADIO AMP, and S/ROOF Fuses
B+ Bus - 1 of 2