GM Service Manual Online
For 1990-2009 cars only
Makes
🢒
Cadillac
🢒
2005
🢒
Escalade EXT
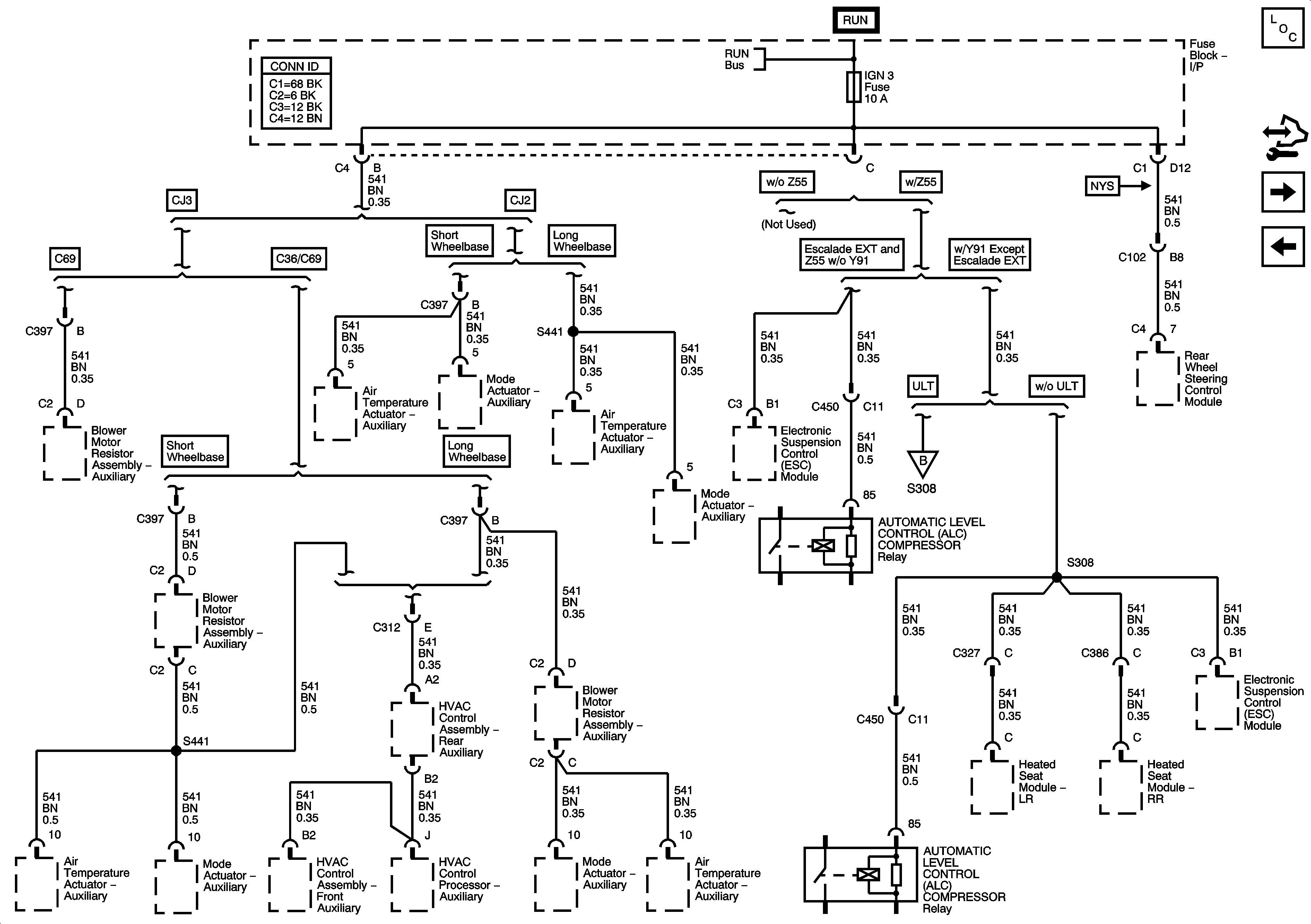
🢒 IGN 3 Fuse - 1 of 2
IGN 3 Fuse - 1 of 2
IGN 3 Fuse -- 1 of 2
Master Electrical Component List
Control Module References
IGN 3 Fuse (ULT) - 2 of 2
IGN 0, RR WPR, SEO ACCY, TBC ACCY, TBC IGN 0, and WS WPR Fuses
IGN 3 Fuse (ULT) - 2 of 2
Ignition Switch - ACCY/RUN/START, RUN, and START Busses, IGN A and CRANK Fuses