GM Service Manual Online
For 1990-2009 cars only
Makes
🢒
Cadillac
🢒
2005
🢒
Escalade EXT
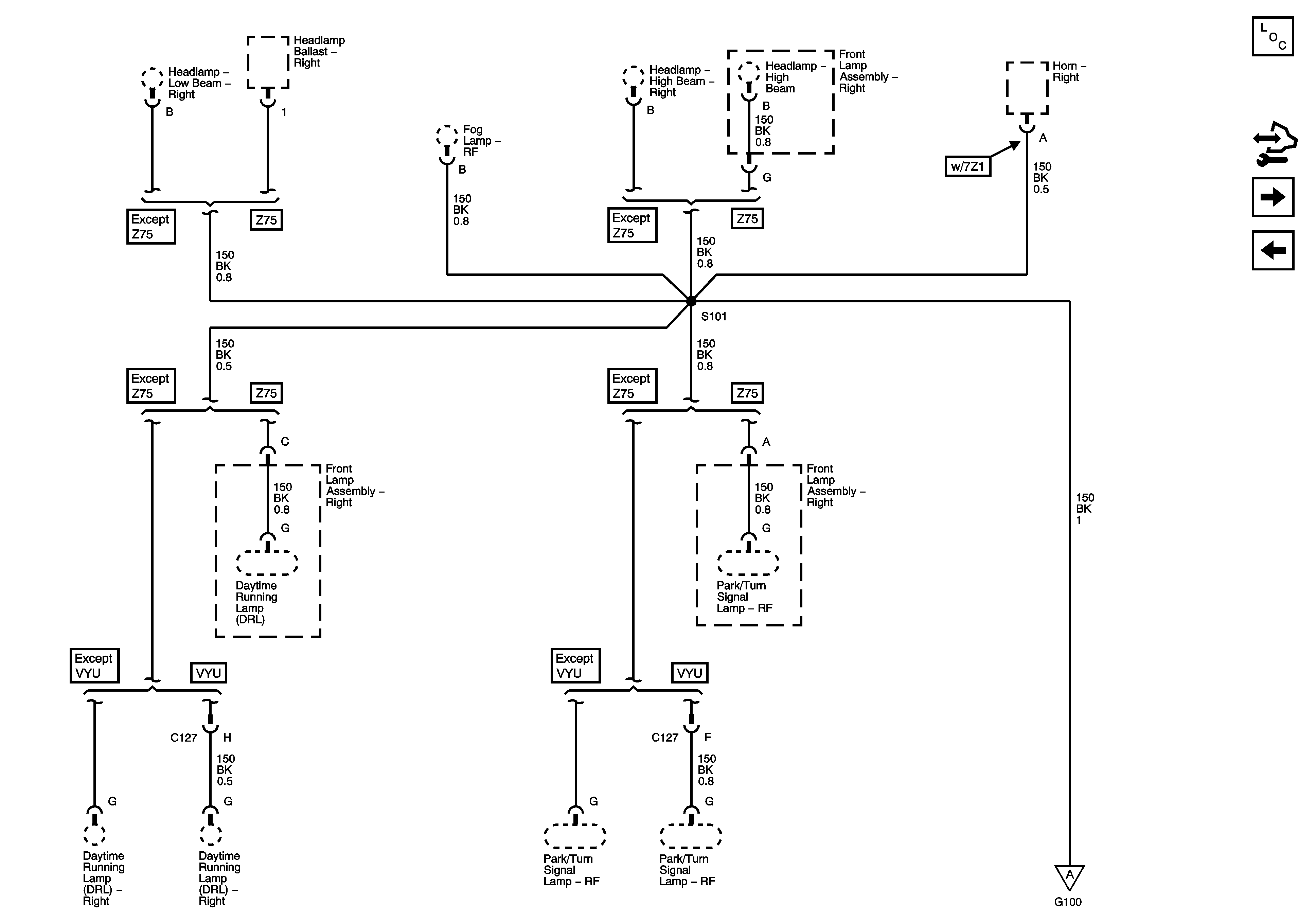
🢒 G100 and G105 - 2 of 4
G100 and G105 - 2 of 4
G100 and G105 -- 2 of 4 -- S101 Except VD1
Master Electrical Component List
Control Module References
G100 and G105 - 3 of 4
G100 and G105 - 1 of 4
G100 and G105 - 1 of 4