GM Service Manual Online
For 1990-2009 cars only
Makes
🢒
Cadillac
🢒
2005
🢒
Escalade EXT
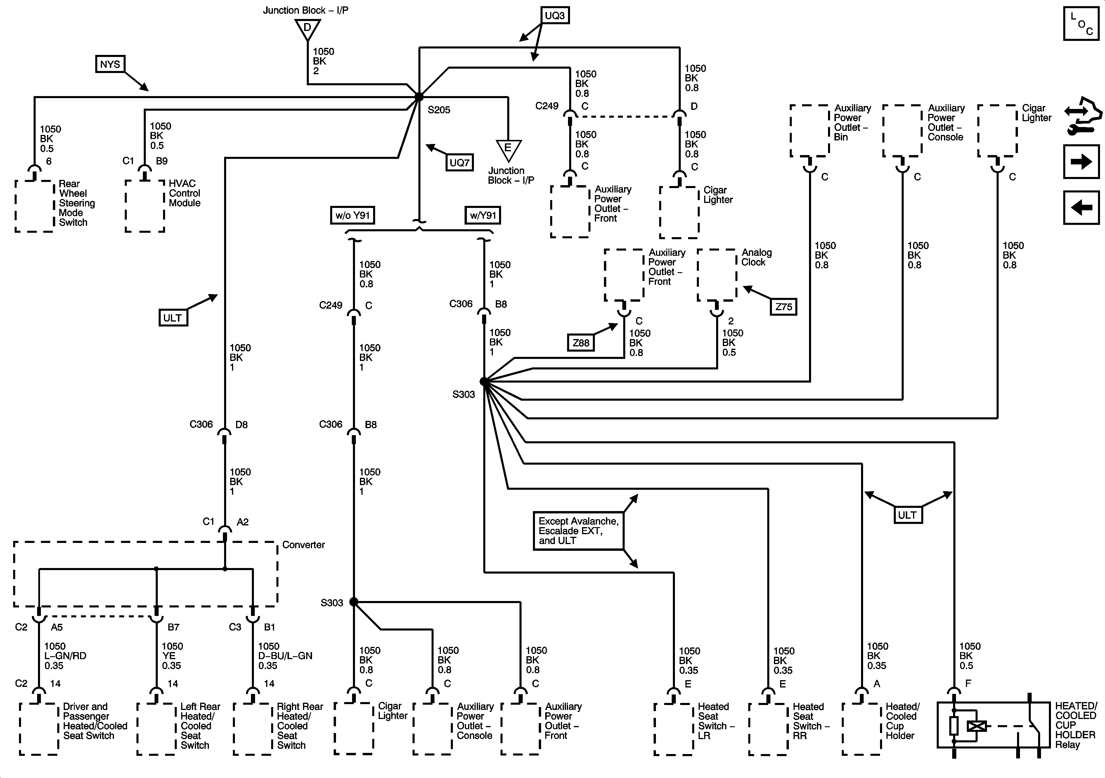
🢒 G200 - 2 of 3
G200 - 2 of 3
G200 - 2 of 3
Master Electrical Component List
Control Module References
G200 - 3 of 3 - S345
G200 - 1 of 3
G200 - 1 of 3
G200 - 1 of 3