GM Service Manual Online
For 1990-2009 cars only
Makes
🢒
Cadillac
🢒
2005
🢒
Escalade EXT
🢒 Power and Pedals Controls
Power and Pedals Controls
Power and Pedals Controls
Master Electrical Component List
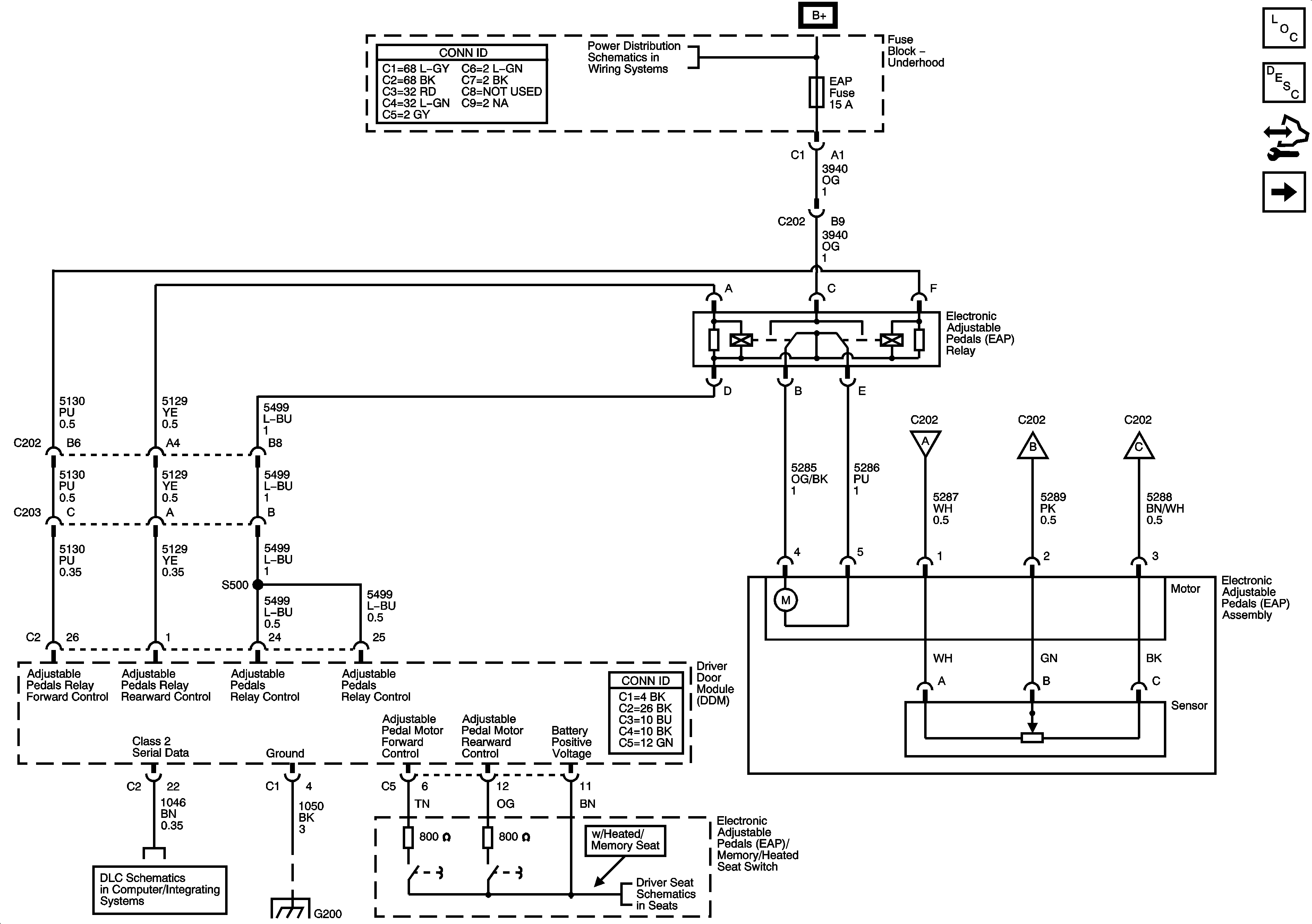
Adjustable Pedals Description and Operation
Control Module References
Memory Seat Module
B+ Bus - 1 of 2
Memory Seat Module
Heated Seat Controls - Driver
G200 - 3 of 3 - S345
Power, Ground, DLC, and Splice Pack SP205