GM Service Manual Online
For 1990-2009 cars only
Makes
🢒
Cadillac
🢒
2005
🢒
Escalade EXT
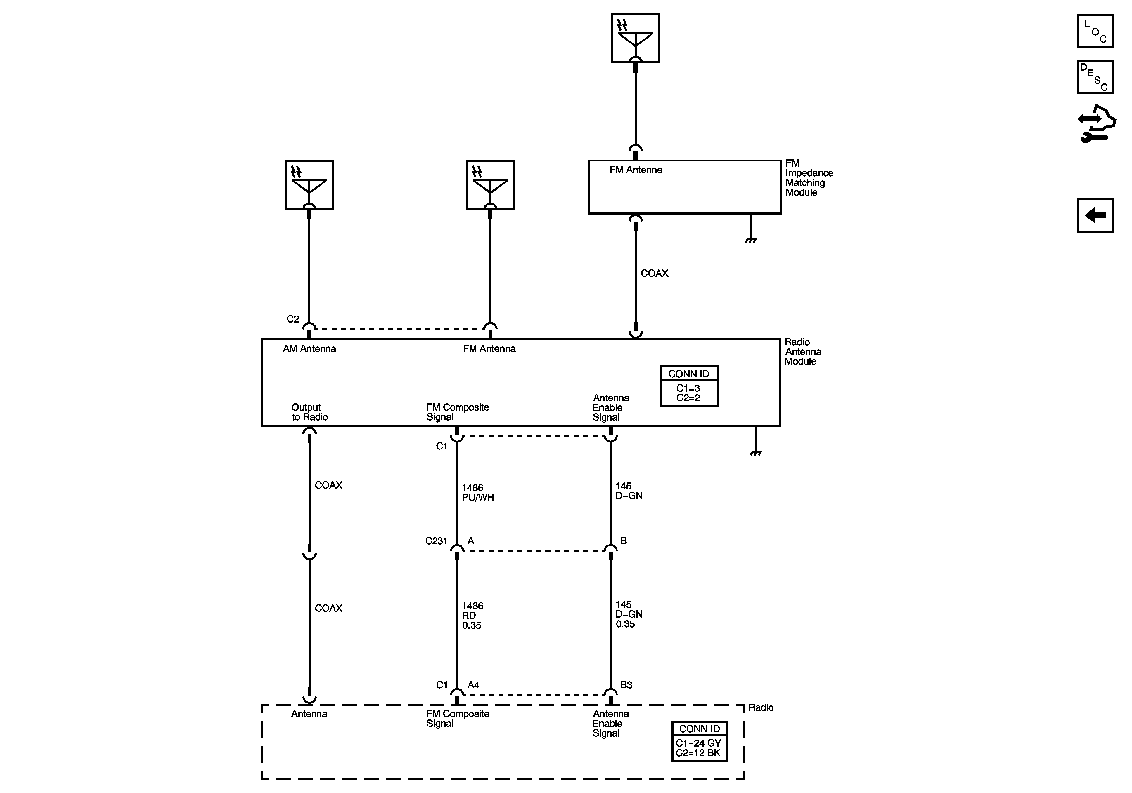
🢒 Antenna Module - Escalade except EXT
Antenna Module - Escalade except EXT
Antenna Module
Master Electrical Component List
Radio/Audio System Description and Operation
Control Module References
Speakers