GM Service Manual Online
For 1990-2009 cars only
Makes
🢒
Cadillac
🢒
2005
🢒
Escalade EXT
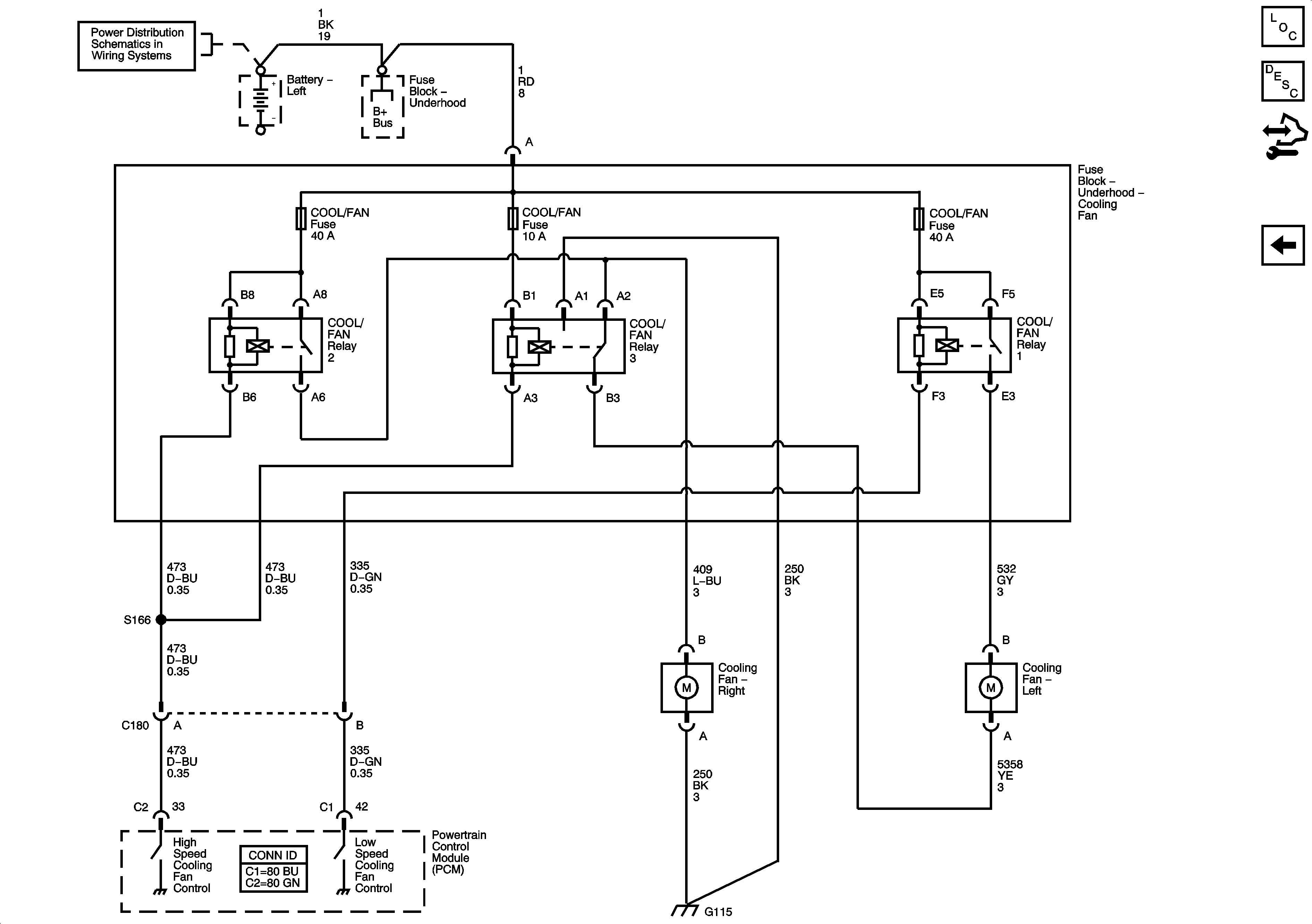
🢒 Fan Controls - Except L18
Fan Controls - Except L18
Fan Controls -- 1500 Series
Master Electrical Component List
Cooling System Description and Operation
Control Module References
Engine Coolant Level Switch - L18
B+ Bus - 1 of 2