GM Service Manual Online
For 1990-2009 cars only
Makes
🢒
Cadillac
🢒
2005
🢒
Escalade EXT
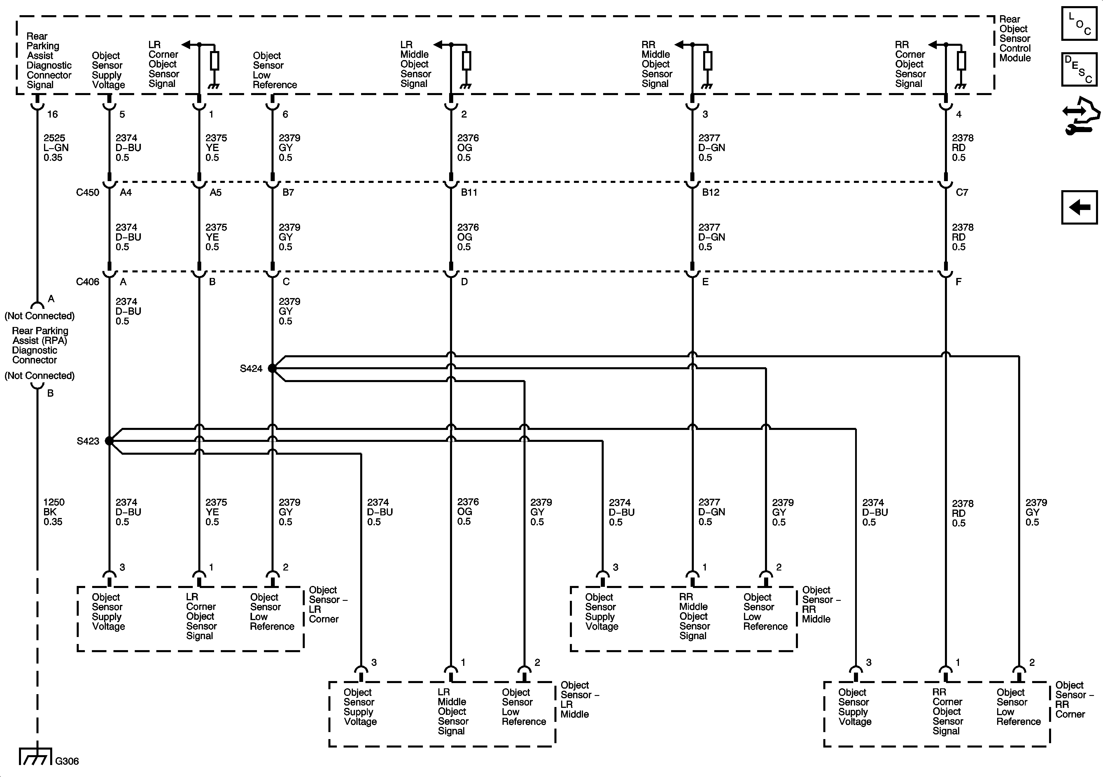
🢒 Rear Object Sensor Control Module and Object Sensors- Escalade EXT
Rear Object Sensor Control Module and Object Sensors- Escalade EXT
Rear Object Sensor Control Module and Object Sensors -- Escalade EXT
Master Electrical Component List
Object Detection Description and Operation
Control Module References
Rear Object Sensor Control Module, RPA Display, and RPA Disable Switch - Escalade EXT
G306