GM Service Manual Online
For 1990-2009 cars only

    Object Number: 1310056  Size: SH
  1. Remove the vacuum plug (513), if required.

  2. Object Number: 1310037  Size: SH
  3. Remove the throttle body nuts (503).
  4. Remove the throttle body (502) and gasket (501).
  5. Remove the studs (504), if required.

  6. Object Number: 1198692  Size: SH
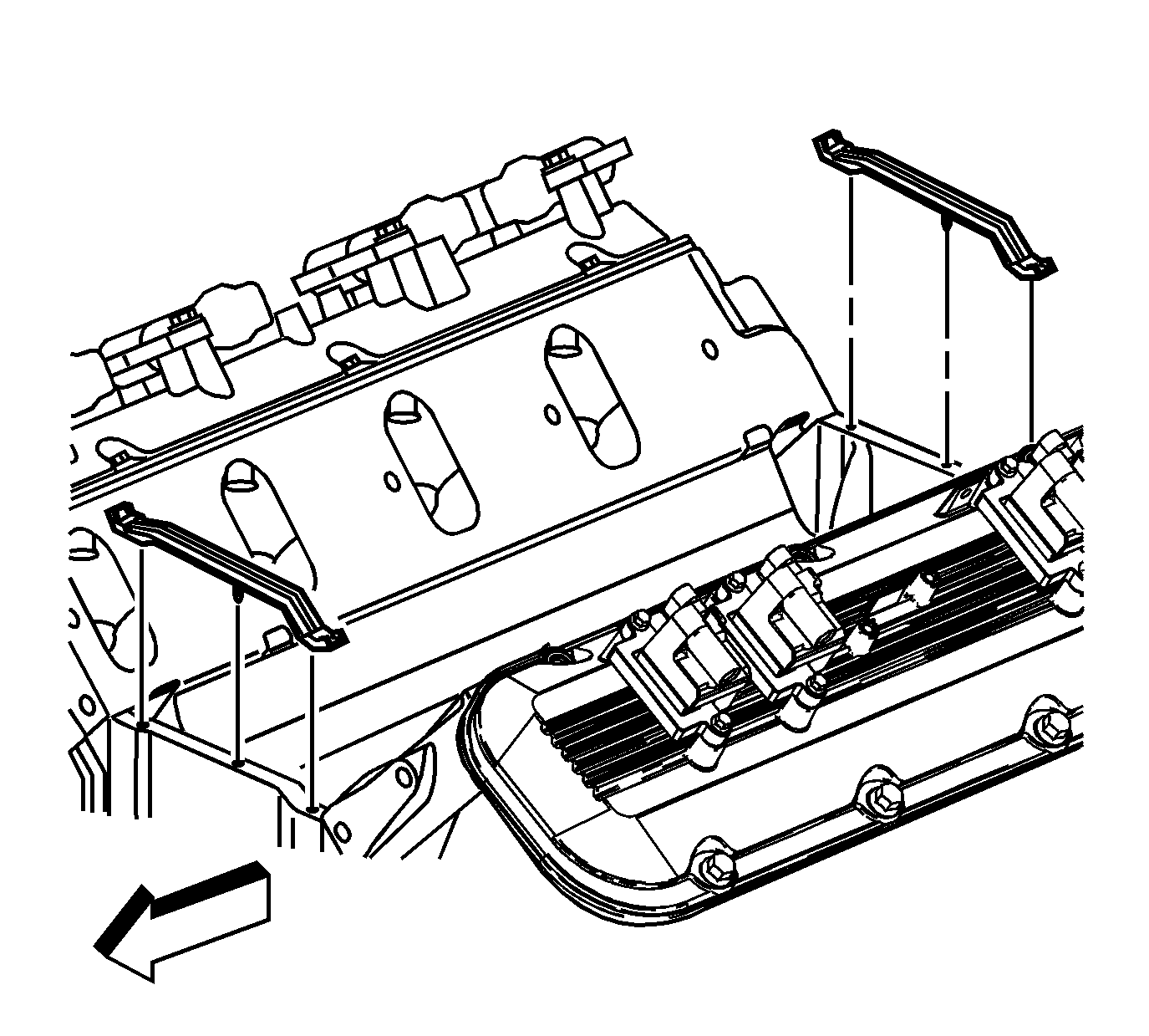
  7. Remove the fuel injection fuel rail bolts/studs.
  8. Remove the fuel injection fuel rail with injectors.

  9. Object Number: 1397564  Size: SH
  10. Remove the intake manifold bolts.
  11. Important: Do not attempt to loosen the manifold by prying under the gasket surface with any tool.

  12. Remove the intake manifold.

  13. Object Number: 1397570  Size: SH

    Important: The intake manifold gaskets are not reusable.

  14. Remove and discard the intake manifold side gaskets.

  15. Object Number: 1309980  Size: SH
  16. Remove and discard the intake manifold end seals.

  17. Object Number: 1309982  Size: SH

    Important: The splash shield is secured using a snap-in fit. Do not distort the splash shield. The splash shield is reusable.

  18. Remove the splash shield.