GM Service Manual Online
For 1990-2009 cars only

Tools Required

J 45059 Angle Meter

Removal Procedure


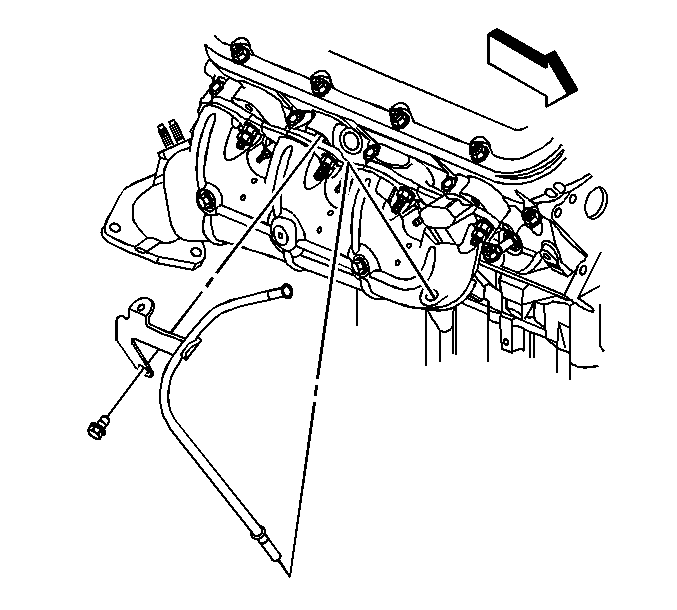
    Object Number: 843867  Size: SH
  1. Drain the cooling system. Refer to Cooling System Draining and Filling .
  2. Remove the intake manifold. Refer to Intake Manifold Replacement .
  3. Remove the valve rocker arms and pushrods. Refer to Valve Rocker Arm and Push Rod Replacement .
  4. Remove the engine coolant temperature (ECT) sensor clip from the bracket.
  5. Remove the ECT sensor from the cylinder head.

  6. Object Number: 843863  Size: SH
  7. Remove the indicator tube bolt.
  8. Remove the indicator tube bracket.
  9. Remove the O-ring seal from the indicator tube.

  10. Object Number: 750695  Size: SH
  11. Remove the heater inlet and outlet hoses from the hose bracket.
  12. Remove the heater hose bracket bolts and bracket from the cylinder head.
  13. Remove the water crossover. Refer to Engine Coolant Crossover Pipe Replacement .
  14. Remove the exhaust manifold. Refer to Exhaust Manifold Replacement - Right Side .

  15. Object Number: 470989  Size: SH
  16. Remove and discard the cylinder head bolts (1, 2, 3).

  17. Object Number: 470991  Size: SH

    Important: Place the cylinder head on 2 wood blocks to prevent damage to the sealing surface.

  18. Remove the cylinder head.

  19. Object Number: 470992  Size: SH
  20. Remove and discard the cylinder head gasket.
  21. Clean and inspect the cylinder head. Refer to Cylinder Head Cleaning and Inspection .

Installation Procedure

Important: Make sure the threaded holes in the engine block are clean and not damaged. Do not use sealer on any engines that use a composition type gasket. Align the cylinder head gasket locating mark to face up. Ensure that the head gasket tabs are located over the numbers 1 and 2 cylinders for correct installation.


    Object Number: 470992  Size: SH
  1. Place a NEW cylinder head gasket into position.

  2. Object Number: 470991  Size: SH
  3. Install the cylinder head.

  4. Object Number: 470989  Size: SH

    Notice: Do not reuse the cylinder head bolts. NEW cylinder head bolts must be used. The cylinder head bolts are torque-to-yield bolts and cannot be reused once the initial torque is applied. During the initial torque of the cylinder head bolt the cylinder head bolt is stretched to achieve proper clamp load. Proper clamp load will not be achieved if a used cylinder head bolt is torqued again. A stretched cylinder head bolt can also break when torqued. Failure to replace the used cylinder head bolts with NEW cylinder head bolts can lead to improper clamp loads and extensive engine damage.

    Important: The sealer must be applied to a minimum of eight threads starting at the point of the cylinder head bolt.

  5. If not pre-applied to the new cylinder heads bolts, apply sealant. Refer to Adhesives, Fluids, Lubricants, and Sealers for the correct part number.
  6. Install the cylinder head bolts (1, 2, 3).
  7. Notice: Refer to Fastener Notice in the Preface section.


    Object Number: 470987  Size: SH

    Important: The long bolts are used in locations 1, 2, 3, 6, 7, 8, 9, 10, 11, 14, 16, and 17. The medium length bolts are used in locations 15 and 18. The short bolts are used in locations 4, 5, 12, and 13.

  8. Tighten the cylinder head bolts.
  9. Tighten

    1. Tighten the cylinder head bolts a first pass in sequence to 30 N·m (22 lb ft).
    2. Tighten the cylinder head bolts a second pass in sequence to 30 N·m (22 lb ft) then an additional 120 degrees using J 45059 .
    3. Tighten the bolts (1, 2, 3, 6, 7, 8, 9, 10, 11, 14, 16, and 17) an additional 60 degrees, bolts (15, and 18) an additional 45 degrees, and bolts (4, 5, 12, and 13) an additional 30 degrees a final pass using J 45059 .
  10. Install the exhaust manifold. Refer to Exhaust Manifold Replacement - Right Side .
  11. Install the water crossover. Refer to Engine Coolant Crossover Pipe Replacement .

  12. Object Number: 750695  Size: SH
  13. Install the heater hose bracket and bolts to the cylinder head.
  14. Tighten
    Tighten the heater hose bracket bolts to 50 N·m (37 lb ft).

  15. Install the heater inlet and outlet hoses to the hose bracket.

  16. Object Number: 843863  Size: SH
  17. Install a NEW O-ring seal onto the indicator tube.
  18. Install the indicator tube into the oil pan.
  19. Align the indicator tube bracket with the bolt hole in the block.
  20. Install the indicator tube bolt.
  21. Tighten
    Tighten the bolt to 25 N·m (18 lb ft).


    Object Number: 843867  Size: SH
  22. Apply sealant to the threads of the ECT sensor. Refer to Adhesives, Fluids, Lubricants, and Sealers for the correct part number.
  23. Install the ECT sensor to the cylinder head.
  24. Tighten
    Tighten the ECT sensor to 50 N·m (37 lb ft).

  25. Install the ECT sensor clip to the bracket.
  26. Install the valve rocker arms and pushrods. Refer to Valve Rocker Arm and Push Rod Replacement .
  27. Install the intake manifold. Refer to Intake Manifold Replacement .
  28. Drain the cooling system. Refer to Cooling System Draining and Filling .