GM Service Manual Online
For 1990-2009 cars only

Coolant Heater Cord Replacement 4.8L, 5.3L (except RPO L33), 6.0L

Removal Procedure


    Object Number: 661139  Size: SH
  1. Raise and suitably support the vehicle. Refer to Lifting and Jacking the Vehicle in General Information.
  2. Disconnect the coolant heater electrical connector (2).

  3. Object Number: 661277  Size: SH
  4. Remove the coolant heater cord retainer and bolts.
  5. Remove the coolant heater cord.

Installation Procedure

Notice: The heater cord must not touch the engine, hot pipes, manifold, or any moving parts. Route the cord to the left front of the engine compartment securing with tie straps as necessary to prevent damage.


    Object Number: 661277  Size: SH
  1. Install the coolant heater cord.
  2. Notice: Use the correct fastener in the correct location. Replacement fasteners must be the correct part number for that application. Fasteners requiring replacement or fasteners requiring the use of thread locking compound or sealant are identified in the service procedure. Do not use paints, lubricants, or corrosion inhibitors on fasteners or fastener joint surfaces unless specified. These coatings affect fastener torque and joint clamping force and may damage the fastener. Use the correct tightening sequence and specifications when installing fasteners in order to avoid damage to parts and systems.

  3. Install the coolant heater cord bolts and retainer.
  4. Tighten
    Tighten the bolts to 8 N·m (71 lb in).


    Object Number: 661139  Size: SH
  5. Connect the coolant heater electrical connector (2).
  6. Lower the vehicle.

Coolant Heater Cord Replacement 5.3L (w/RPO L33)

Removal Procedure


    Object Number: 1705641  Size: SH
  1. Raise and support the vehicle. Refer to Lifting and Jacking the Vehicle .
  2. Disconnect the coolant heater cord from the coolant heater.

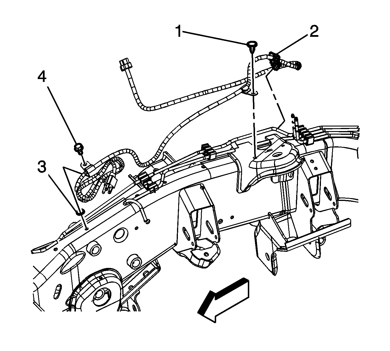
  3. Object Number: 1705642  Size: SH
  4. Remove the coolant heater cord clip (2) from the front brake pipe front pipe.
  5. Remove the coolant heater cord retainer (1) and bolt (4). Ensure that the washer (3) is also removed.
  6. Remove the coolant heater cord.

Installation Procedure

Notice: The heater cord must not touch the engine, hot pipes, manifold, or any moving parts. Route the cord to the left front of the engine compartment securing with tie straps as necessary to prevent damage.


    Object Number: 1705642  Size: SH
  1. Install the coolant heater cord.
  2. Install the coolant heater cord retainer (1) and bolt (4). Ensure that the washer (3) is installed under the cord clip and on the bolt (4).
  3. Tighten
    Tighten the bolt to 8 N·m (71 lb in).

  4. Install the coolant heater cord clip (2) to the front brake pipe front pipe.

  5. Object Number: 1705641  Size: SH
  6. Connect the coolant heater cord to the coolant heater.
  7. Lower the vehicle.