GM Service Manual Online
For 1990-2009 cars only

Removal Procedure


    Object Number: 843859  Size: SH
  1. Remove the oil level indicator from the indicator tube.

  2. Object Number: 843867  Size: SH
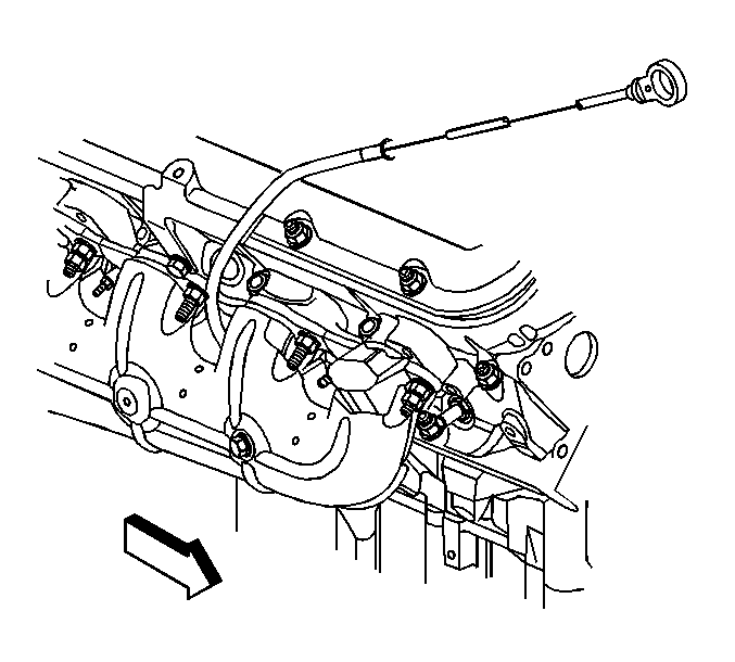
  3. Disconnect the engine coolant temperature (ECT) sensor electrical connector.
  4. Remove the ECT sensor connector from the indicator tube.

  5. Object Number: 843863  Size: SH
  6. Remove the indicator tube bolt.
  7. Remove the indicator tube bracket.
  8. Remove the O-ring seal from the indicator tube.

Installation Procedure

Important: Make sure the indicator tube does not come in contact with spark plug wires. Ensure that the spark plug wires are routed around the indicator tube.


    Object Number: 843863  Size: SH
  1. Install a NEW O-ring seal onto the indicator tube.
  2. Install the indicator tube into the oil pan.
  3. Align the indicator tube bracket with the bolt hole in the block.
  4. Notice: Use the correct fastener in the correct location. Replacement fasteners must be the correct part number for that application. Fasteners requiring replacement or fasteners requiring the use of thread locking compound or sealant are identified in the service procedure. Do not use paints, lubricants, or corrosion inhibitors on fasteners or fastener joint surfaces unless specified. These coatings affect fastener torque and joint clamping force and may damage the fastener. Use the correct tightening sequence and specifications when installing fasteners in order to avoid damage to parts and systems.

  5. Install the indicator tube bolt.
  6. Tighten
    Tighten the bolt to 25 N·m (18 lb ft).


    Object Number: 843867  Size: SH
  7. Install the ECT sensor connector to the indicator tube.
  8. Connect the ECT sensor electrical connector.

  9. Object Number: 843859  Size: SH
  10. Install the oil level indicator to the indicator tube.