|
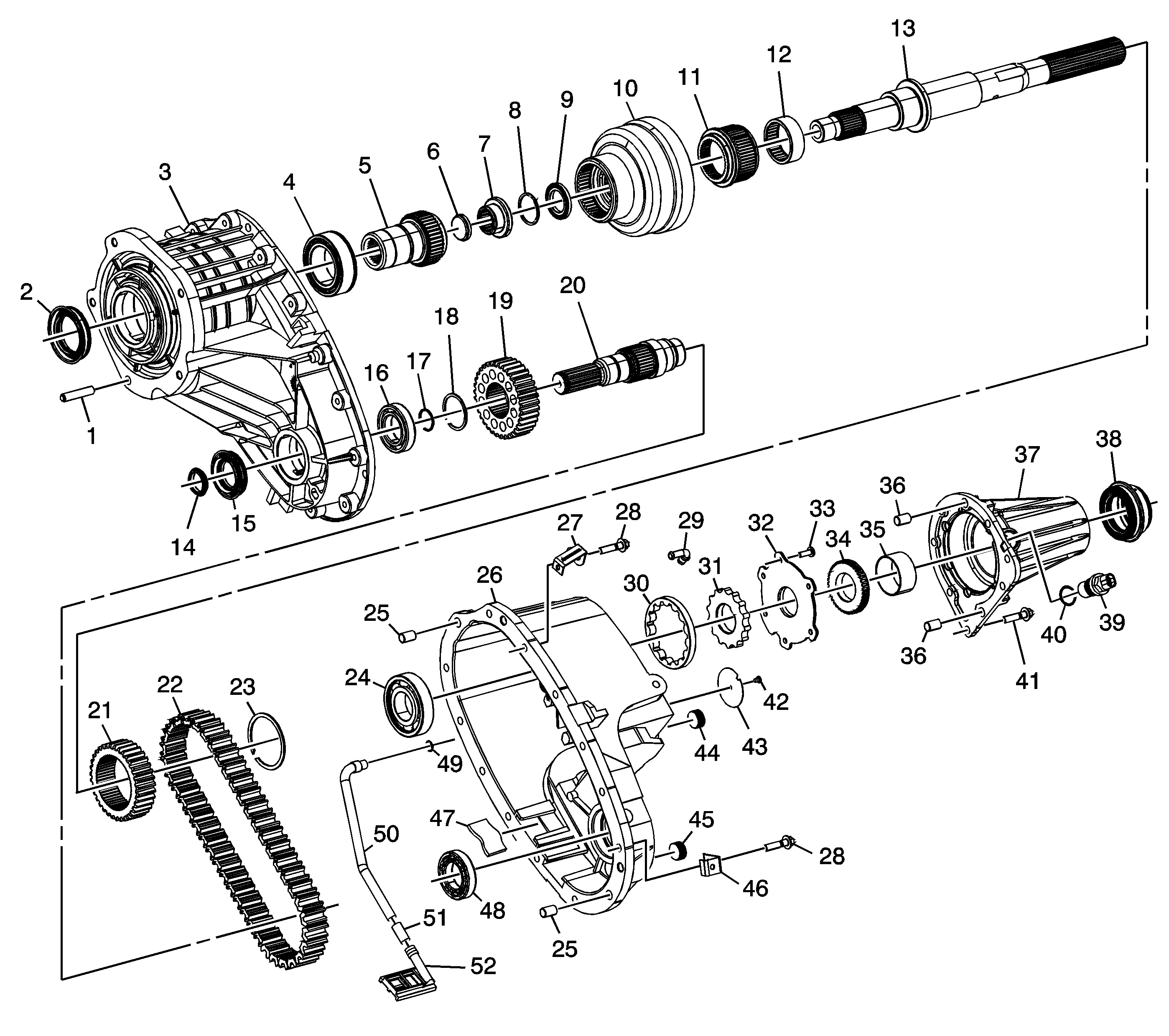
| (1) | Transfer Case Adapter Stud (Qty: 5) |
| (2) | Transfer Case Input Shaft Seal |
| (3) | Transfer Case Front Half Assembly |
| (4) | Transfer Case Front Input Double Row Ball Bearing |
| (5) | Transfer Case Input Shaft |
| (6) | Transfer Case Input Shaft Bore Seal |
| (7) | Transfer Case Input Gear Thrust Bearing |
| (8) | Transfer Case Wave Washer |
| (9) | Transfer Case Input Shaft Thrust Bearing Washer |
| (10) | Front/Rear Drive Differential Carrier Assembly |
| (11) | Transfer Case Four Wheel Drive Clutch Hub Assembly |
| (12) | Transfer Case Front Output Shaft Drive Sprocket Bearing |
| (13) | Transfer Case Rear Output Shaft |
| (14) | Transfer Case Shaft to Yoke Seal |
| (15) | Transfer Case Front Output Shaft Seal |
| (16) | Transfer Case Front Output Shaft Front Bearing |
| (17) | Transfer Case Front Output Shaft Bearing Retaining Yoke Ring |
| (18) | Transfer Case Two/Four Wheel Drive Driven Sprocket Outer Retaining Ring |
| (19) | Transfer Case Two/Four Wheel Drive Driven Sprocket |
| (20) | Transfer Case Front Output Shaft |
| (21) | Transfer Case Front Output Shaft Drive Sprocket |
| (22) | Transfer Case Two/Four Wheel Drive Chain |
| (23) | Transfer Case Two/Four Wheel Drive Drive Sprocket Outer Retaining Ring |
| (24) | Transfer Case Rear Output Shaft Bearing Assembly |
| (25) | Transfer Case Locating Pin (Qty: 2) |
| (25) | Transfer Case Locating Pin (Qty: 2) |
| (26) | Transfer Case Rear Case Half |
| (27) | Transfer Case Mainshaft Side Bracket |
| (28) | Transfer Case Bolts (Qty: 23) |
| (28) | Transfer Case Bolts (Qty: 23) |
| (29) | Transfer Case Vent Pipe |
| (30) | Transfer Case Oil Pump Driven Gear |
| (31) | Transfer Case Oil Pump Drive Gear |
| (32) | Transfer Case Oil Pump Cover |
| (33) | Transfer Case Oil Pump Cover Bolts (Qty: 6) |
| (34) | Transfer Case Rear Output Shaft Speed Reluctor Wheel |
| (35) | Transfer Case Extension Bushing |
| (36) | Transfer Case Locating Pin (Qty: 2) |
| (36) | Transfer Case Locating Pin (Qty: 2) |
| (37) | Transfer Case Rear Output Shaft Rear Bearing Retainer Assembly |
| (38) | Transfer Case Rear Output Shaft Seal |
| (39) | Vehicle Speed Sensor |
| (40) | Vehicle Speed Sensor O-Ring |
| (41) | Transfer Case Bolts (Qty: 23) |
| (42) | Pan Head 10-32 x 1/4 Thread Rolling Screw |
| (43) | Transfer Case Identification Tag |
| (44) | Transfer Case Oil Fill Plug |
| (45) | Transfer Case Oil Drain Plug |
| (46) | Transfer Case Front Shaft Side Bracket |
| (47) | Transfer Case Chip Collector Magnet |
| (48) | Transfer Case Front Output Shaft Rear Bearing |
| (49) | Transfer Case Oil Pump Suction Pipe O-Ring Seal |
| (50) | Transfer Case Oil Pump Suction Pipe |
| (51) | Transfer Case Oil Pump Hose |
| (52) | Transfer Case Oil Pump Screen |