GM Service Manual Online
For 1990-2009 cars only
Makes
🢒
Cadillac
🢒
2006
🢒
Escalade EXT
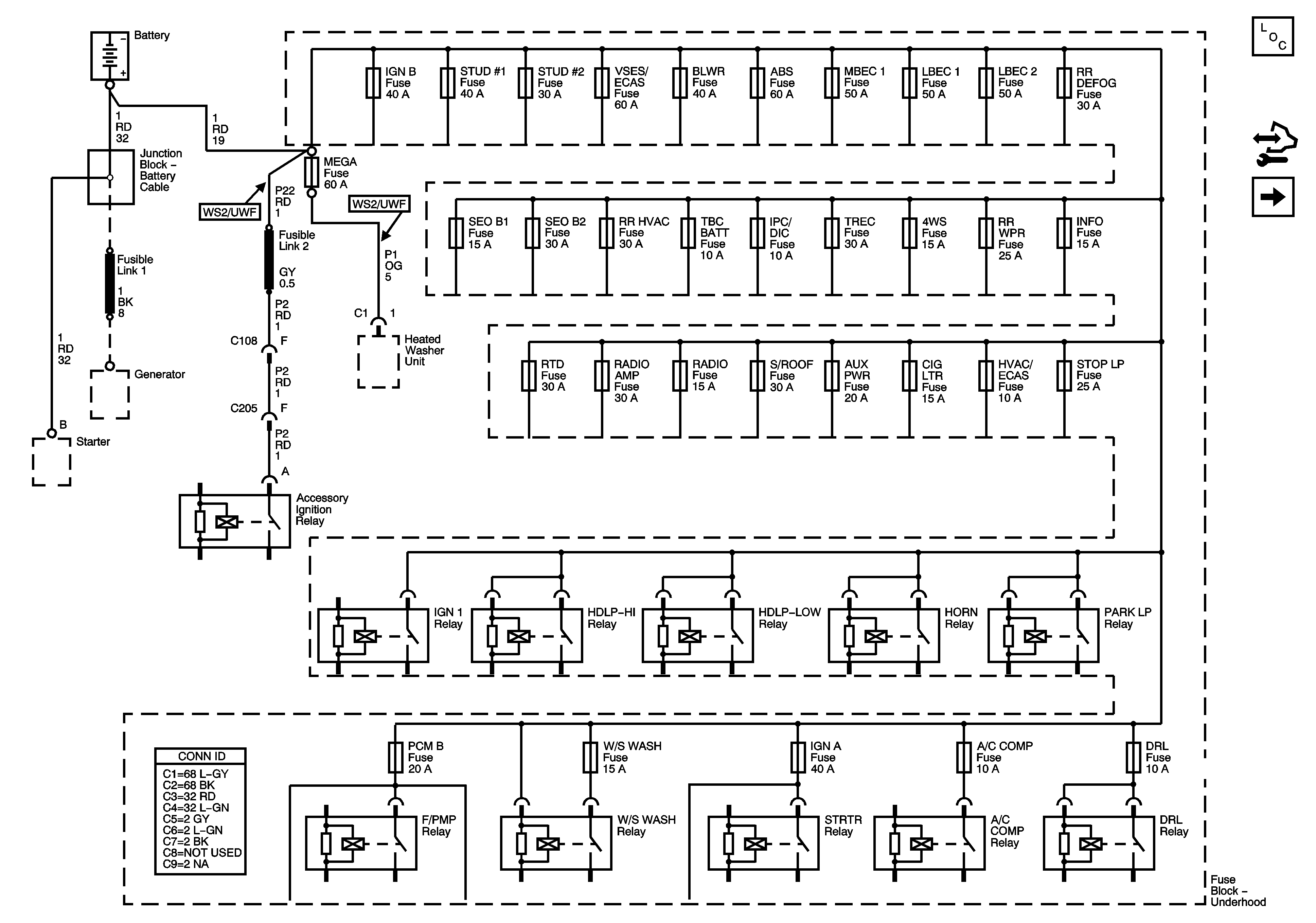
🢒 B+ Bus
B+ Bus
B+ Bus
Master Electrical Component List
Control Module References
ABS, BLOWER, MBEC, STUD 1, STUD 2, and VSES/ECAS Fuses and RT DOORS and SEATS Circuit Breakers