GM Service Manual Online
For 1990-2009 cars only
Makes
🢒
Cadillac
🢒
2006
🢒
Escalade EXT
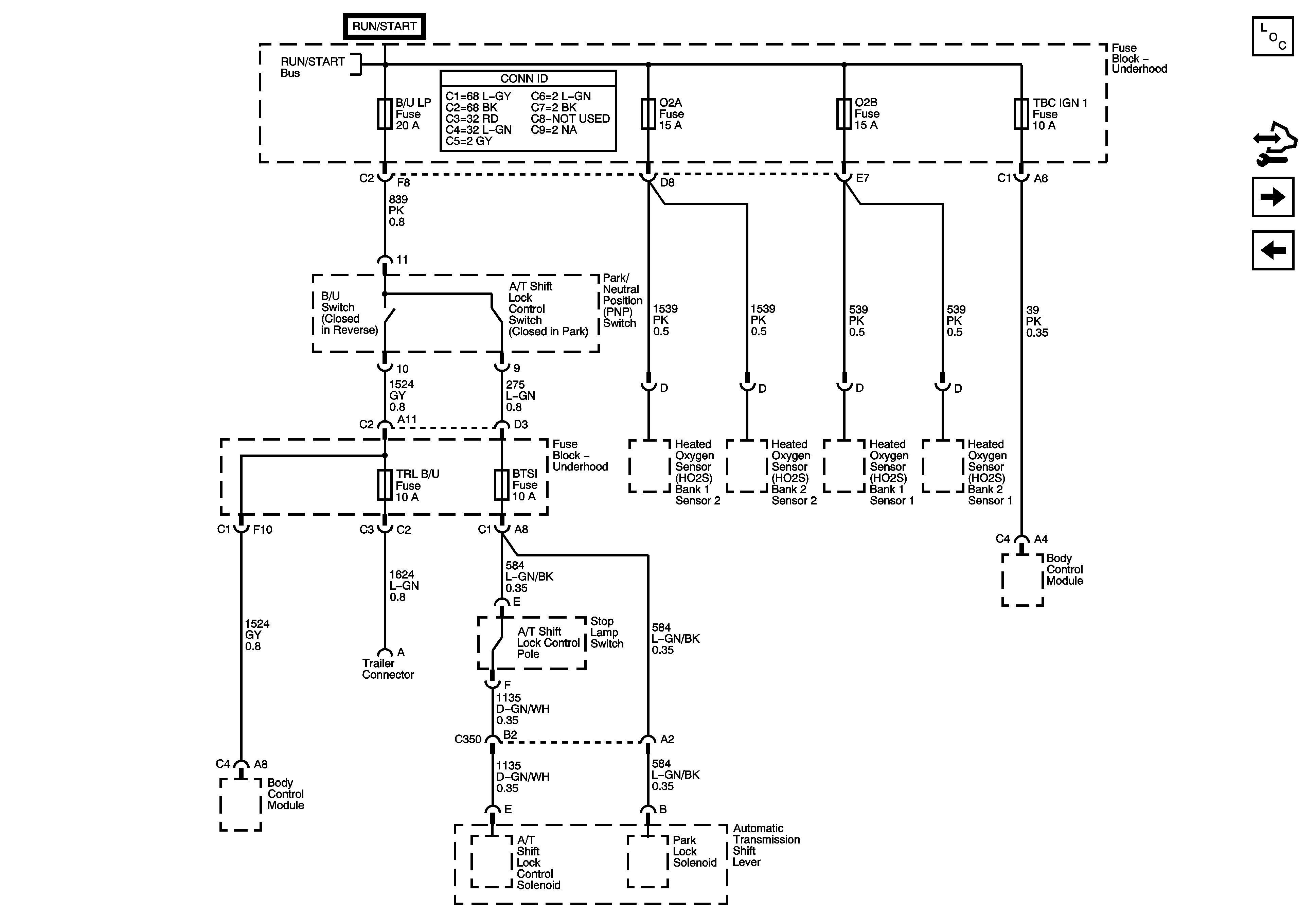
🢒 B/U LP, BTSI, 02A, 02B, TBC IGN1, and TRL B/U Fuses
B/U LP, BTSI, 02A, 02B, TBC IGN1, and TRL B/U Fuses
B/U LP, BTSI, 02A, 02B, TBC IGN1, and TRL B/U Fuses
Master Electrical Component List
Control Module References
AIR BAG, IGN E, and SEO IGN Fuses
Ignition Switch - ACCY/RUN and RUN/START Bus Bars and IGN B Fuse
Ignition Switch - ACCY/RUN and RUN/START Bus Bars and IGN B Fuse
Ignition Switch - ACCY/RUN and RUN/START Bus Bars and IGN B Fuse