GM Service Manual Online
For 1990-2009 cars only
Makes
🢒
Cadillac
🢒
2006
🢒
Escalade EXT
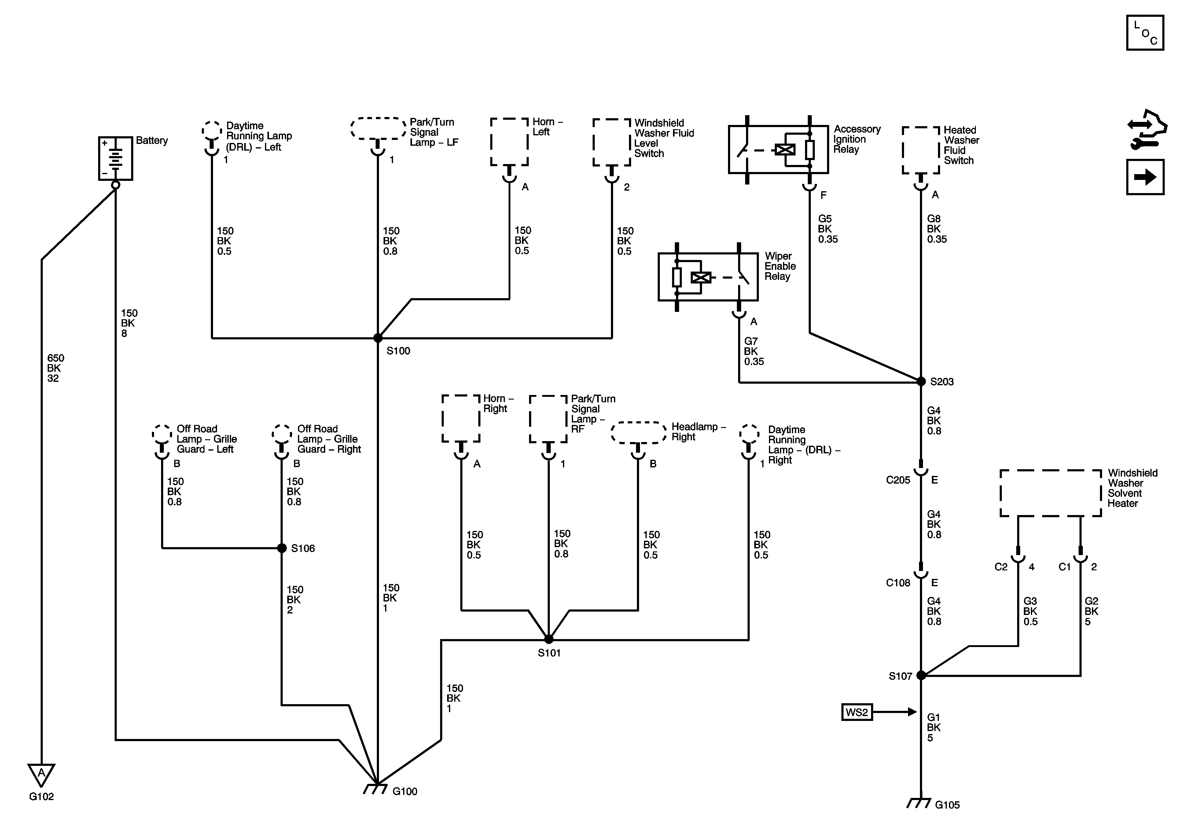
🢒 G100 and G105
G100 and G105
G100 and G105
Master Electrical Component List
Control Module References
G102 and G103
G102 and G103
Ignition Switch - ACCY/RUN and RUN/START Bus Bars and IGN B Fuse