GM Service Manual Online
For 1990-2009 cars only
Makes
🢒
Cadillac
🢒
2006
🢒
Escalade EXT
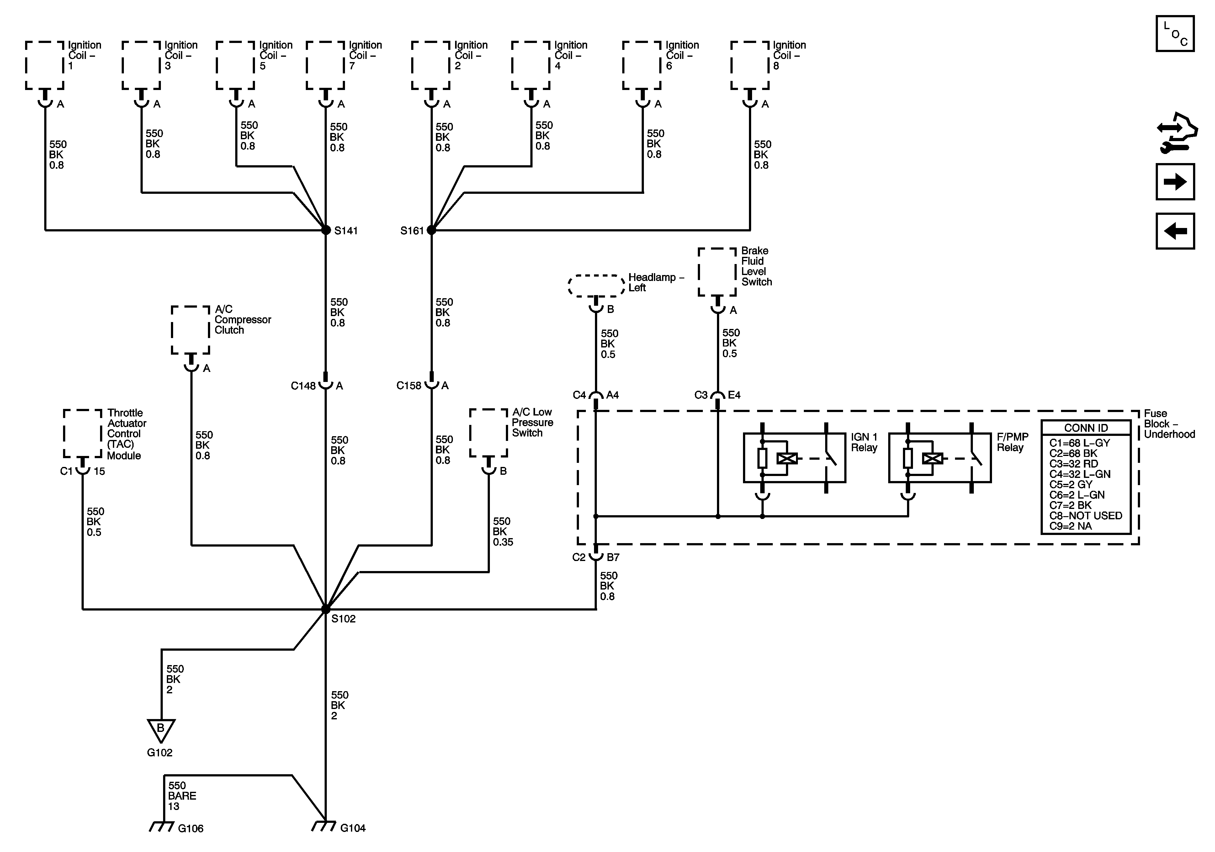
🢒 G104 and G106
G104 and G106
G104 and G106
Master Electrical Component List
Control Module References
G200
G102 and G103
G102 and G103