GM Service Manual Online
For 1990-2009 cars only
Makes
🢒
Cadillac
🢒
2006
🢒
Escalade EXT
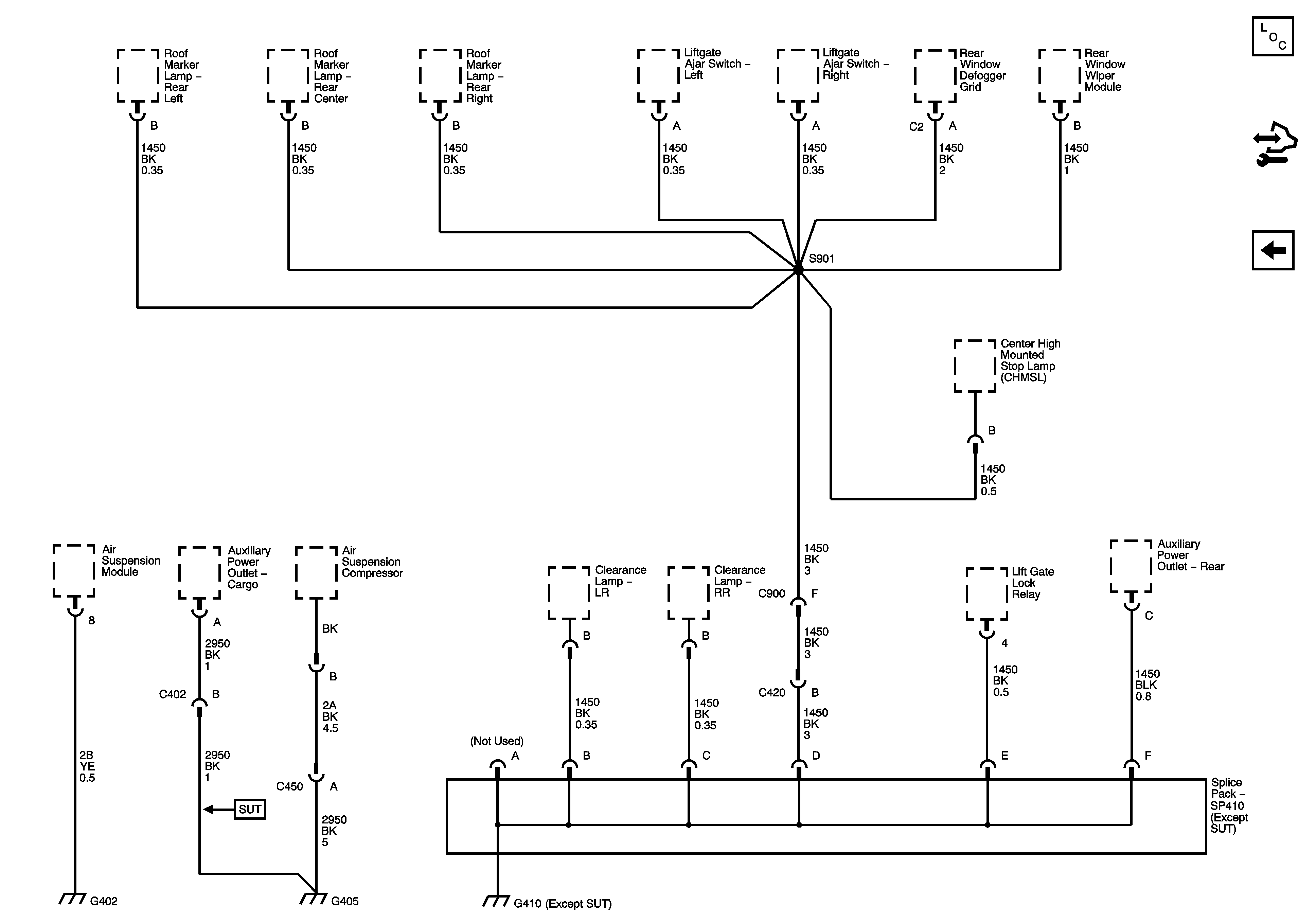
🢒 G402, G405, and G410
G402, G405, and G410
G402, G405, and G410
Master Electrical Component List
Control Module References
G320 (SUT)