GM Service Manual Online
For 1990-2009 cars only
Makes
🢒
Cadillac
🢒
2006
🢒
Escalade EXT
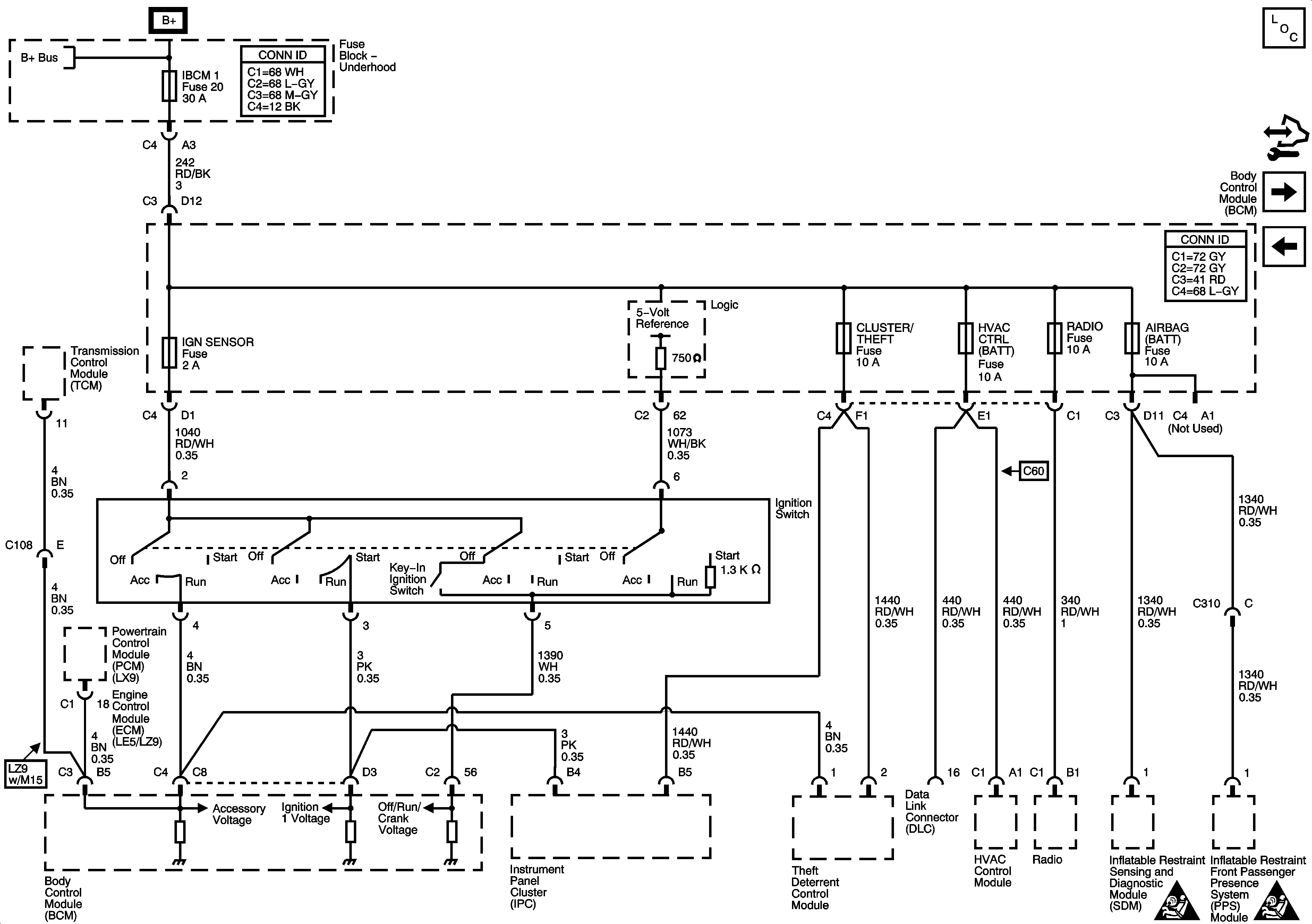
🢒 Underhood Fuse Block IBCM 1, Body Control Module (BCM), AIRBAG (BATT), CLUSTER/THEFT, HVAC CTRL (BATT), IGN SENSOR and RADIO Fuses
Underhood Fuse Block IBCM 1, Body Control Module (BCM), AIRBAG (BATT), CLUSTER/THEFT, HVAC CTRL (BATT), IGN SENSOR and RADIO Fuses
Underhood Fuse Block - IBCM 1, Body Control Module (BCM), AIRBAG (BATT), CLUSTER/THEFT, HVAC CTRL (BATT), IGN SENSOR and RADIO Fuses
Master Electrical Component List
Control Module References
Underhood Fuse Block RBEC 1 Fuse and Rear Fuse Block AUDIO AMP, BACK UP LP, CIG/AUX, HTD ST, RKE/XM/DVD/VGD, RR DEFOG RR DEFOG and SUN RF Fuses
Underhood Fuse Block - B+
Underhood Fuse Block - B+
Power and Grounding Schematic Icons
Power and Grounding Schematic Icons