GM Service Manual Online
For 1990-2009 cars only
Makes
🢒
Cadillac
🢒
2006
🢒
Escalade EXT
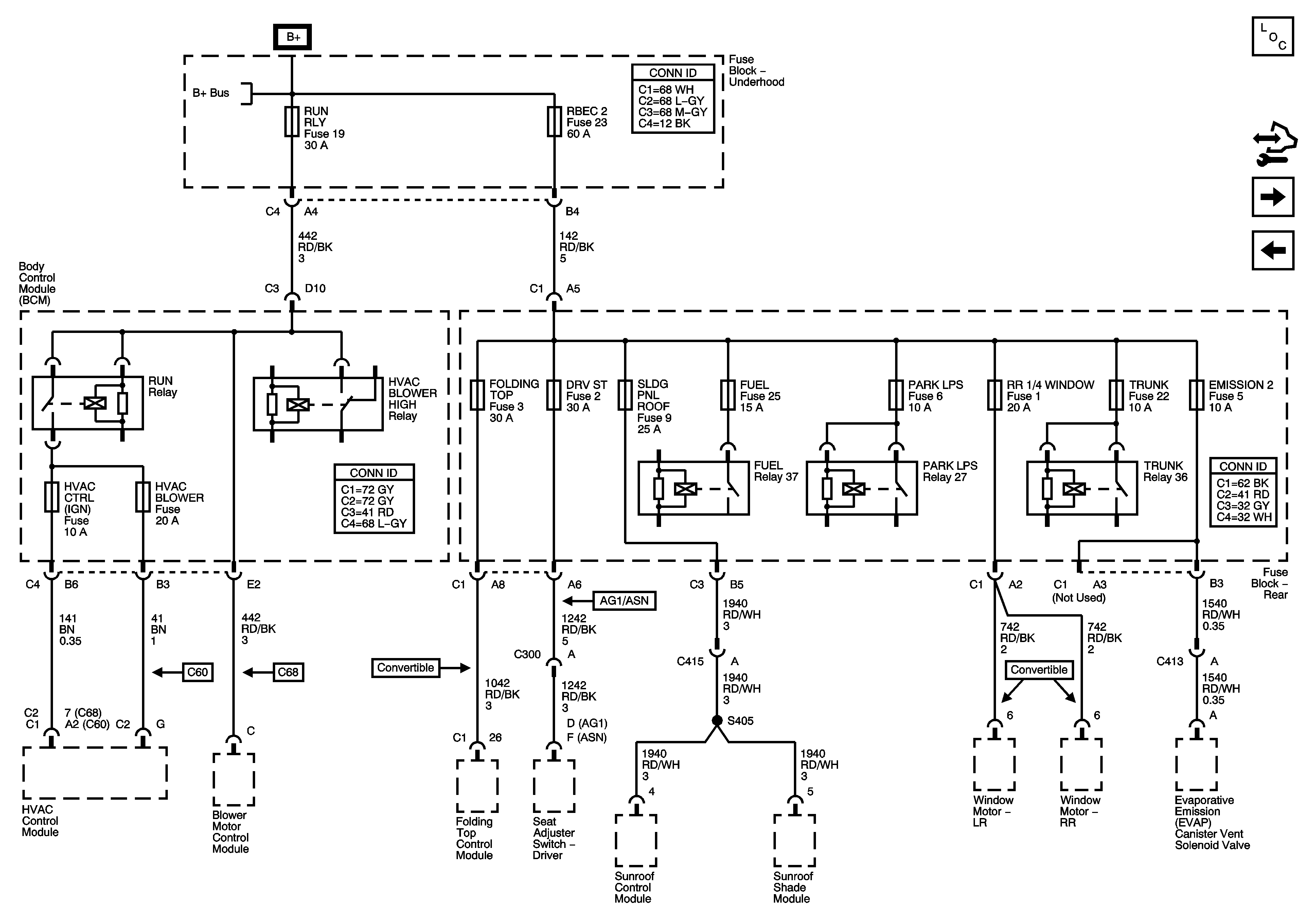
🢒 Underhood Fuse Block RBEC 2, RUN RLY, Body Control Module (BCM), HVAC BLOWER HIGH Relay, RUN Relay, HVAC BLOWER, HVAC CTRL (IGN) Rear Fuse Block FUEL Relay, PARK LP Relay, TRUNK Relay, DRV ST, EMISSIO
Underhood Fuse Block RBEC 2, RUN RLY, Body Control Module (BCM), HVAC BLOWER HIGH Relay, RUN Relay, HVAC BLOWER, HVAC CTRL (IGN) Rear Fuse Block FUEL Relay, PARK LP Relay, TRUNK Relay, DRV ST, EMISSIO
Underhood Fuse Block RBEC 2, RUN RLY, Body Control Module (BCM), HVAC BLOWER HIGH Relay, RUN Relay, HVAC BLOWER, HVAC CTRL (IGN) Rear Fuse Block FUEL Relay, PARK LPS Relay, TRUNK Relay, DRV ST, EMISSION 2, FUEL, PARK LPS and TRUNK Fuses
Master Electrical Component List
Control Module References
Underhood Fuse Block DRL Relay, LO/BEAM Relay, HI/BEAM Relay, ABS, DRL, EPS, IBCM 1, IBCM 2, LT HI BEAM, LT LO BEAM, PCM, PWR WDO, CPE/CONV, RT HI BEAM, RT LOW BEAM, and TCM Fuses
Underhood Fuse Block RBEC 1 Fuse and Rear Fuse Block AUDIO AMP, BACK UP LP, CIG/AUX, HTD ST, RKE/XM/DVD/VGD, RR DEFOG RR DEFOG and SUN RF Fuses
Underhood Fuse Block - B+