GM Service Manual Online
For 1990-2009 cars only
Makes
🢒
Cadillac
🢒
2006
🢒
Escalade EXT
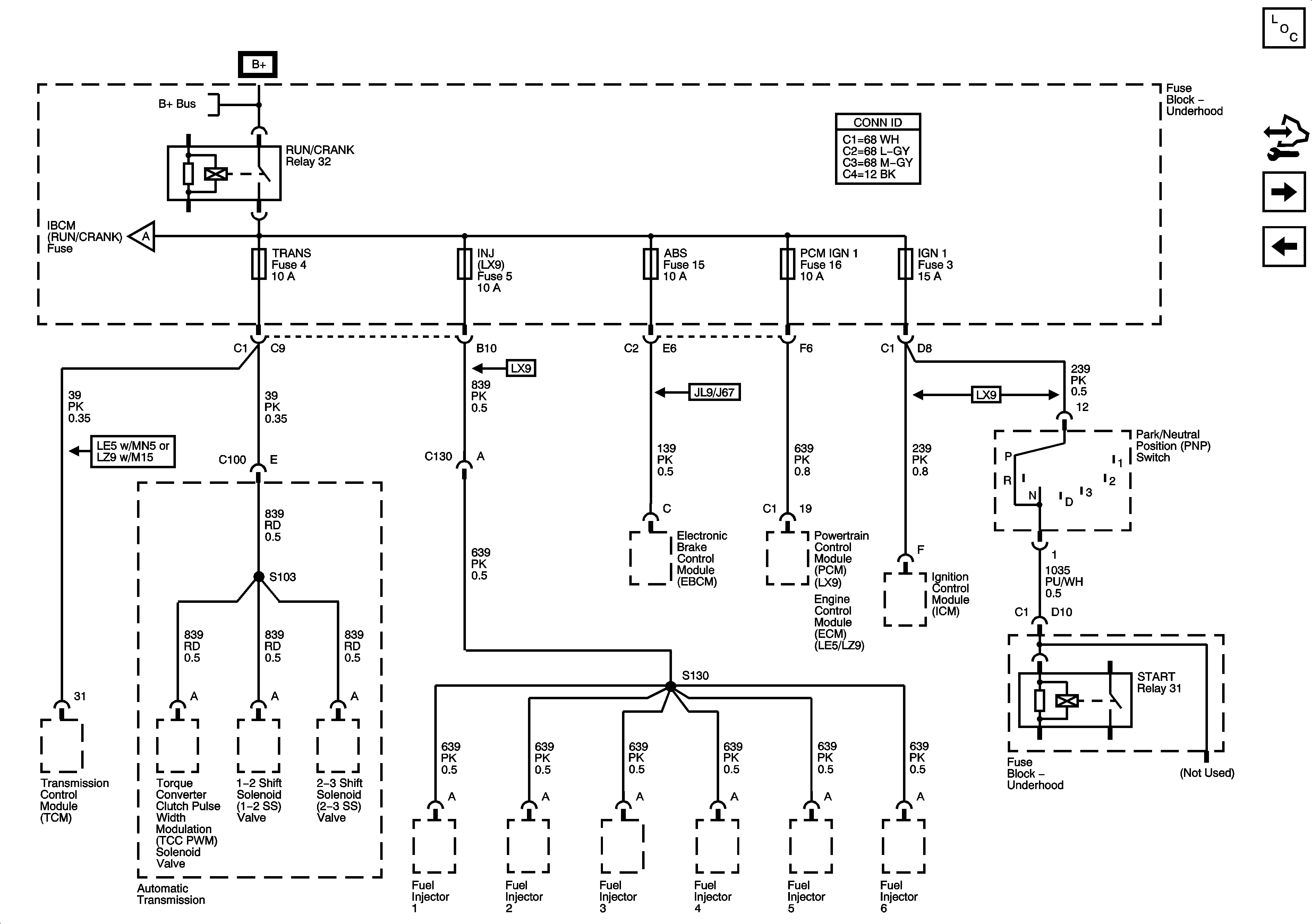
🢒 Underhood Fuse Block RUN/CRANK Relay, ABS, IGN 1, INJ, PCM IGN 1 and TRANS Fuses
Underhood Fuse Block RUN/CRANK Relay, ABS, IGN 1, INJ, PCM IGN 1 and TRANS Fuses
Underhood Fuse Block RUN/CRANK Relay, ABS, IGN 1, INJ, PCM IGN 1 and TRANS Fuses
Master Electrical Component List
Control Module References
Underhood Fuse Block A/C CLUTCH Relay, PWR/TRN Relay, A/C CLU, EMISSION 1, ETC, IGN MOD and IMTV/DOD Fuses
Underhood Fuse Block DRL Relay, LO/BEAM Relay, HI/BEAM Relay, ABS, DRL, EPS, IBCM 1, IBCM 2, LT HI BEAM, LT LO BEAM, PCM, PWR WDO, CPE/CONV, RT HI BEAM, RT LOW BEAM, and TCM Fuses
Underhood Fuse Block - B+
Underhood Fuse Block RUN RLY, IBCM (RUN/CRANK), Body Control Module (BCM) AIRBAG (IGN) EPS and RUN/CRANK Fuses