GM Service Manual Online
For 1990-2009 cars only
Makes
🢒
Cadillac
🢒
2006
🢒
Escalade EXT
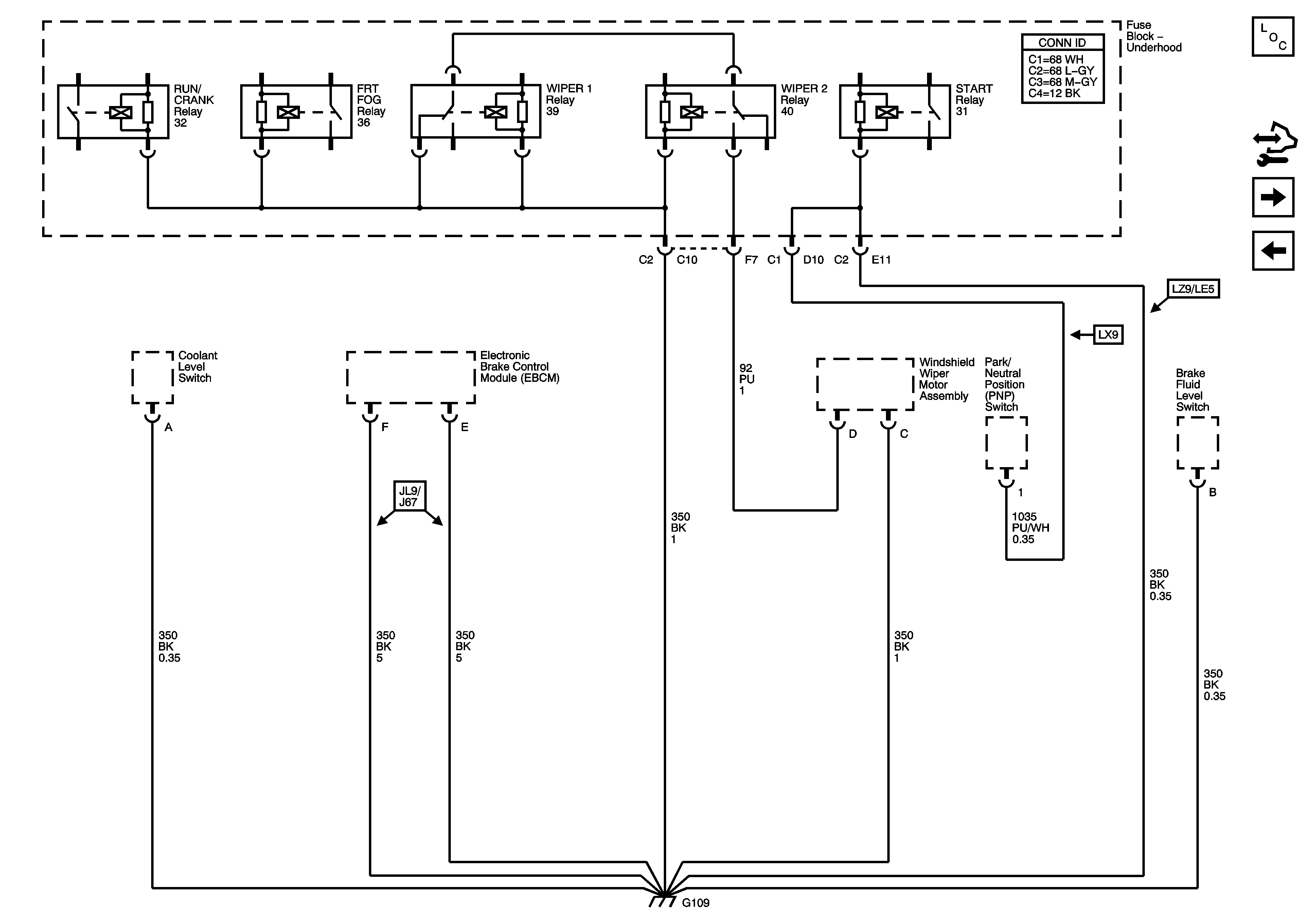
🢒 G109
G109
G109
Master Electrical Component List
Control Module References
G110 (LE5)
G106