GM Service Manual Online
For 1990-2009 cars only
Makes
🢒
Cadillac
🢒
2006
🢒
Escalade EXT
🢒 Charging System
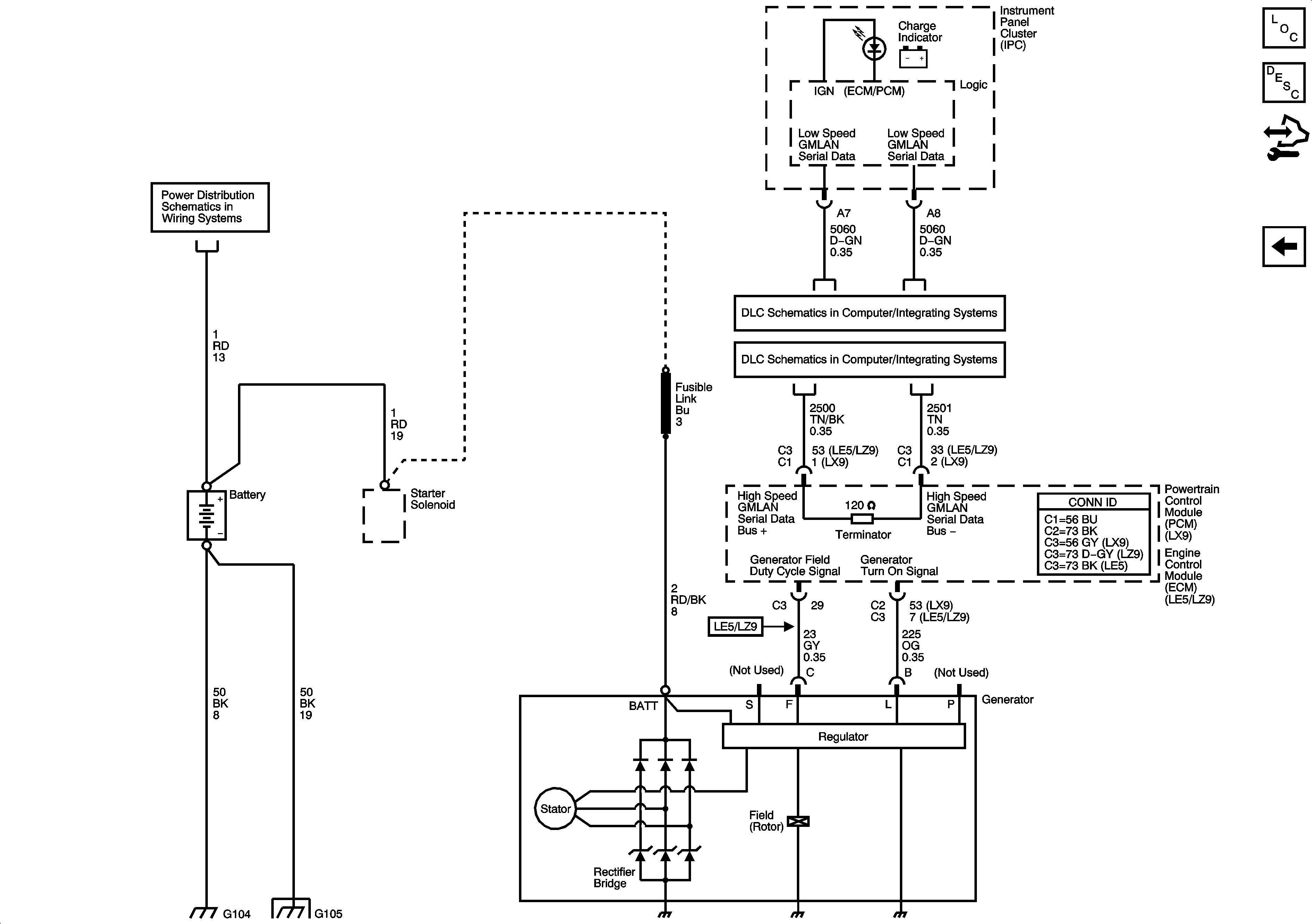
Charging System
Charging System
Master Electrical Component List
Charging System Description and Operation
Control Module References
Starting System - LE5/LZ9
Underhood Fuse Block - B+
Low Speed Serial Data
Power, Ground, Serial Data, High Speed GMLAN
G103, G104 and G105