GM Service Manual Online
For 1990-2009 cars only
Makes
🢒
Cadillac
🢒
2006
🢒
Escalade EXT
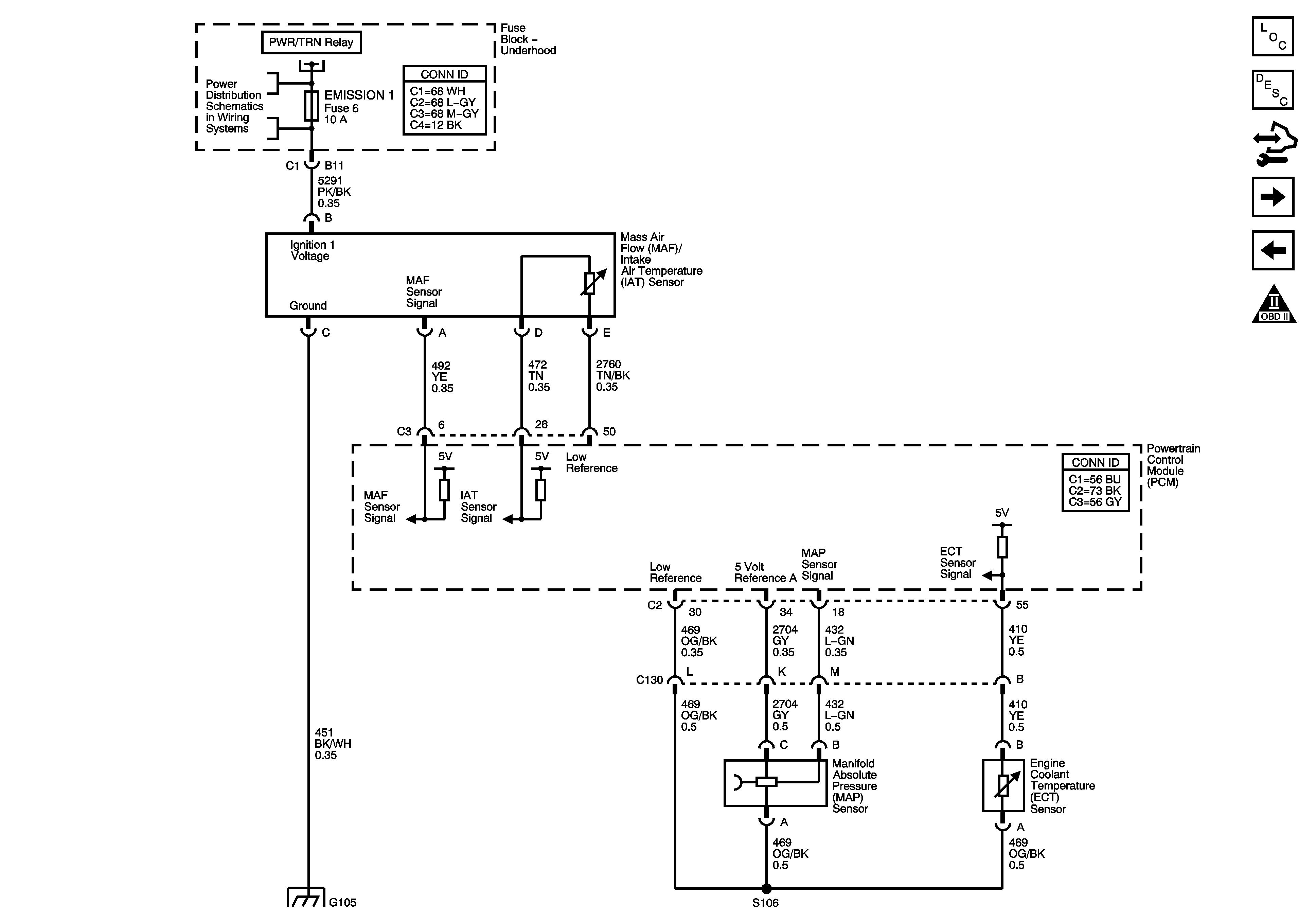
🢒 ECT, MAF and MAP Sensors
ECT, MAF and MAP Sensors
ECT, MAF and MAP Sensors
Master Electrical Component List
Powertrain Control Module Description
Control Module References
Heated Oxygen Sensors
5 Volt and Low References
Engine Controls Schematic Icons
Underhood Fuse Block A/C CLUTCH Relay, PWR/TRN Relay, A/C CLU, EMISSION 1, ETC, IGN MOD and IMTV/DOD Fuses
DLC, Ground, MIL and Power
G103, G104 and G105