GM Service Manual Online
For 1990-2009 cars only
Makes
🢒
Cadillac
🢒
2006
🢒
Escalade EXT
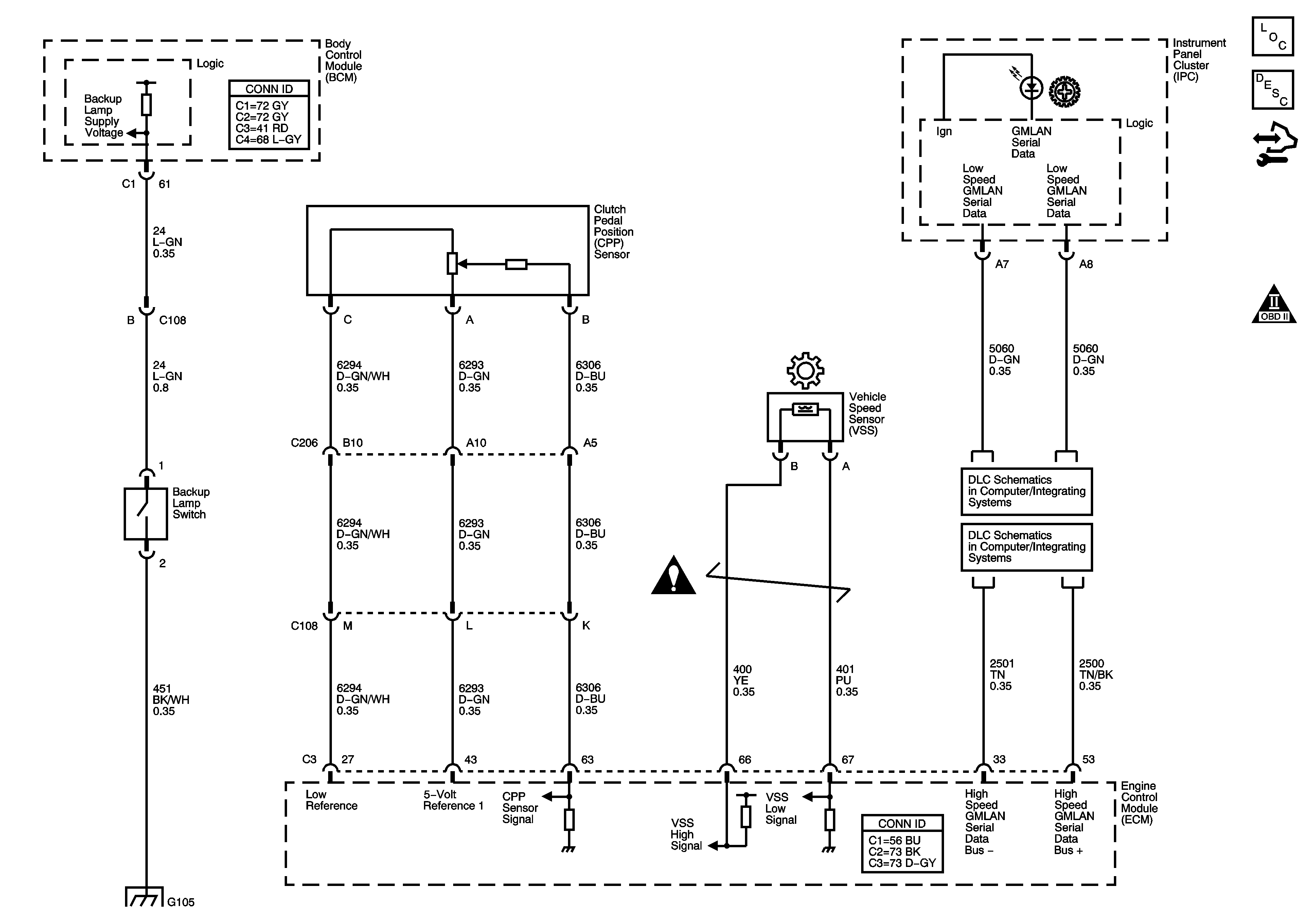
🢒 Manual Transmission Schematics
Manual Transmission Schematics
Master Electrical Component List
Transmission System Description and Operation
Control Module References
Manual Transmission Schematic Icons
Manual Transmission Schematic Icons
Low Speed Serial Data
Power, Ground, Serial Data, High Speed GMLAN
G103, G104 and G105