GM Service Manual Online
For 1990-2009 cars only
Makes
🢒
Cadillac
🢒
2006
🢒
Escalade EXT
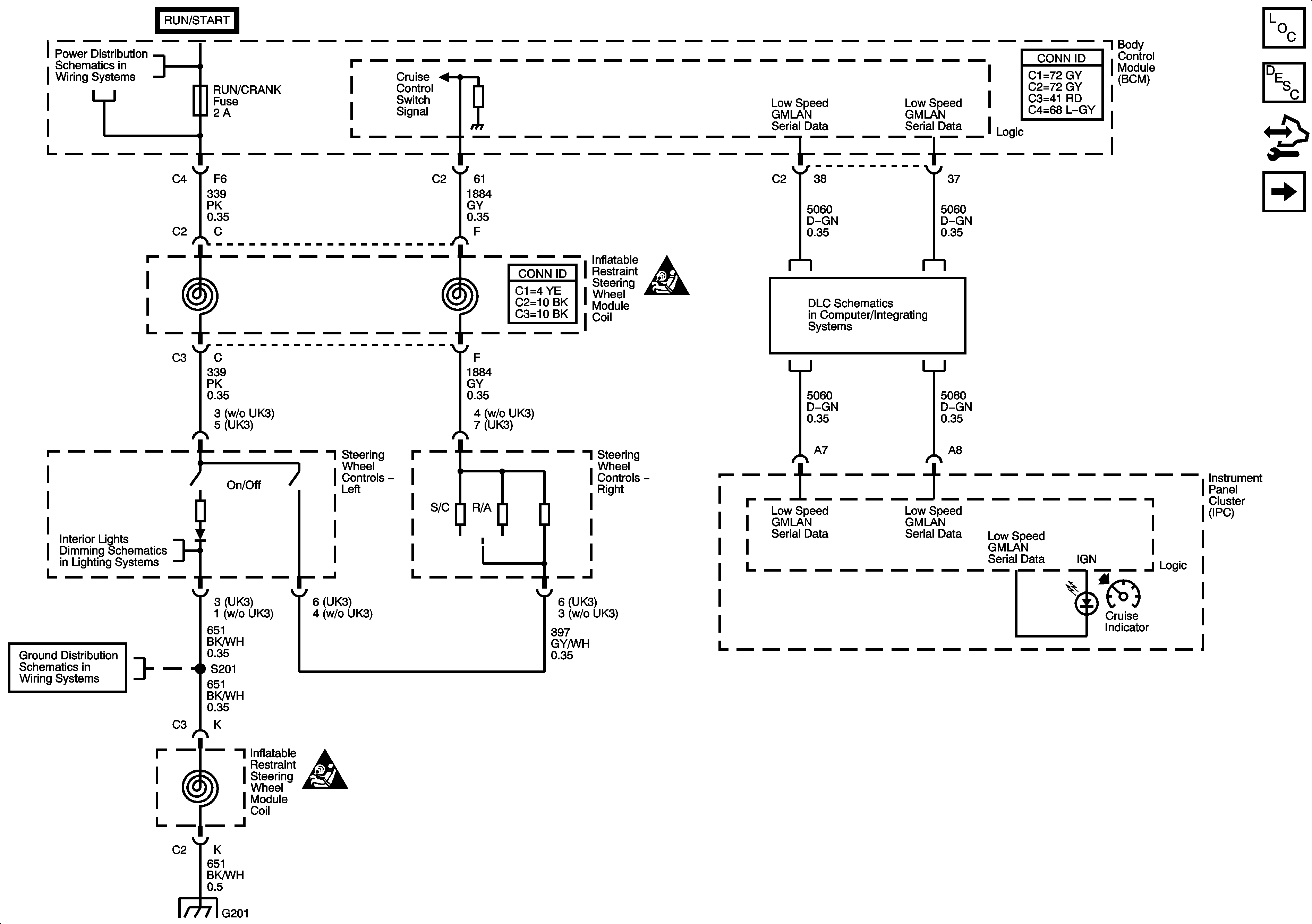
🢒 Switches, DLC and Indicator
Switches, DLC and Indicator
Switches , DLC and Indicator