GM Service Manual Online
For 1990-2009 cars only
Makes
🢒
Cadillac
🢒
2006
🢒
Escalade EXT
🢒 Sensors
Sensors
Sensors
Master Electrical Component List
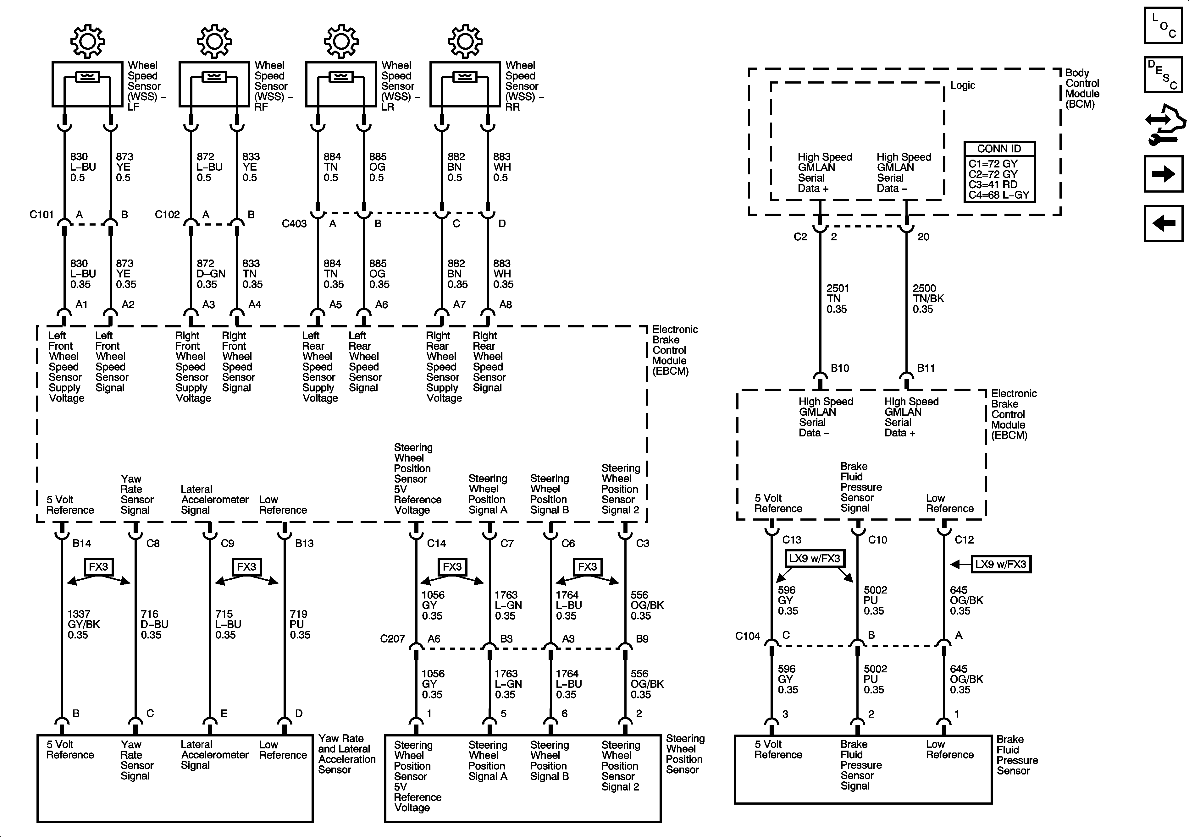
ABS Description and Operation
Control Module References
Brake Pedal Position Sensor and Traction Control Switch
DLC, Ground, Indicators, and Power