GM Service Manual Online
For 1990-2009 cars only
Makes
🢒
Cadillac
🢒
2006
🢒
Escalade EXT
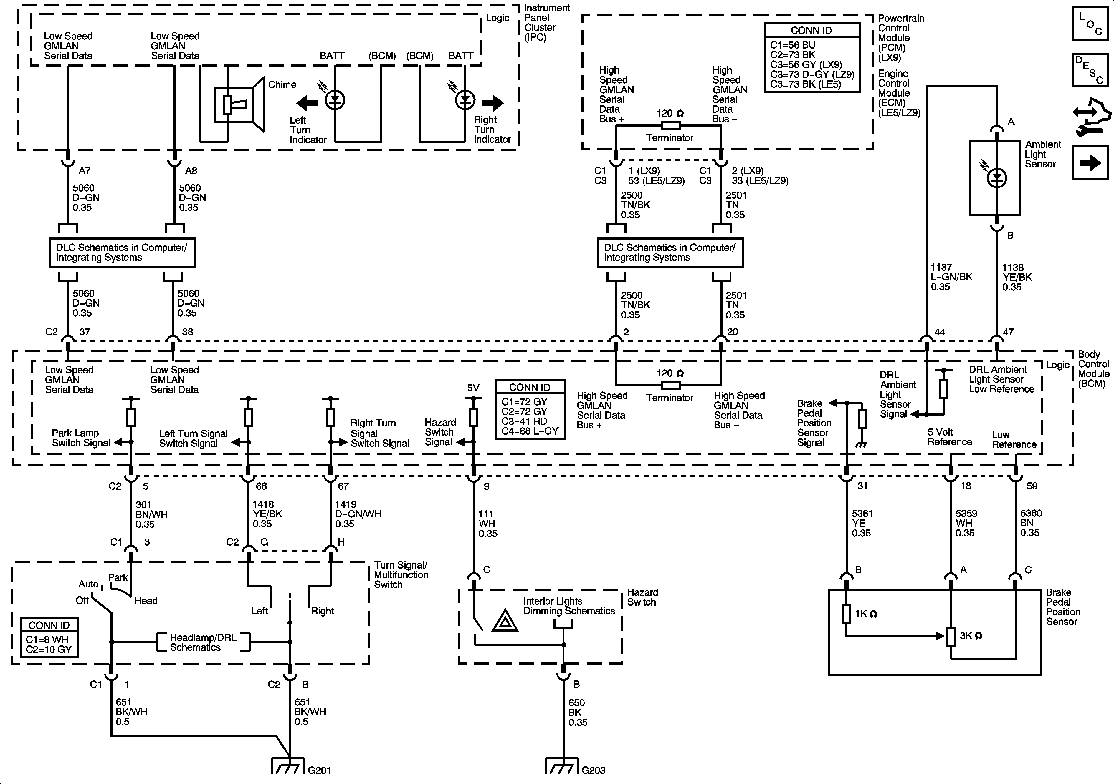
🢒 Ambient Light Sensor, Brake Pedal Position Sensor, Hazard Switch and Turn Signal/Multifunction Switch
Ambient Light Sensor, Brake Pedal Position Sensor, Hazard Switch and Turn Signal/Multifunction Switch
Ambient Light Sensor, Brake Pedal Position Sensor, Hazard Switch and Turn Signal/Multifunction Switch
Master Electrical Component List
Exterior Lighting Systems Description and Operation
Control Module References
Turn Signals and Stop Lamps
Low Speed Serial Data
Power, Ground, Serial Data, High Speed GMLAN
G201
G203